+7 (351) 215-23-09


Наполнение сайта товарами, услугами, новостями и статьями

ЩИТОК УЧЁТА ЭЛЕКТРОЭНЕРГИИ ВЫНОСНОГО ТИПА

Щитки учёта электроэнергии выносного типа предназначены для приёма и учёта электрической энергии индивидуальных потребителей, а также для защиты от перегрузок и токов короткого замыкания в сетях переменного тока частотой 50 Гц на номинальное напряжение 380/220 В с заземлённой или изолированной нейтралью.

С целью предотвращения хищений элетроэнергии щитки учёта устанавливаются вне помещений и имеет несколько вариантов крепления:

  • на железобетонных опорах прямоугольного сечения СВ 95 (СВ 110);
  • на железобетонных приставках прямоугольного сечения;
  • на выносной стойке;
  • на стене помещения.

Примечание - В доме бытового абонента обязательна установка автоматического выключателя (УЗО).

Конструктивно щиток учёта электроэнергии имеет одно отделение и одну дверь. Дверь выполнена в антивандальном исполнении,имеет жёсткую конструкцию и плотно прилегает к корпусу щитка, петли двери - внутренней установки. Дверь щитка имеет уплотнение из резинового профиля.

На двери щитка расположено герметичное окно из ударопрочного материла, предназначенное для снятия показаний счетчика. Снаружи окно закрывается металлической крышкой.

Замок двери щитка выполнен в антивандальном, взломостойком исполнении и имеет единый спецлюч с достаточным уровнем секретности, который после монтажа выдаётся только персоналу энергоснабжающей организации. Замок исключает возможность попадания влаги во внутрь и последующее обмерзание (заклинивание) его при отрицательных температурах.

Потребитель не имеет доступ внутрь щитка.

Ввод и вывод проводов осуществляется снизу щитка.

Основные параметры щитков приведены в таблице 1.

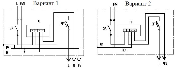
Габаритные размеры щитков приведены на рисунках 1, 2, схемы электрические принципиальные - на рисунках 3 - 7, способы установки щитков - на рисунках 8 - 11.

Условное обозначение

Условия эксплуатации:

  • наибольшая высота над уровнем моря - не более 1000 м;
  • рабочий диапазон температуры окружающей среды: от минус 40 до плюс 40 °С;
  • тип атмосферы - II по ГОСТ 15150-69;
  • окружающая среда - не содержащая токопроводящей пыли, агрессивных газов и паров в концентрациях, снижающих параметры щитков в недопустимых пределах;
  • щитки не предназначены для установки и эксплуатации в сейсмоопасных, взрывоопасных и пожароопасных зонах;
  • рабочее положение - вертикальное.

Степень защиты щитка - IP54 по ГОСТ 14254-96. Вид климатического исполнения - У1 по ГОСТ 15150-69. Средний срок службы щитков - 15лет.

Таблтца 1

Тип щитка

Наименование комплектующих

Кол-во

Номинальный ток, А

Номинальное напряжение, В

Примечание

Масса, кг, не более

ЩУ-11-Х У1

Счётчик однофазный Выключатель автоматический*

Рубильник

1

1

1

63

63

100

220

Р

SF

SA

10

ЩУ-12-Х У1

Счётчик однофазный Выключатель автоматический*

Рубильник

2

2

2

63

63

100

220

Р1,Р2

SF1,SF2

SA1,SA2

18

ЩУ-21-Х У1

Счётчик однофазный

Счетчик трёхфазный

Выключатель автоматический*

Рубильник

1

1

2

2

63

63

63

100

220

380

220, 380

220, 380

Р1

Р2

SF1, SF2

SA1, SA2

14

ЩУ-31-Х У1

Счётчик трёхфазный

Выключатель автоматический*

Рубильник

1

1

1

63

63

100

380

Р

SF

SA

16

ЩУ-32-Х У1

Счётчик трёхфазный

Выключатель автоматический*

Рубильник

2

2

2

63

63

100

380

P1,P2

SF1, SF2

SA1, SA2

24

Примечания

* Допускается установка дифференциального автомата.

X - способ установки щитка (1,2,3).

Габаритные размеры ЩУЭ с одним счетчиком

Габаритные размеры ЩУЭ с двумя счетчиками

Рисунок 3 - ЩУЭ-11-ХУ1

Рисунок 4 - ЩУЭ-12-Х У1

Рисунок 5 - ЩУЭ-21-Х У1

Рисунок 6 - ЩУЭ-22-Х У1

Рисунок 7 - ЩУЭ-32-Х У1

Рисунок 8 - Способ установки щитка ЩУЭ на железобетонной опоре

Рисунок 9 - Способ установки щитка ЩУЭ на выносной стойке

Рисунок 10 - Способ установки щитка ЩУЭ на стене помещения

Рисунок 11 - Способ установки щитка ЩУЭ на железобетонной приставке ПТ43-2