КТПБР-М-35/10(6), производства Ровенского завода высоковольтной аппаратуры, предназначены для приема, преобразования, распределения и транзита электроэнергии трехфазного переменного тока частотой 50 Гц при номинальном значении рабочих напряжений 35, 10 (6) кВ.
Подстанции используются для электроснабжения сельскохозяйственных, промышленных и других потребителей.
КлассификацияКТП классифицируются по номинальному рабочему напряжению на стороне НН, номеру типовой схемы главных соединений стороны 35 кВ, мощности одного силового трансформатора, типу фундаментов.
Структура условного обозначения КТПБР-М-35/[*]-[*]-[*]-[*]-[*]-[*]-[*] У1:
КТПБР-М— комплектная трансформаторная подстанция блочная Ровенского завода высоковольтной аппаратуры модернизированная;
35 — номинальное рабочее напряжение на стороне ВН, кВ;
[*] — номинальное рабочее напряжение на стороне НН, кВ;
[*] — номер типовой схемы главных соединений стороны 35 кВ;
[*] — количество установленных силовых трансформаторов;
[*] — мощность одного силового трансформатора, кВ»А;
[*] — категория внешней изоляции оборудования:
А - нормальная; Б - усиленная;
[*] — тип фундаментов:
I - незаглубленный; II - заглубленный;
[*] — год разработки;
У1 — климатическое исполнение У и категория размещения 1
по ГОСТ 15150-69 и ГОСТ 15543.1-89.
Особенности конструкцииПодстанция состоит из силовых трансформаторов, открытого распределительного устройства (ОРУ) 35 кВ, включающего блоки с электрооборудованием и элементы жесткой и гибкой ошиновки, комплектного распределительного устройства 10(6) кВ типа КРПЗ-10, шкафа трансформатора собственных нужд типа ШТВП-10, гибкой ошиновки 10(6) кВ, общеподстанционного пункта управления, устройств для освещения, грозозащиты и заземления, железобетонных фундаментов и кабельных лотков, внешней ограды.
На стороне ВН в КТПБР-М-35/10 используются транспортабельные металлические блоки заводского изготовления с оборудованием на 35 кВ.
Блоки полностью укомплектованы всем необходимым оборудованием и аппаратурой управления.
На стороне НН в КТПБР-М-35/10 используются КРУ наружной установки серии КРПЗ-10 с вакуумными или элегазовыми выключателями.
Аппаратура релейной защиты, управления, сигнализации и автоматики ОРУ-35, вспомогательных цепей и общеподстанционного назначения размещены в релейных шкафах внутренней установки, которые находятся в помещении подстанционного пункта управления или в КРПЗ-10.
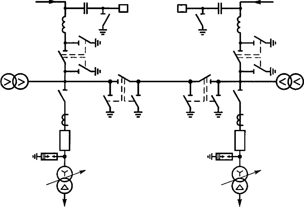
Схемы главных соединений КТПБР-М-35/10 приведены на рис. 1-6. Габаритные размеры подстанции приведены на рис. 7 (по схеме 35-9).

Рис. 1. Схема главных соединений 35-3H

Рис. 2. Схема главных соединений 35-5АН

Рис. 3. Схема главных соединений 35-4Н


Рис. 5. Схема главных соединений 10-1

Рис. 6. Схема главных соединений 35-5Б

Рис. 7. Общий вид и габаритные размеры подстанции КТПБР-М-35/10 (схема 35-9):
Присоединение воздушной линии 35 кВ к КТПБР-М-35/10 может быть выполнено как с применением беспортального, так и портального приема линий.
Условия эксплуатацииДанные комплектные трансформаторные подстанции предназначены для эксплуатации на открытых площадках на высоте до 1000 м над уровнем моря;
температура окружающего воздуха от минус 40 (эпизодически минус 45) до 40 °С (при средней расчетной температуре не выше 35 °С);
нормативный скоростной напор ветра по IV ветровому району при повторяемости 1 раз в 10 лет, район по гололеду I-IV;
стойкость к воздействию механических факторов внешней среды подстанции М1 по ГОСТ 17516.1-90: среда невзрывоопасная, не содержащая токопроводящей пыли, агрессивных газов и паров, разрушающих металл и изоляцию;
сейсмичность района строительства до 6 баллов.
Требования техники безопасности по ГОСТ 12.2.007.0-75 и ГОСТ 12.2.007.3
Технические данныеНоминальное напряжение, кВ:
на стороне ВН.................................................................................................. 35
на стороне НН.............................................................................................. 10; 6
Количество схем главных электрических цепей......................................... 6
Мощность силовых трансформаторов, кВ»А.......................................... 1000; 1600; 2500; 4000; 6300; 10 000; 16 000
Номинальный ток по шинам 35 кВ............................................................. 630
Ударный ток КЗ ошиновки, кА:
на стороне 35 кВ.............................................................................................. 52
на стороне 10(6) кВ......................................................................................... 51
Ток термической стойкости ошиновки в течение 3 с, кА:
на стороне 35 кВ.............................................................................................. 20
на стороне 10(6) кВ......................................................................................... 20
Номинальное напряжение вспомогательных цепей, В:
переменного тока...................................................................................... 380/220
постоянного тока.......................................................................................... 220
трансформаторов напряжения.................................................................. 100
Расчетное тяжение от спусков BJ135 кВ на фазу, Н:
при беспортальном приеме..................................................................... 1500
при портальном приеме........................................................................... 2500
Габаритные размеры по схемам главных цепей, м:
35-3H............................................................................................................ 30x15
35-4Н............................................................................................................ 33x27
35-5АН.......................................................................................................... 33x27
35-9............................................................................................................... 36x33
35-5Б............................................................................................................. 39,6x26,6
Таблица
| Наименование | Схемы главных соединений | Тип блока | |||
| С нормальной изоляцией | С усиленной изоляцией | ||||
| Блок выключателя 35 кВ | Б35-1/К | Б35Б-2/К | |||
| Б35-7/К | Б35Б-8/К | ||||
| Б35-5/К | Б35Б-6/К | ||||
| Б35-11/К | Б35Б-12/К | ||||
![]() | Б35-9/К | Б35Б-10/К | |||
| Б35-13/К | Б35Б-14/К | ||||
| Б35-38/К | Б35Б-39/К | ||||
| Блок трансформатора напряжения 35 кВ | Б35-15/К | Б35Б-16/К | |||
| Б35-17/К | Б35Б-18/К | ||||
| Блок разъединителя 35 кВ | Б35-19 | Б35Б-20 | |||
| Блок приема ВЛ 35 кВ | Б35-22 | Б35Б-23 | |||
![]() | Б35-24 | Б35Б-25 | |||
| Б35-26 | Б35Б-27 | ||||
| Блок опорных изоляторов 35 кВ | Б35-28 | Б35Б-29 | |||
| Блок шинных аппаратов 35 кВ | Б35-32/К | Б35Б-33/К | |||
| Кронштейн с изолятором и разрядником 10 кВ | ![]() | Б10-5 | Б10Б-6 | ||
Номинальные токи на сторонах 35 и 10 кВ должны соответствовать номинальным токам трансформаторов с учетом их перегрузочной способности по ГОСТ 14209-85.
Гарантийный срок - 2 года со дня ввода подстанции в эксплуатацию, но не более 2,5 лет со дня отгрузки.
ГОСТ (ТУ) ТУ У 34.00125474.010-95
Изготовитель: ОАО "Ровенский завод высоковольтной аппаратуры"
33001, Украина, г. Ровно, Белая ул., 16