
МОПН-П-35 УХЛ1, производства ЗАО «Завод энергозащитных устройств» - мультиградиентные ограничители перенапряжении (МОПН) применяются для защиты высоковольтного оборудования (разъединителей, выключателей, трансформаторов тока, силовых трансформаторов и т.п.) в электросетях 35кВ с изолированной нейтралью.
Конструктивной особенностью ограничителя является эффективное выравнивание и распределение напряжения (при квазистационарных перенапряжениях) вдоль сборки варисторов, которые входят в его состав. Тем самым происходит равномерный нагрев, препятствующий разрыву колонки варисторов. Применение такого технического новшества позволяет повысить эксплуатационные качества МОПН. Эта уникальная конструкция запатентована и не имеет аналогов в мировой электротехнике.
При изготовлении корпуса ограничителя применяется метод литья, который делает его монолитным и защищает от проникновения влаги. Используя кремнеорганическую внешнюю изоляцию на основе силикона, производители МОПН полностью оградили его от действия внешних факторов (химические и климатические воздействия). Такое покрытие пожароустойчивое. Этот аппарат отлично выдерживает механические и термомеханические нагрузки и устойчив к перегреву до 200 С. Выбранная система FFS 16 делает ограничители взрывобезопасными и при аварийных ситуациях не позволяет осколкам разлетаться. По электрическому пробою при загрязнении МОПН относится к степени IV (ГОСТ 9920).
Мультиградиентные ограничители перенапряжения являются защитными аппаратами нового поколения, применяемые в энергетике. Их минимальный размер и относительно небольшая масса позволяет оптимально адаптировать эти устройства к различным местам установки.
Для МОПН данной серии предлагается широкий диапазон выбора наибольшего длительно допустимого рабочего напряжения, Uнр (действующее значение) от 36 до 42 кВ с шагом 0,5 кВ.
параметры МОПН-П-35 УХЛ1
| - 250 А, кВ, не более - 500 А, кВ, не более - 1000 А, кВ, не более | 97 101 | 95 98 | 94 95 | 101 105 | 99 102 | 97 99 |
| - 5000 А, кВ, не более - 10000 А, кВ, не более - 20000 А, кВ, не более | 125 135 | 124 132 | 122 130 | 129 140 | 128 136 | 127 135 |
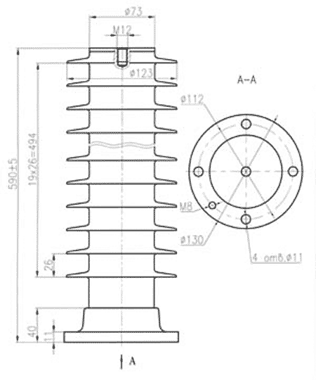
Габаритные размеры МОПН-П-35 УХЛ1, мм
