Нелинейные ограничители перенапряжений PEXLIM P, которые выпускает компания ABB. ОПН PEXLIM P предназначены для защиты электротехнического оборудования от грозовых и коммутационных перенапряжений:
PEXLIM P идеально подходит там, где требуются малый вес, удобство при монтаже, долговечность, а также безопасность обслуживающего персонала.
Основной компонент в концепции PEXLINK™ для защиты ЛЭП.
Другие данные предоставляются по запросу. Обращайтесь к представителю АББ в вашем регионе.
Основные технические характеристики
| 52-420 кВ | |
| Номинальное напряжение ОПН (Ur) | 42-360 кВ |
| Номинальный разрядный ток 8/20 мкс (МЭК) | 20 кАпик. |
| Классификационный ток (ANSI/IEEE) | 1 5 кАп и к. |
| Выдерживаемый импульсный ток: | |
| 4/10 мкс | 100 кАпик. |
| прямоугольный импульс 2000 мкс | 1500 Апик. |
| Энергоемкость: | |
| Класс разряда по линии (МЭК) | Класс 4 |
| [2 импульса, (МЭК ст. 8.5.5) | 12,0 кДж/кВ (Ur)] |
| Соответствует/превышает требования испытания на класс разряда по линии по нормам ANSI для систем 362 кВ. | |
| Ток взрывобезопасности | 65 кАс и м. |
| Внешняя изоляция | Соответствует/ превышает нормы |
| Механическая прочность: | |
| Расчетная долговременная нагрузка (SLL) | 2 500 Нм |
| Расчетная кратковременная нагрузка (SSL) | 4 000 Нм |
| Условия эксплуатации: | |
| Диапазон расчетных температур | от -50 до +45 °С |
| Высота установки над уровнем моря | до 1 000 м |
| Частота | 15-62 Гц |
Гарантированные защитные характеристики PEXLIM P 24-145 кВ
| Класс сети |
Класс напря-
жения ОПН |
Длительно допустимое рабочее напряжение * > |
Способность противостоять временным пере-
напряжениям 2) |
Остающиеся напряжения при волнах тока различной амплитуды и формы | ||||||||
| согласно МЭК | согласно ANSI/ IEEE | 30/60 мкс | 8/20 мкс | |||||||||
| Um | Ur | Uc | MCOV | 1 с | 10 с | 1 кА | 2 кА | 3 кА | 5 кА | 10 кА | 20 кА | 40 кА |
| кВ ср. кВ. | кВ ср. кВ. | кВ ср. кВ. | кВ ср. кВ. | кВ ср. кВ. | кВ ср. кВ. | кВ пик. | кВ пик. | кВ пик. | кВ пик. | кВ пик. | кВ пик. | кВ пик. |
| 24 3) | 24 | 19,2 | 19,5 | 27,8 | 26,4 | 46,8 | 48,5 | 49,7 | 51,9 | 54,6 | 59,8 | 65,6 |
| 36 ** | 30 | 24,0 | 24,4 | 34,8 | 33,0 | 58,5 | 60,7 | 62,2 | 64,9 | 68,3 | 74,8 | 81,9 |
| 33 | 26,4 | 26,7 | 38,2 | 36,3 | 64,4 | 66,7 | 68,4 | 71,4 | 75,1 | 82,3 | 90,1 | |
| 36 | 28,8 | 29,0 | 41,7 | 39,6 | 70,2 | 72,8 | 74,6 | 77,9 | 81,9 | 89,7 | 98,3 | |
| 39 | 31,2 | 31,5 | 45,2 | 42,9 | 76,1 | 78,8 | 80,8 | 84,3 | 88,8 | 97,2 | 107 | |
| 52 | 42 | 34 | 34,0 | 48,7 | 46,2 | 81,9 | 84,9 | 87,0 | 90,8 | 95,6 | 105 | 115 |
| 48 | 38 | 39,0 | 55,6 | 52,8 | 93,6 | 97,0 | 99,4 | 104 | 110 | 120 | 132 | |
| 51 | 41 | 41,3 | 59,1 | 56,1 | 99,5 | 104 | 106 | 111 | 117 | 128 | 140 | |
| 72 | 54 | 43 | 43,0 | 62,6 | 59,4 | 106 | 110 | 112 | 117 | 123 | 135 | 148 |
| 60 | 48 | 48,0 | 69,6 | 66,0 | 117 | 122 | 125 | 130 | 137 | 150 | 164 | |
| 63 | 50 | 51,0 | 73,0 | 69,3 | 123 | 128 | 131 | 137 | 144 | 157 | 172 | |
| 72 | 58 | 58,0 | 83,5 | 79,2 | 141 | 146 | 150 | 156 | 164 | 180 | 197 | |
| 100 | 66 | 53 | 53,4 | 76,5 | 72,6 | 129 | 134 | 137 | 143 | 151 | 165 | 181 |
| 72 | 58 | 58,0 | 83,5 | 79,2 | 141 | 146 | 150 | 156 | 164 | 180 | 197 | |
| 75 | 60 | 60,7 | 87,0 | 82,5 | 147 | 152 | 156 | 163 | 171 | 187 | 205 | |
| 78 | 62 | 63,1 | 90,4 | 85,8 | 153 | 158 | 162 | 169 | 178 | 195 | 213 | |
| 81 | 65 | 65,6 | 93,9 | 89,1 | 158 | 164 | 168 | 176 | 185 | 202 | 222 | |
| 84 | 67 | 68,0 | 97,4 | 92,4 | 164 | 170 | 174 | 182 | 192 | 210 | 230 | |
| 123 | 90 | 72 | 72,0 | 104 | 99,0 | 176 | 182 | 187 | 195 | 205 | 225 | 246 |
| 96 | 77 | 77,0 | 111 | 105 | 188 | 194 | 199 | 208 | 219 | 240 | 263 | |
| 102 | 78 | 82,6 | 118 | 112 | 199 | 207 | 212 | 221 | 233 | 255 | 279 | |
| 108 | 78 | 84,0 | 125 | 118 | 211 | 219 | 224 | 234 | 246 | 270 | 295 | |
| 114 | 78 | 92,3 | 132 | 125 | 223 | 231 | 237 | 247 | 260 | 284 | 312 | |
| 120 | 78 | 98,0 | 139 | 132 | 234 | 243 | 249 | 260 | 273 | 299 | 328 | |
| 129 | 78 | 104 | 149 | 141 | 252 | 261 | 268 | 279 | 294 | 322 | 353 | |
| 132 | 78 | 106 | 153 | 145 | 258 | 267 | 274 | 286 | 301 | 329 | 361 | |
| 138 | 78 | 111 | 160 | 151 | 270 | 279 | 286 | 299 | 314 | 344 | 377 | |
| 144 | 78 | 115 | 167 | 158 | 281 | 291 | 299 | 312 | 328 | 359 | 394 | |
| 150 | 78 | 121 | 174 | 165 | 293 | 304 | 311 | 325 | 342 | 374 | 410 | |
| 145 | 108 | 86 | 86,0 | 125 | 118 | 211 | 219 | 224 | 234 | 246 | 270 | 295 |
| 120 | 92 | 98,0 | 139 | 132 | 234 | 243 | 249 | 260 | 273 | 299 | 328 | |
| 132 | 92 | 106 | 153 | 145 | 258 | 267 | 274 | 286 | 301 | 329 | 361 | |
| 138 | 92 | 111 | 160 | 151 | 270 | 279 | 286 | 299 | 314 | 344 | 377 | |
Дополнительная информация об уровнях выдерживаемых временных перенапряжений и защитных характеристиках приводится в публикации 1HSM 9543 13-01en.
* Длительно допустимое рабочее напряжение Uc (по МЭК) и максимальное длительно допустимое рабочее напряжение MCOV (по ANSI) отличаются только вследствие расхождений в методике типовых испытаний.
Параметр Uc должен учитываться только в том случае, если фактическое напряжение сети выше указанного значения в таблице. Может быть выбран любой ОПН со значением Uc, равным или превышающим фактическое напряжение сети, деленное на V3.
** По запросу могут быть поставлены ОПН для напряжения сети 36 кВ или ниже, если в заказ также включены ОПН для более высокого напряжения сети. Ограничители на меньшие или большие напряжения для специальных областей применения могут быть изготовлены по запросу.
Гарантированные защитные характеристики PEXLIM P 145-420 кВ
| Класс сети |
Класс напря-
жения ОПН |
Длительно допустимое рабочее напряжение * |
Способность противостоять временным пере-
напряжениям ** |
Остающиеся напряжения при волнах тока различной амплитуды и формы | ||||||||
| 30/60 мкс | 8/20 мкс | |||||||||||
| согласно МЭК | согласно ANSI/ IEEE | |||||||||||
| Um | Ur | Uc | MCOV | 1 с | 10 с | 1 кА | 2 кА | 3 кА | 5 кА | 10 кА | 20 кА | 40 кА |
| кВ ср. кВ. | кВ ср. кВ. | кВ ср. кВ. | кВ ср. кВ. | кВ ср. кВ. | кВ ср. кВ. | кВ пик. | кВ пик. | кВ пик. | кВ пик. | кВ пик. | кВ пик. | кВ пик. |
| 145 | 144 | 92 | 115 | 167 | 158 | 281 | 291 | 299 | 312 | 328 | 359 | 394 |
| 150 | 92 | 121 | 174 | 165 | 293 | 304 | 311 | 325 | 342 | 374 | 410 | |
| 162 | 92 | 131 | 187 | 178 | 316 | 328 | 336 | 351 | 369 | 404 | 443 | |
| 168 | 92 | 131 | 194 | 184 | 328 | 340 | 348 | 364 | 383 | 419 | 459 | |
| 170 | 132 | 106 | 106 | 153 | 145 | 258 | 267 | 274 | 286 | 301 | 329 | 361 |
| 144 | 108 | 115 | 167 | 158 | 281 | 291 | 299 | 312 | 328 | 359 | 394 | |
| 150 | 108 | 121 | 174 | 165 | 293 | 304 | 311 | 325 | 342 | 374 | 410 | |
| 162 | 108 | 131 | 187 | 178 | 316 | 328 | 336 | 351 | 369 | 404 | 443 | |
| 168 | 108 | 131 | 194 | 184 | 328 | 340 | 348 | 364 | 383 | 419 | 459 | |
| 180 | 108 | 144 | 208 | 198 | 351 | 364 | 373 | 390 | 410 | 449 | 492 | |
| 192 | 108 | 152 | 222 | 211 | 375 | 388 | 398 | 415 | 437 | 479 | 525 | |
| 245 | 180 | 144 | 144 | 208 | 198 | 351 | 364 | 373 | 390 | 410 | 449 | 492 |
| 192 | 154 | 154 | 222 | 211 | 375 | 388 | 398 | 415 | 437 | 479 | 525 | |
| 198 | 156 | 160 | 229 | 217 | 387 | 400 | 410 | 428 | 451 | 494 | 541 | |
| 210 | 156 | 170 | 243 | 231 | 410 | 425 | 435 | 454 | 478 | 524 | 574 | |
| 214 | 156 | 173 | 248 | 235 | 419 | 434 | 445 | 464 | 488 | 535 | 586 | |
| 216 | 156 | 175 | 250 | 237 | 422 | 437 | 448 | 467 | 492 | 539 | 590 | |
| 219 | 156 | 177 | 254 | 240 | 427 | 443 | 454 | 474 | 499 | 546 | 598 | |
| 222 | 156 | 179 | 257 | 244 | 433 | 449 | 460 | 480 | 506 | 554 | 607 | |
| 228 | 156 | 180 | 264 | 250 | 445 | 461 | 473 | 493 | 519 | 568 | 623 | |
| 300 | 216 | 173 | 175 | 250 | 237 | 422 | 437 | 448 | 467 | 492 | 539 | 590 |
| 228 | 182 | 182 | 264 | 250 | 445 | 461 | 473 | 493 | 519 | 568 | 623 | |
| 240 | 191 | 191 | 278 | 264 | 468 | 485 | 497 | 519 | 546 | 598 | 656 | |
| 258 | 191 | 209 | 299 | 283 | 504 | 522 | 535 | 558 | 587 | 643 | 705 | |
| 264 | 191 | 212 | 306 | 290 | 515 | 534 | 547 | 571 | 601 | 658 | 721 | |
| 276 | 191 | 220 | 320 | 303 | 539 | 558 | 572 | 597 | 628 | 688 | 754 | |
| 362 | 258 | 206 | 209 | 299 | 283 | 504 | 522 | 535 | 558 | 587 | 643 | 705 |
| 264 | 211 | 212 | 306 | 290 | 515 | 534 | 547 | 571 | 601 | 658 | 721 | |
| 276 | 221 | 221 | 320 | 303 | 539 | 558 | 572 | 597 | 628 | 688 | 754 | |
| 288 | 230 | 230 | 334 | 316 | 562 | 582 | 597 | 623 | 656 | 718 | 787 | |
| 420 | 330 | 264 | 267 | 382 | 363 | 644 | 667 | 684 | 714 | 751 | 823 | 901 |
| 336 | 267 | 272 | 389 | 369 | 656 | 679 | 696 | 727 | 765 | 838 | 918 | |
| 342 | 267 | 277 | 396 | 376 | 667 | 691 | 709 | 740 | 779 | 852 | 934 | |
| 360 | 267 | 291 | 417 | 396 | 702 | 728 | 746 | 779 | 819 | 897 | 983 | |
Дополнительная информация об уровнях выдерживаемых временных перенапряжений и защитных характеристиках приводится в публикации 1HSM 9543 13-01en.
* Длительно допустимое рабочее напряжение Uc (по МЭК) и максимальное длительно допустимое рабочее напряжение MCOV (по ANSI) отличаются только вследствие расхождений в методике типовых испытаний.
Параметр Uc должен учитываться только в том случае, если фактическое напряжение сети выше указанного значения в таблице. Может быть выбран любой ОПН со значением Uc, равным или превышающим фактическое напряжение сети, деленное на V3.
** С предварительным нагружением энергией не более максимального значения для одинарного импульса (7,0 кДж/кВ (Ur)).
Технические характеристики покрышек PEXLIM P
|
Класс сети
Um кВ ср. кВ. |
Класс напря-
жения ОПН Ur кВ ср. кВ. |
Покрышка |
Длина
пути утечки мм |
Внешняя изоляция * |
60 Гц
под дождем (10 с) кВ ср. кВ. |
250/2500 мкс под дождем
кВ пик. |
Габаритные размеры | ||||||
| 1,2/50 мкс | 50 Гц | Масса | Амакс. | B | C | D | Рис. | ||||||
|
сухая
кВ пик. |
под дождем
(60 с) кВ ср. кВ. |
кг | мм | мм | мм | мм | |||||||
| 24 | 24 | XV024 | 1363 | 283 | 126 | 126 | 242 | 18 | 481 | - | - | - | 1 |
| 36 | 30-36 | XV036 | 1363 | 283 | 126 | 126 | 242 | 18 | 481 | - | - | - | 1 |
| 39 | XV036 | 2270 | 400 | 187 | 187 | 330 | 29 | 736 | - | - | - | 1 | |
| 52 | 42-51 | XV052 | 2270 | 400 | 187 | 187 | 330 | 29 | 736 | - | - | - | 1 |
| 72 | 54-72 | XV072 | 2270 | 400 | 187 | 187 | 330 | 28 | 736 | - | - | - | 1 |
| 75-84 | XV072 | 3625 | 578 | 293 | 293 | 462 | 43 | 1080 | - | - | - | 2 | |
| 100 | 75-96 | XV100 | 3625 | 578 | 293 | 293 | 462 | 43 | 1080 | - | - | - | 2 |
| 123 | 90-108 | XH123 | 3625 | 578 | 293 | 293 | 462 | 42 | 1080 | - | - | - | 2 |
| 90-144 | XV123 | 4540 | 800 | 374 | 374 | 660 | 53 | 1397 | - | - | - | 2 | |
| 150 | XV123 | 4988 | 861 | 419 | 419 | 704 | 54 | 1486 | - | - | - | 2 | |
| 145 | 108 | XH145 | 3625 | 578 | 293 | 293 | 462 | 41 | 1080 | - | - | - | 2 |
| 108-144 | XV145 | 4540 | 800 | 374 | 374 | 660 | 52 | 1397 | - | - | - | 2 | |
| 150 | XV145 | 4988 | 861 | 419 | 419 | 704 | 54 | 1486 | - | - | - | 2 | |
| 162-168 | XV145 | 5895 | 978 | 480 | 480 | 792 | 65 | 1741 | - | - | - | 2 | |
| 170 | 132-144 | XH170 | 4540 | 800 | 374 | 374 | 660 | 52 | 1417 | 400 | - | 160 | 3 |
| 132-180 | XV170 | 4988 | 861 | 419 | 419 | 704 | 56 | 1506 | 400 | - | 160 | 3 | |
| 192 | XV170 | 5895 | 978 | 480 | 480 | 792 | 69 | 1761 | 400 | - | 160 | 3 | |
| 245 | 180-192 | XM245 | 5895 | 978 | 480 | 480 | 792 | 65 | 1761 | 400 | - | 160 | 3 |
| 180-216 | XH245 | 7250 | 1156 | 586 | 586 | 924 | 82 | 2105 | 400 | - | 160 | 3 | |
| 180-198 | XV245 | 8613 | 1439 | 712 | 712 | 1166 | 100 | 2617 | 800 | 600 | 400 | 5 | |
| 210-228 | XV245 | 8613 | 1439 | 712 | 712 | 1166 | 97 | 2617 | 600 | - | 300 | 4 | |
| 300 | 216-240 | XH300 | 8613 | 1439 | 712 | 712 | 1166 | 101 | 2617 | 900 | 600 | 500 | 5 |
| 258-276 | XH300 | 8613 | 1439 | 712 | 712 | 1166 | 97 | 2617 | 900 | 600 | 500 | 6 | |
| 216-276 | XV300 | 9520 | 1556 | 773 | 773 | 1254 | 109 | 2872 | 900 | 600 | 500 | 5 | |
| 362 | 258-288 | XH362 | 9520 | 1556 | 773 | 773 | 1254 | 117 | 2872 | 1200 | 800 | 600 | 5 |
| 258-288 | XV362 | 11790 | 1956 | 960 | 960 | 1584 | 146 | 3533 | 1400 | 800 | 700 | 7 | |
| 420 | 330-360 | XH420 | 10875 | 1734 | 879 | 879 | 1386 | 130 | 3216 | 1400 | 800 | 700 | 5 |
| Ограничители для защиты нейтрали | |||||||||||||
| 52 | 30-36 | XN052 | 1363 | 283 | 126 | 126 | 242 | 19 | 481 | - | - | - | 1 |
| 72 | 42-54 | XN072 | 2270 | 400 | 187 | 187 | 330 | 29 | 736 | - | - | - | 1 |
| 100 | 60 | XN100 | 2270 | 400 | 187 | 187 | 330 | 30 | 736 | - | - | - | 1 |
| 123 | 72 | XN123 | 2270 | 400 | 187 | 187 | 330 | 28 | 736 | - | - | - | 1 |
| 75-120 | XN123 | 3625 | 578 | 293 | 293 | 462 | 43 | 1080 | - | - | - | 1 | |
| 145 | 84-120 | XN145 | 3625 | 578 | 293 | 293 | 462 | 42 | 1080 | - | - | - | 1 |
| 170 | 96-120 | XN170 | 3625 | 578 | 293 | 293 | 462 | 42 | 1080 | - | - | - | 1 |
| 245 | 108 | XN245 | 3625 | 578 | 293 | 293 | 462 | 41 | 1080 | - | - | - | 1 |
| 132-144 | XN245 | 4540 | 800 | 374 | 374 | 660 | 50 | 1397 | - | - | - | 2 | |
* Сумма выдерживаемых напряжений пустых модулей ограничителя.
Технические характеристики покрышек PEXLIM P
Линейные выводы
Выводы заземления
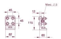
ПРИМЕЧАНИЕ! Вариант установочного чертежа 3 продолговатых отверстия (120°), диам. 14 с центрами на окружностях R111-127
Без изолирующего основания Алюминий
Изолирующее основание 1HSA430 000-А Эпоксидная смола
1HSA410 000-L Алюминий
1HSA420 000-А Нержавеющая сталь
1HSA420 000-B Нержавеющая сталь
1HSA410 000-M Алюминиевый флажок
с другими деталями из нержавеющей стали
1HSA410 000-N Алюминий
Болты M12 для крепления основания к фундаменту в комплект поставки не входят. Требуемая длина резьбы ~15-20 мм.
1HSA410 000-P Нержавеющая сталь
Отгрузочные данные PEXLIM P
|
Класс напря-
жения ОПН Ur кВ ср. кВ. |
Покрышка | Количество ограничителей PEXLIM P в одной общей упаковке | |||||
| Один | Три | Шесть | |||||
| Объем | Масса брутто | Объем | Масса брутто | Объем | Масса брутто | ||
| м3 | кг | м3 | кг | м3 | кг | ||
| 24 | XV024 | 0,1 | 42 | 0,5 | 86 | 0,9 | 152 |
| 30-36 | XV036 | 0,1 | 42 | 0,5 | 86 | 0,9 | 152 |
| 39 | XV036 | 0,5 | 52 | 0,5 | 116 | 0,9 | 212 |
| 42-72 | XV052 | 0,5 | 52 | 0,5 | 116 | 0,9 | 212 |
| 54-72 | XV072 | 0,5 | 52 | 0,5 | 116 | 0,9 | 212 |
| 75-84 | XV072 | 0,7 | 71 | 0,7 | 163 | 1,2 | 301 |
| 75-96 | XV100 | 0,7 | 71 | 0,7 | 163 | 1,2 | 301 |
| 90-120 | XH123 | 0,7 | 71 | 0,7 | 163 | 1,2 | 301 |
| 90-144 | XV123 | 0,9 | 87 | 0,9 | 201 | 1,5 | 372 |
| 150 | XV123 | 0,9 | 87 | 0,9 | 201 | 1,5 | 372 |
| 108-120 | XH145 | 0,7 | 68 | 0,7 | 154 | 1,2 | 283 |
| 108-144 | XV145 | 0,9 | 87 | 0,9 | 201 | 1,5 | 372 |
| 150 | XV145 | 0,9 | 87 | 0,9 | 201 | 1,5 | 372 |
| 162-168 | XV145 | 1,1 | 98 | 1,1 | 239 | 1,9 | 443 |
| 132-144 | XH170 | 0,9 | 89 | 0,9 | 207 | 1,5 | 384 |
| 150 | XH170 | 0,9 | 89 | 0,9 | 207 | 1,5 | 384 |
| 132-192 | XV170 | 1,1 | 102 | 1,1 | 251 | 1,9 | 443 |
| 192 | XM245 | 1,1 | 98 | 1,1 | 239 | 1,9 | 443 |
| 180-228 | XH245 | 1,1 | 115 | 1,1 | 290 | 1,9 | 545 |
| 180-198 | XV245 | 0,9 | 133 | 1,5 | 339 | - | - |
| 210-228 | XV245 | 0,9 | 133 | 1,5 | 339 | - | - |
| 216-264 | XH300 | 1,0 | 155 | 1,7 | 358 | - | - |
| 276 | XH300 | 1,0 | 155 | 1,7 | 358 | - | - |
| 216-276 | XV300 | 1,0 | 163 | 1,7 | 382 | - | - |
| 258-288 | XH362 | 1,6 | 207 | 2,3 | 435 | - | - |
| 258 | XV362 | 2,1 | 242 | 2,9 | 497 | - | - |
| 264-288 | XV362 | 2,1 | 258 | 2,3 | 545 | - | - |
| 330-360 | XH420 | 2,1 | 242 | 2,3 | 497 | - | - |
Ограничители для защиты нейтрали
| 30-36 | XN052 | 0,1 | 42 | 0,5 | 86 | 0,9 | 152 |
| 42-54 | XN072 | 0,5 | 52 | 0,5 | 116 | 0,9 | 212 |
| 60 | XN100 | 0,5 | 52 | 0,5 | 116 | 0,9 | 212 |
| 72 | XN123 | 0,5 | 52 | 0,5 | 116 | 0,9 | 212 |
| 75-120 | XN123 | 0,7 | 71 | 0,7 | 163 | 1,2 | 301 |
| 84-120 | XN145 | 0,7 | 71 | 0,7 | 163 | 1,2 | 301 |
| 96-120 | XN170 | 0,7 | 71 | 0,7 | 163 | 1,2 | 301 |
| 108-120 | XN245 | 0,7 | 71 | 0,7 | 163 | 1,2 | 301 |
132-144 XN245 0,9 87 0,9 201 1,5 372
Каждый упаковочный ящик содержит определенное количество модулей ОПН и дополнительные принадлежности для проведения сборки и монтажа. К каждому ящику снаружи прикрепляется упаковочный лист.
Каждый ящик пронумерован и все номера ящиков вместе с их содержимым указаны в отгрузочной спецификации.
АББ оставляет за собой право упаковывать ограничители в наиболее эффективной/экономичной комбинации. Поставка в нестандартной упаковке возможна за дополнительную плату. Бланк заказа.
• Значения в таблице следует рассматривать как примерные. Фактические значения могут отличаться.