+7 (351) 215-23-09


Наполнение сайта товарами, услугами, новостями и статьями

ШКАФЫ НАРУЖНОГО ОСВЕЩЕНИЯ ТИПА ШНО

Шкафы наружного освещения типа ШНО предназначены для приёма, учёта и распределения электрической энергии, а также защиты электрических установок при перегрузках и коротких замыканиях в осветительных сетях переменного тока частотой 50 Гц напряжением 380/220 В с глухозаземлённой нейтралью и служат для автоматического и ручного управления уличным освещением в вечернее и ночное время.

Конструкция шкафов предусматривает установку их на фундамент и крепление анкерными болтами или на опору ЛЭП для климатического исполнения У1 .

Ввод и вывод кабелей предусмотрены снизу шкафа.

Шкафы ШНО изготавливаются:

  • с аппаратурой автоматического управления наружным освещением по освещённости и по временным программам;
  • с аппаратурой ручного управления наружным освещением;
  • с аппаратурой каскадного управления от предыдущего участка;
  • с предохранителями на отходящих линиях;
  • с автоматическими выключателями на отходящих линиях.

Шкафы ШНО обеспечивают:

  • включение и отключение осветительной нагрузки по сигналу фотодатчика при достижении заданного уровня освещённости;
  • включение и отключение осветительной нагрузки в заданные периоды времени по программам, задаваемым реле времени;
  • ручное включение и отключение осветительной нагрузки кнопками, установленными на панели управления шкафа.

Основные параметры шкафов приведены в таблице 1.

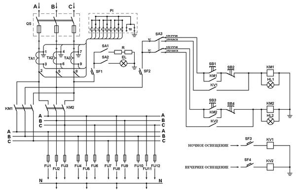
Габаритные размеры шкафов приведены на рисунках 1, 2, схемы электрические принципиальные - на рисунках 3 - 6.

Вид климатического исполнения - У1, УЗ по ГОСТ 15150-69.

Степень защиты шкафов ШНО климатического исполнения У1 - IP43, климатического исполнения УЗ - со стороны дна и задней стенки IP00, с остальных сторон - IP30 по ГОСТ 14254-96.

Средний срок службы шкафов - 25 лет.

Условия эксплуатации:

  • наибольшая высота над уровнем моря - не более 1000 м;
  • рабочий диапазон температуры окружающей среды: от минус 45 до плюс 40 °С;
  • тип атмосферы - II по ГОСТ 15150-69;
  • окружающая среда - не содержащая токопроводящей пыли, агрессивных газов и паров в концентрациях, снижающих параметры шкафов в недопустимых пределах;
  • шкафы не предназначены для установки и эксплуатации в сейсмоопасных, взрывоопасных и пожароопасных зонах.

Таблица 1

Наименование параметра

Значение параметра

Номинальное напряжение, В

380/220

Номинальный ток, А

100

Количество отходящих линий, шт:

-ночного освещения

-вечернего освещения

4

8

Номинальный ток отходящих линий, А:

-на предохранителях

-на автоматических выключателях

31,5-100

10-100

Условное обозначение

Габаритные размеры ШНО У3

Габаритные размеры ШНО У1

Рисунок З ШНО-1-1

Рисунок 4 ШНО-1-2

Рисунок 5 ШНО-2-1

Рисунок 6 ШНО-2-2