Вакуумный выключатель компании Driescher (соответствует стандарту EN 62271-100 (Выключатели переменного тока высокого напряжения)
Общие характеристики
Новые вакуумные выключатели компании Driescher представляют собой усовершенствованную модель выключателей 746 серии, которые уже хорошо зарекомендовали себя в работе.
Трехполюсные выключатели внутреннего использования разработаны для эксплуатации при номинальных значениях напряжения от 12 кВ до 38,5 кВ и номинальных значениях электротока от 630 до 2500 A.
Выключатели этой серии устанавливаются (монтируются) на переднюю панель.
Вариант: Конструктивное исполнение выключателей этой серии предусматривает их монтаж на переднюю панель.
| 12 кВ | 24 кВ * | 36 кВ ** | 38,5 кВ | |||||
| Номинальный ток отключения КЗ | 20 кА | 25 кА | 31,5 кА | 20 кА | 25 кА | 31,5 кА | 20 кА | 20 кА |
| Номинальный ток | ||||||||
| 630 A | ? | ? | ? | ? | ? | |||
| 1250 A | ? | ? | ? | |||||
| 1600 A | ? | |||||||
| 2000 A | ? | |||||||
| 2500 A | ? | ? | ||||||
* этот тип выключателя с максимальным рабочим напряжением 24 кВ, был проверен испытательным напряжением 25 кВ (Вкл\выкл проверка).
** этот тип выключателя с максимальным рабочим напряжением 36 кВ, был проверен с испытательным напряжением 38,5 кВ (Вкл\выкл проверка).
Условия эксплуатации выключателейВыключатели разработаны для работы в нормальных условиях в соответствии с требованиями IEC 62271-1, «минус 5 в закрытом помещении».
Максимальная температура окружающей среды + 40°C;
Средняя максимальная температура за 24 часа + 35°C.
Минимальная температура окружающей среды -15 °.
Значение электрической прочности изоляции соответствует стандарту DIN VDE 0671 (Часть 1 – в зависимости от уровня моря).
При работе установки на высотах до 1000 м над уровнем моря уменьшение сопротивления изоляции, незначительно и может не приниматься во внимание.
При работе на высоте более 1000 м над уровнем моря, необходимо корректировать значение изоляции с учетом пониженного давлении атмосферы (например, электрическая прочность изоляции на высоте свыше 2000 м над уровнем моря уменьшается на коэффициент 0,8).
Обслуживание выключателейСервисное обслуживание новых выключателей Driescher не требует значительных эксплуатационных затрат, кроме необходимости смазывания деталей исполнительного механизма. Рекомендуется также проводить визуальный осмотр и выборочную очистку поверхностей изоляции от пыли и других загрязнений.
Устройство и принцип действия вакуумного выключателяНовый вакуумный выключатель Driescher – усовершенствованная модель выключателей 746 серии, которые уже хорошо зарекомендовали себя в эксплуатации.
Оптимальный подбор комплектующих позволил обеспечить очень компактную конструкцию выключателя.
Поэтому диапазон применения этих выключателей очень широкий, и они в полной мере отвечает всем требованиям потребителя.
Новая, улучшенная механическая конструкция проста в обслуживании и гарантирует длительную работу.
Принципиальная схема и конструкция устройства

Основное оборудование:
Кнопка ВКЛ\ВЫКЛ (ON/OFF) зарядки (запуска, включения) механизма пружинного привода
Индикатор положения выключателя ВКЛ\ВЫКЛ (ON/OFF)
Индикатор состояния механизма пружинного привода
Счетчик операций срабатываний
Технические данные
| Ур | 12 кВ | 24 кВ | 36 кВ | 38,5 кВ | |
| Номинальная частота | 50 Гц | 50 Гц | 50 Гц | 50 Гц | |
| Номинальный ток | Ir | ... 2500 A | ...2500 A | ...1250 A | ...1250 A |
| Номинальный кратковременный ток | Iк | ...31,5 кА | ...31,5 кА | 20 кА | 20 кА |
| Продолжительность тока кз | tk | 3 с | 3 с | 3 с | 3 с |
| Номинальный ток электродинамической стойкости | ip | ...80 кА | ...80 кА | 50 кА | 50 кА |
| Максимально допустимое импульсное напряжение | 75 кВ | 125 кВ | 170 кВ | 180 кВ | |
| Номинальное выдерживаемое напряжение промышленной частоты | Ud | 28 кВ | 50 кВ | 70 кВ | 80 кВ |
| Время включения приблизительно. | мс | 65 | 65 | 65 | 65 |
| Время горения дуги | мс | <17 | <17 | <17 | <17 |
| Время отключения приблизительно. | мс | 60 | 65 | 70 | 70 |
| Постоянная составляющая тока | % | 23 | 23 | 23 | 23 |
| Номинальный ток отключения короткого замыкания | Isc | ...31,5 кА | ...31,5 кА | 20 кА | 20 кА |
| Номинальный ток срабатывания короткого замыкания (пиковый) | ...80 кА | ...80 кА | 50 кА | 50 кА | |
| Номинальный кабель, заряжающий ток отключения | Ic | 25 A | 31,5 A | 50 A | 50 A |
| Рабочие циклы | |||||
| - для вакуумной дугогасительной камеры при номинальном токе | 30.000 | 30.000 | 15.000 | 15.000 | |
| - для вакуумной дугогасительной камеры при номинальном токе отключения короткого замыкания | 100 | 100 | 100 | 100 | |
| - для привода выключателя | 10.000 | 10.000 | 10.000 | 10.000 | |
| Класс отключения зарядных токов | C2 | C2 | C2 | C2 | |
| Механическая жизнь | M2 | M2 | M2 | M2 | |
| Прикладной класс | S1 | S1 | S1 | S1 | |
Типы
V....F-BK – для установки на передней панели (ячейки), с ручной зарядкой механизма пружинного привода,
V.... KUF – для установки на передней панели (ячейки), с мотор-приводом механизма пружинного привода, предусмотрена автоматическая перезарядка.
Последовательность операций переключения:
O - 0,3s - CO - 15s - CO для механизированного привода (с мотор-приводом)
O - 3 минуты - CO для ручного взвода привода
Расшифровка обозначений вакуумных выключателей 747 серии
| Вакуумный выключатель Максимальное рабочее напряжение (12 кВ или 24 кВ) Номинальный ток (630 A или 1250 A) Номинальный ток отключения короткого замыкания (кА) Тип вакуумного выключателя (например, F-BK – для установки на передней панели (ячейки), с ручной зарядкой механизма пружинного привода; KUF – для установки на передней панели (ячейки), с мотор-приводом механизма пружинного привода, и с автоматической перезарядкой) | ![]() |

Вакуумные выключатели типа KUF оборудованы мотор-приводом исполнительного механизма и имеют функцию автоматической перезарядки.
Все выключатели также могут быть изготовлены в исполнении F-BK, то есть выключатели с ручным управлением. Все типы выключателей могут быть в однополюсном исполнении.
Вакуумный выключатель на 10 кВ

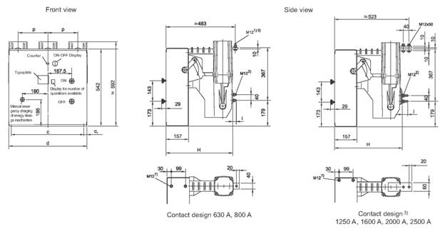
| Тип выключателя | Мак-симал-ьное рабочее напря-жение | Номи-наль-ный ток | Ном-инал-ьный ток отклю-чения корот-кого замы-кания | Меж-полюс-ное рас-стояние p (мм) | c | c1 | d | H | l | Вес при-бли-зите-льно (кг) | Часть № 4) | Номер чертежа. |
| V12-630-20 KUF | 12 кВ | 630 A | 20 кА | 155 | 420 | 23 | 460 | 464,5 | 25 | 100 | 747 0400x | LS3-103293 |
| V12-630-20 KUF | 12 кВ | 630 A | 20 кА | 210 | 510 | 23 | 550 | 464,5 | 25 | 103 | 747 1400x | LS3-103294 |
| V12-630-25 KUF | 12 кВ | 630 A | 25 кА | 1556) | 420 | 23 | 460 | 464,5 | 25 | 100 | 747 0401x | LS3-094237 |
| V12-630-25 KUF | 12 кВ | 630 A | 25 кА | 210 | 510 | 23 | 550 | 464,5 | 25 | 103 | 747 1401x | LS3-096848 |
| V12-800-20 KUF | 12 кВ | 800 A | 20 кА | 1556) | 420 | 23 | 460 | 464,5 | 25 | 102 | 747 0410x | LS3-103295 |
| V12-800-20 KUF | 12 кВ | 800 A | 20 кА | 210 | 510 | 23 | 550 | 464,5 | 25 | 105 | 747 1410x | LS3-105151 |
| V12-800-25 KUF | 12 кВ | 800 A | 25 кА | 1556) | 420 | 23 | 460 | 464,5 | 25 | 102 | 747 0411x | LS3-097092 |
| V12-1250-20 KUF | 12 кВ | 1250 A | 20 кА | 1556) | 420 | 23 | 460 | 470,5 | 29 | 105 | 747 0420x | LS3-103296 |
| V12-1250-20 KUF | 12 кВ | 1250 A | 20 кА | 210 | 510 | 23 | 550 | 470,5 | 29 | 110 | 747 1420x | LS3-103297 |
| V12-1250-25 KUF | 12 кВ | 1250 A | 25 кА | 1556) | 420 | 23 | 460 | 470,5 | 29 | 105 | 747 0421x | LS3-096849 |
| V12-1250-25 KUF | 12 кВ | 1250 A | 25 кА | 210 | 510 | 23 | 550 | 470,5 | 29 | 110 | 747 1421x | LS3-096850 |
| V12-2500-31,5 KUF 12 кВ | 2500 A | 31,5 кА | 250 | 500 | 60 | 620 | 482,5 | 38 | 112 | 747 9152x | LS3-104762 | |
Вакуумный выключатель 20 кВ

| Тип выключателя | Мак-симал-ьное рабочее напря-жение | Номи-наль-ный ток | Ном-инал-ьный ток отклю-чения корот-кого замы-кания | Меж-полюс-ное рас-стояние p (мм) | c1 | d | H | l | Вес при-бли-зите-льно (кг) | Часть № 4) | Номер чертежа. | |
| V24-630-20 KUF | 24 кВ | 630 A | 20 кА | 2255) | 540 | 23 | 580 | 464,5 | 25 | 107 | 747 3400x | LS3-103303 |
| V24-630-20 KUF | 24 кВ | 630 A | 20 кА | 250 | 500 | 60 | 620 | 464,5 | 25 | 110 | 747 4400x | LS3-103304 |
| V24-630-20 KUF | 24 кВ | 630 A | 20 кА | 275 | 640 | 20 | 680 | 464,5 | 25 | 113 | 747 5400x | LS3-103305 |
| V24-630-25 KUF | 24 кВ | 630 A | 25 кА | 2255) | 540 | 23 | 580 | 464,5 | 25 | 107 | 747 3401x | LS3-096851 |
| V24-630-25 KUF | 24 кВ | 630 A | 25 кА | 250 | 500 | 60 | 620 | 464,5 | 25 | 110 | 747 4401x | LS3-096852 |
| V24-630-25 KUF | 24 кВ | 630 A | 25 кА | 275 | 640 | 20 | 680 | 464,5 | 25 | 113 | 747 5401x | LS3-096853 |
| V24-800-20 KUF | 24 кВ | 800 A | 20 кА | 2255) | 640 | 23 | 580 | 470,5 | 29 | 109 | 747 3410x | LS3-103306 |
| V24-800-20 KUF | 24 кВ | 800 A | 20 кА | 250 | 540 | 60 | 620 | 476,5 | 38 | 112 | 747 4410x | LS3-103307 |
| V24-800-25 KUF | 24 кВ | 800 A | 25 кА | 2255) | 640 | 23 | 580 | 476,5 | 38 | 109 | 747 3411x | LS3-096854 |
| V24-800-25 KUF | 24 кВ | 800 A | 25 кА | 250 | 540 | 60 | 620 | 476,5 | 38 | 112 | 747 4411x | LS3-096855 |
| V24-1250-20 KUF | 24 кВ | 1250 A | 20 кА | 2255) | 540 | 23 | 580 | 470,5 | 29 | 113 | 747 3420x | LS3-103308 |
| V24-1250-20 KUF | 24 кВ | 1250 A | 20 кА | 250 | 500 | 60 | 620 | 470,5 | 29 | 118 | 747 4420x | LS3-103309 |
| V24-1250-20 KUF | 24 кВ | 1250 A | 20 кА | 275 | 640 | 20 | 680 | 470,5 | 29 | 123 | 747 5420x | LS3-103310 |
| V24-1250-25 KUF | 24 кВ | 1250 A | 25 кА | 2255) | 540 | 23 | 580 | 470,5 | 29 | 113 | 747 3421x | LS3-096856 |
| V24-1250-25 KUF | 24 кВ | 1250 A | 25 кА | 250 | 500 | 60 | 620 | 470,5 | 29 | 118 | 747 4421x | LS3-096857 |
| V24-1250-25 KUF | 24 кВ | 1250 A | 25 кА | 275 | 640 | 20 | 680 | 470,5 | 29 | 123 | 747 5421x | LS3-096858 |
| V24-1600-31,5 KUF | 24 кВ | 1600 A | 31,5 кА | 250 | 500 | 60 | 620 | 470,5 | 29 | 120 | 747 4432x | LS3-098808 |
| V24-1600-31,5 KUF | 24 кВ | 1600 A | 31,5 кА | 275 | 640 | 20 | 680 | 476,5 | 23 | 125 | 747 5432x | LS3-098809 |
| V24-2000-31,5 KUF | 24 кВ | 2000 A8) | 31,5 кА | 250 | 500 | 60 | 620 | 470,5 | 38 | 122 | 747 4442x | LS3-103312 |
| V24-2000-31,5 KUF | 24 кВ | 2000 A8) | 31,5 кА | 275 | 640 | 20 | 680 | 476,5 | 38 | 127 | 747 5442x | LS3-098812 |
| V24-2500-31,5 KUF | 24 кВ | 2500 A8) | 31,5 кА | 250 | 500 | 60 | 620 | 482,5 | 38 | 124 | 747 4452x | LS3-098811 |
| V24-2500-31,5 KUF | 24 кВ | 2500 A8) | 31,5 кА | 275 | 640 | 20 | 680 | 470,5 | 38 | 129 | 747 5452x | LS3-103313 |
Вакуумный выключатель 35 кВ

| Тип выключателя | Мак-симал-ьное рабочее напря-жение | Номи-наль-ный ток | Ном-инал-ьный ток отклю-чения корот-кого замы-кания | Меж-полюс-ное рас-стояние p (мм) | c | d | H | l | Вес при-бли-зите-льно (кг) | Часть нет. | Номер чертежа. |
| V36-630-20 KUF | 36 кВ | 630 A | 20 кА | 275 | 640 | 680 | 544,5 | 25 | 122 | 747 6403x | LS3-096859 |
| V36-630-20 KUF | 36 кВ | 630 A | 20 кА | 400 | 890 | 950 | 544,5 | 25 | 130 | 747 7403x | LS3-096861 |
| V36-1250-20 KUF | 36 кВ | 1250 A | 20 кА | 2755) | 640 | 680 | 550,5 | 29 | 126 | 747 6423x | LS3-096860 |
| V36-1250-20 KUF | 36 кВ | 1250 A | 20 кА | 400 | 890 | 950 | 550,5 | 29 | 134 | 747 7423x | LS3-096862 |
| V36-630-20 KUF | 38,5 кВ | 630 A | 20 кА | 2755) | 640 | 680 | 544,5 | 25 | 125 | 747 6402x | LS3-096863 |
| V36-630-20 KUF | 38,5 кВ | 630 A | 20 кА | 400 | 890 | 950 | 544,5 | 25 | 133 | 747 9403x | LS3-096865 |
| V36-1250-20 KUF | 38,5 кВ | 1250 A | 20 кА | 2755) | 640 | 680 | 550,5 | 29 | 129 | 747 6422x | LS3-096864 |
| V36-1250-20 KUF | 38,5 кВ | 1250 A | 20 кА | 400 | 890 | 950 | 550,5 | 29 | 137 | 747 9423x | LS3-096866 |
Вакуумные выключатели комплектуются рукояткой для зарядки механического привода.
Больше информации о вспомогательном оборудовании, которое прилагается к распределительному устройству, например, выдвижная тележка с мотор-приводом или без него, вспомогательная или сервисная тележка, можно найти в брошюре 785, панели переключения в выдвижном устройстве типа WEL или E2K, E3K
