+7 (351) 215-23-09


Наполнение сайта товарами, услугами, новостями и статьями

Выбор автоматического выключателя по способу монтажа

Рекомендуемый автоматический выключатель

Способ монтажа

Применение

Стационарный с передними выводами под кабель до 400 А

Коммутационные панели уменьшенной глубины и щиты настенного монтажа с доступом к выключателю и кабелем только с передней стороны

Вторичные распределительные щиты с монтажом выключателей на монтажной рейке, панели управления двигателями

Стационарный с задними резьбовыми выводами или задними выводами под шины

Распределительные щиты с передним доступом к выключателю и задним к кабельным присоединениям

Главные и вторичные распределительные щиты

Втычной с передними выводами для кабелей или шин до 400 А

Коммутационные панели уменьшенной глубины и щиты настенного монтажа с доступом к выключателю и кабелем только с передней стороны. Обеспечивает кратковременный перерыв в работе в случае повреждения и для обслуживания

Главные и вторичные распределительные щиты

Выдвижной с задними резьбовыми выводами или выводами под шины

Распределительные щиты с передним доступом к выключателю и задним к кабельным присоединениям, в которых предполагается подключение потребителей, где недопустим перерыв в работе или только на короткий период в случае повреждения

Главные и вторичные распределительные щиты при оперировании большими мощностями

Выдвижной с передними выводами под кабель или шины

Распределительные щиты ограниченной глубины с доступом к выключателю и кабелям только с передней стороны или при необходимости подготовки подключения дополнительной линии. Обеспечивает кратковременный перерыв в работе в случае повреждения или для обслуживания

Главные и вторичные распределительные щиты при оперировании большими мощностями, ограниченные в размерах

     

Дополнительно по теме

ВА-88

ВА-99

ВА-99М

ВА-99С

ВА-45

АПД

АВМ

Выбор автоматического выключателя по числу полюсов

Число полюсов выключателя зависит от типа применяемой системы заземления. При использовании 4-полюсных выключателей нейтральный полюс не должен размыкаться раньше или замыкаться после фазных полюсов.

Система TN-C

Нулевой защитный и нулевой рабочий проводники совмещены в одном проводнике PEN. Для обеспечения условий электробезопасности проводник PEN не должен иметь разрыв. Защита от напряжения прикосновения может быть выполнена только при условии:

где

Iа - ток защитного устройства,

Uo - номинальное напряжение относительно земли,

Zф-н - полное сопротивление петли фаза-ноль.

Система применяется в больших и средних электроустановках и имеет 4-проводную распределительную сеть.

В такой системе необходимо применять 3-полюсный

автоматический выключатель.

Система TN-C-S

Нулевой защитный и нулевой рабочий проводники совмещены в одном проводнике в части системы. Система применяется в малых и средних электроустановках. В той части, где произошло разделение проводника PEN на защитный проводник РЕ и нулевой рабочий проводник N необходимо применять 4-полюсный автоматический выключатель.

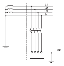
Система TN-S

Нулевой защитный и нулевой рабочий проводники разделены. Система применяется в средних электроустановках и должна иметь защиту от дифференциальных токов. В такой системе необходимо применять 4-полюсный автоматический выключатель.

Система ТТ

Открытые проводящие части электроустановки заземлены при помощи заземления, электрически независимого от заземлителя нейтрали.

В такой системе для защиты от косвенного прикосновения должно выполняться условие:

где

Ia - ток срабатывания защитного устройства (дифференциального выключателя),

Ra - суммарное сопротивление заземлителя и заземляющего проводника.

Система применяется в малых и средних электроустановках, когда условия электробезопасности в системе TN не могут быть обеспечены. В такой системе необходимо применять 4-полюсный автоматический выключатель.

Система IT

Открытые проводящие части электроустановки заземлены. Нейтраль источника изолирована от земли или заземлена через большое сопротивление. Система используется там, где недопустимо перерывание питания при первом замыкании на землю. Для сигнализации первого замыкания должны быть установлены приборы контроля изоляции без функции отключения. При втором замыкании на землю срабатывает расцепитель от сверхтока или дифференциальный расцепи-тель. В зависимости от потребителя необходимо применять 3- или 4 полюсные автоматические выключатели.