15. Рисунки с размерами
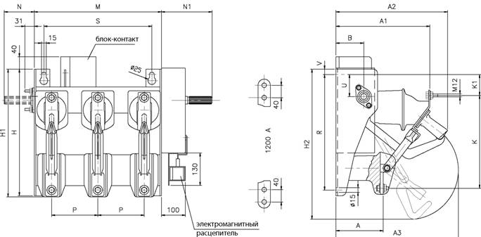
Выключатель нагрузки типа NAL 12, 17,5 и 24 кВ с пружинным механизмом

| Тип | A | A1 | A2 | A3 | B | H | H1 | H2 | K | K1 | M | N | N1 | P | R | S | U | V | |
| NAL 12-A/K | P=150 | 166 | 320 | 362 | 394 | 90 | 422 | 428 | 510 | 310 | 63 | 412 | 122 | 164 | 150 | 375 | 350 | 75 | 33 |
| NAL 12 | P=170 | 166 | 320 | 362 | 394 | 90 | 422 | 428 | 510 | 310 | 63 | 452 | 122 | 164 | 170 | 375 | 390 | 75 | 33 |
| NAL 12-A/K | P=210 | 166 | 320 | 362 | 394 | 90 | 422 | 428 | 510 | 310 | 63 | 532 | 122 | 164 | 210 | 375 | 470 | 75 | 33 |
| NAL 17 | P=170 | 225 | 375 | 418 | 511 | 98 | 534 | 577 | 600 | 44 1 | 87 | 452 | 122 | 164 | 170 | 500 | 395 | 90 | 18 |
| NAL 17 | P= | 225 | 375 | 418 | 511 | 98 | 534 | 577 | 600 | 441 | 87 | 532 | 122 | 164 | 210 | 500 | 475 | 90 | 18 |
| NAL 24-A/K | P=235 | 225 | 375 | 418 | 511 | 98 | 534 | 577 | 600 | 441 | 87 | 582 | 186 | 202 | 235 | 500 | 525 | 90 | 18 |
| NAL 24-A/K | P=275 | 225 | 375 | 418 | 511 | 98 | 534 | 577 | 600 | 441 | 87 | 662 | 186 | 202 | 275 | 500 | 605 | 90 | 18 |
*1250 A: размер A+2 мм
Выключатель нагрузки типа NAL 24 кВ с пружинным механизмом и изоляционными перегородками

| Предохранители | H1 | H4 | K2 | K4 | R1 | R2 | |
| кВ | длина | ||||||
| 3,6/7,2 | 192 | 848 | 710 | 722 | 598 | 275 | 50 |
| 292 | 948 | 810 | 822 | 698 | 375 | 150 | |
| 12 | 292 | ||||||
| 442 | 1098 | 960 | 972 | 848 | 525 | 300 | |
| Тип | Ml | S | |
| NALF 12 | P=150 | 412 [ | 350 |
| NALF 12 | P=170 t | 390 | |
| NALF 12 | P=210 | 5321 | 470 |

Комплект выключателя нагрузки с предохранителями типа NALF 12 кВ с пружинным механизмом
Комплект выключателя нагрузки с предохранителями типа NALF 17,5 кВ с пружинным механизмом

| Тип NALF24-4/6A/K170LE | a 202 | B 8401 | C 654 | D 174 | E |
| NALF24-4/6A/K170LEL | 1641 | 8021 | 616 | 139 | - |
| Тип предохранителя | Размеры | ||||
| 24 кВ | H1 | K2 | l| | R1 | |
| In [A] | |||||
| CEF | 6-63 | 1440 | 1075 | 4421 | 525 |
| 80-125 | 1445 | 1170 | 557 | 620 | |

Выключатель нагрузки с предохранителями типа NALF 24 кВ с пружинным механизмом и изоляционными перегородками
Комплект выключателя нагрузки с предохранителями типа NALF 24 кВ с пружинным механизмом

| Предохранители | H1 | H4 | K2 | K4 | R1 | R2 | Тип | M | S | ||
| кВ | длина | NALF 24 | Р=17О | 452 | 395 | ||||||
| 24 | 442 | 1084 | 1045 | 986 | 978 | 425 | 275 | NALF 24 | P=235 | 582 | 525 |
| 537 | 1284 | 1140 | 1090 | 10731 | 525 | 370 | NALF 24 | P=275 | 662 | 605 | |

Заземлитель с возможностью включения типа E12, устанавливаемый на плате с держателями предохранителей F12
Комплект выключателя нагрузки с предохранителями типа NALF 12, 17,5 и 24 кВ. Плата с держателями предохранителей с шестью изоляторами и двойными предохранителями
| Предохранители | H5 | |
| кВ | длина | |
| 3,6/7,2 | 192 | 462 |
| 292 | 562 | |
| 12 | 292 | 562 |
| 442 | 704 | |
| 17,5 | 292 | 563 |
| 442 | 706 | |
| 24 | 442 | 706 |
| 537 | 801 | |

Заземлитель с возможностью включения типа E12

Заземлитель с возможностью включения типа E12, устанавливаемый на выключателе нагрузки NAL 12
| кВ | M1l | M2 | S | |
| E12 | P=150 | 6811 | 428 | 350 |
| E12 | P=170 | 721 i | 468 | 390 |
| E12 | P=210 | 8011 | 548 | 470 |
Заземлитель с возможностью включения типа E17,5

| E 17,5 | M1 | M2 | S |
| Р=17О | 721 | 4681 | 395 |
| Р=21О | 801 | 5481 | 475 |
Заземлитель с возможностью включения типа E17,5, устанавливаемый на выключателе нагрузки NAL 17,5
Заземлитель с возможностью включения типа E17,5, устанавливаемый на плате с держателями предохранителей F 17,5
Заземлитель с возможностью включения типа E24/EL24 Р=17О с изоляционными перегородками

| Тип | Mi | N21 | N3 | |
| E24 | Р=17О | 808I | 166 | 174 |
| EL24 | Р=17О | 7211 | 114 | 139 |
Заземлитель с возможностью включения типа E24/EL24, устанавливаемый на выключателе нагрузки NAL24 P=170
Заземлитель с возможностью включения типа E24/EL24, устанавливаемый на плате с держателями предохранителей F24 P=170
Заземлитель с возможностью включения типа E24
| E 24 | M1 | M2 | S |
| Р=235 | 933 | 598 | 525 |
| Р=275 | 1013 | 678 | 605 |

Заземлитель с возможностью включения типа E24, устанавливаемый на выключателе нагрузки NAL 24
Заземлитель с возможностью включения типа E24, устанавливаемый на плате с держателями предохранителей F 24
Заземлитель с возможностью включения типа E12, E17,5 и E24 кВ, устанавливаемый на плате с держателями предохранителей с шестью изоляторами

Заземлитель с возможностью включения типа EB, устанавливаемый самостоятельно

А
| Тип | Al | Hi | K | R | U |
| EB12 | 2451 | 231 | 115 | 200 | 46 |
| EB17,5-24 | 3101 | 2451 | 90 | 175 | 21 |
Другие размеры: см. рис. 1YMX343538 (выше)
Заземлитель типа LCES 12 кВ

| Тип | M1l | M2| | S | Заземлитель типа LCES E12, устанавливаемый на NAL12 | Заземлитель LCES EF12, устанавливаемый на плате с держателями предохранителей F12 | |
| E 12 | P=150 I | 6811 | 4281 | 350 | ||
| E 12 | P=170 I | 721 | 390 | |||
| E 12 | P=210 1 | 8011 | 548 | 470 |
Заземлитель типа LCES 17,5 кВ

Заземлитель типа LCES E17, устанавливаемый на NAL17
| Тип | M1 | M2i | S | |
| E 17 | P=170 i | 721 | 468 | 395 |
| E 17 | P=210 i | 801 | 5481 | 475 |
Заземлитель LCES EF17, устанавливаемый на плате с держателями предохранителей F17
Заземлитель типа LCES 24 кВ

Заземлитель LCES EF24, устанавливаемый плате с держателями предохранителей F24
Заземлитель типа LCES E24, устанавливаемый на NAL 24
| Тип | M1 | M2 | S | |
| E 24 | P=235 | 9331 | 598 | 525 |
| E 24 | P=275 | 10131 | 678 | 605 |
Заземлитель типа LCES EB36, устанавливаемый самостоятельно

Стандартный ручной привод типа HE

Соединение привода типа HE с выключателем нагрузки под углом 90°
Корпус привода HE с карданным шарниром 1YMX053233M0001
Конусная передача 1YMX053362M0002
Корпус конусной передачи 1YMX343036M0001
Соединитель тяги компл. 1YMX000053M0001
Тяга (L=1,3 м) 1YMX000004M0003
Тяга (L=2 м) 1YMX000004M0004


Конечное положение ножа после отключения
5 8 2 41
2 X M Y
Выключатель нагрузки NALF 12 150 RE - пример оборудования

| Предохранители | Hi | H2 | H3 | K2 | R1 | ||
| кВ | A | e | |||||
| 7,2 | 4-100 | 192 | 848 | 772 | 1063 | 722 | 275 |
| 125-200 | 292 | 948 | 872 | 1163 | 822 | 375 | |
| 12 | 4-100 | 292 | 948 | 872 | 1163 | 822 | 375 |
| 125-200 | 442 | 1098 | 1022 | 1313 | 972 | 525 | |
NAL 36 кВ
EB 36

NAL 36 + EB 36

NALF 36 + EB со стороны оси вращения

Выключатель нагрузки VersaRupter 61 i<A

NALF 36 + EB со стороны неподвижных контактов

Выключатель нагрузки типа VersaRupter с пружинным механизмом

| Тип | A | A1 | A2 | A3 | Bl | H | H1 | H2 | K | K1 | M | N | N1 | P мм/ дюймы | R | S | U | V |
| 4,73 kV 200/600/1200 A | 166 | 320 | 362 | 394 | 90 | 422 | 428 | 510 | 310 | 63 | 532 | 122 | 164 | 210/8,25 | 375 | 470 | 75 | 33 |
| 12-13,8 kV 200/600/1200 A | 225 | 375 | 418 | 511 | 98 | 534 | 577 | 600 | 441 | 87 | 452 | 122 | 164 | 170/6,69 | 500 | 395 | 75 | 33 |
| 12-16,8 kV 200/600/1200 A | 225 | 375 | 418 | 511 | 98 | 534 | 577 | 600 | 441 | 87 | 582 | 186 | 202 | 235/9,25 | 500 | 525 | 90 | 18 |
| 22,9-24,9 kV 600/800 A | 225 | 375 | 418 | 511 | 98 | 534 | 577 | 600 | 441 | 87 | 622 | 186 | 202 | 275/10,8 | 500 | 605 | 90 | 18 |
| 34,5 kV 200/600/1200 A | 370 | 530 | 675 | 850 | 123 | 700 | — | 870 | 665 | - | 928 | 265 | 265 | 360/14,1 | 650 | 870 | - | - |
*1250 A: размер A+2 мм