ИВЕЖ. 6742Ш7-01 РЗ
ПРИЛОЖЕНИЕ А
(обязательное) А

ГАБАРИТНЫЕ, УСТАНОВОЧНЫЕ, ПРИСОЕДИНИТЕЛЬНЫЕ РАЗМЕРЫ И КОНСТРУКЦИЯ РАЗЪЕДИНИТЕЛЕЙ Расположение отверстий для крепления в разъединителе
Рис. А.1 Полюс разъединителя

Рисунок А2. Разъединитель однополюсный

Рисунок А.5. Возможные комбинации двигательных и ручных приводoв для управления главными ножами и заземлителями

Рисунок А. 4. Механизм ведущей передачи главных ножей разъединителей

Рисунок А.5 Механизм управления заземлителями (заземлитель включен)

1 - привод ПД-Н-00УХЛ1; 11 - кронштейн; 14, 37 - приводной бал; 28,43 - болт; 29 - гайка; 30 - шайба 10.65Г; 33-привод ПД-14-01 УХШ; 31 - скоба; 35,40,50 - колодка; 38 - шпилька; 84 - гайка М12; 85 - шайба 12.65Г; 86 - шайба
Рисунок А. 7. Крепление двигательных приводов к кронштейну

Рисунок А.8 Крепление кронштейна к ведущему полюсу.

Рисунок А. 9. Изолятор С6-950 I М УХ/II

Рисунок А.10. Изолятор С6-950 II И УХЛ1

Рисунок А.11. Заземляющий контур на ток электродинамической стойкости 80 кА

Рисунок А.12. Заземляющий контур на ток электродинамической стойкости 100 кА

Рисунок А.13.

Контакт заземляющего контура.
56 - пластина контактная;
57- рычаг;
58- гибкая связь;
59- кожух;
60- ось;
61 - подшипник;
62 - пружина;
65 - упор,
91 - скоба магнитного замка;
92 - скоба магнитного замка.

Рисунок А. 14 Механическая блокировка.
10- заземлитель
16- цоколь
17- фиксатор
39- прокладка
67- гайка М16
68- шайба 16.65Г
69- шайба А16х1

Рисунок А.15 Крепление фиксатора.

Рисунок А. 16. Нож контактный с ламелями на номинальный ток 1000А.


4- изолятор; 8- контакт заземляющего контура; 9- вывод контактный; 59- прокладка; 68- шайба 16.658; 69- шайба М6х1; 18- основание;
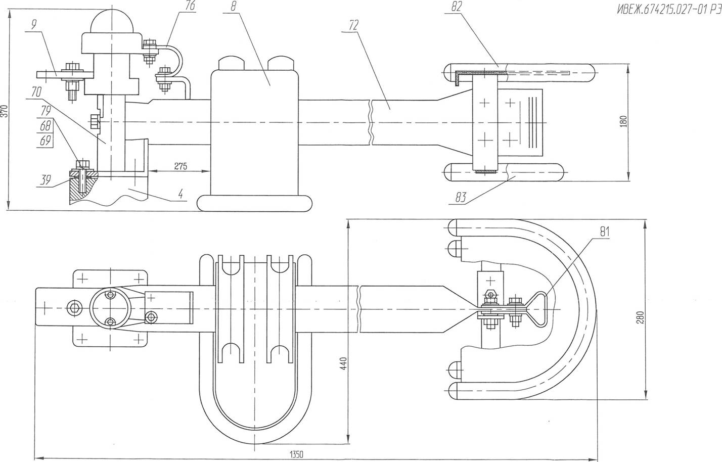
72- труба; 81- кулачек; 16- связь гибкая; 82- экран; 85- экран; 19- болт М16-6дх50.

Рисунок А.17. Нож контактный с кулачком на номинальный ток 1000А.

Рисунок А.18 Нож контактный с ламелями на номинальный ток 2000А.

Рисунок А.19. Нож контактный с на номинальной ток 2000

4 - изолятор; 8 - контакт заземляющего контура; 9 - вывод контактный; 59 - прокладка; 70 - основание; 17 - труба; 81 - кулачок; 16 - связь гибкая; 82 - экран; 83 - экран; 79 - болт М16-69х30; 68 - шайба 16.65Г; 69 - шайба 116x1.

Рисунок А.20. Разъёмный контакт.

Рисунок А.21 Схема строповки цоколя разъединителя.

Рисунок А.22. Установка направляющих втулок для засверливания отверстий в валах.
19,20 -приводной вал, 29-гайка М10, 47-колодка, 111 - втулка

Рисунок А.23.
Изолятор ОСК-8-220/950-А-2-УХЛ1

| Обозначение | Наименование | Кол. |
| SQ1 | Переключающее устройство привода для управления главными ножами | 1 |
| SQ2, SQ3 | Переключающее устройство привода для управления заземлителей | 2 |
| У1, УG1, УG2 | Замок электромагнитной блокировки ЗБ-1МУХЛ1 | 3 |
Рисунок А.24. Схема электромагнитной блокировки разъединителя при управлении главными ножами ручным или двигательным приводом и при управлении заземлителями ручными приводами