Устанавливаемые на электроэнергетических объектах источники бесперебойного питания должны отвечать требованиям ГОСТ 27699 — 88 и ГОСТ 50745 — 95, а их производство сертифицировано по стандарту ISO9001. Основными задачами источников бесперебойного питания в системе бесперебойного питания являются:
обеспечение питания ответственных потребителей на время не менее 15 мин при нарушениях в работе электрической сети;
повышение качества электрической энергии, получаемой от питающей сети и поступающей к ответственным потребителям;
создание гальванической развязки электрическая сеть — ответственный потребитель для решения вопросов электрической безопасности.
ИБП в составе систем бесперебойного питания должны:
работать в широком диапазоне изменения входного напряжения (не менее ±15 %);
иметь как можно более близкое к единице значение коэффициента входной мощности, что позволяет наиболее корректно работать совместно с дизель-генераторные установками;
иметь высокую перегрузочную способность (не менее 200 % в течение 1 мин и 1 25 % в течение 1 0 мин) и устойчивость к большим фазовым перекосам;
иметь коэффициент гармонических искажений на входе не более 8 %;
иметь КПД не ниже 92 — 94 %;
иметь в своем составе (или иметь возможность подключить) разделительный трансформатор;
иметь возможность параллельного включения однотипных систем;
при переходе на питание от аккумуляторной батареи переключаться без разрыва синусоиды (система on-line);
иметь удобную и гибкую систему управления;
использовать высококачественные герметичные необслуживаемые свинцово-цинковые кислотные аккумуляторные батареи со сроком службы до 1 0 лет;
обладать развитым программным обеспечением (мониторинг, автоматическое управление локальной вычислительной сетью, удаленное оповещение);
быть удобными в обслуживании и ремонте.
Источники бесперебойного питания, работающие в составе систем бесперебойного питания (или СБГЭ) предъявляют определенные требования к сетям, нагрузке, вспомогательным системам, помещениям и т.д., в том числе:
к сетям и нагрузке;
питающая сеть до источников бесперебойного питания выполняется 3-х фазной 4-х или 5-ти проводной с номинальным напряжением до 380 В;
питающая сеть от источников бесперебойного питания до групповых распределительных щитков выполняется 3-х фазной 5-ти проводной с номинальным напряжением 380 В;
распределительная сеть от групповых щитков до токоприемников должна быть однофазной, 3-х проводной;
потери напряжения в распределительных сетях от источников бесперебойного питания до самого удаленного токоприемника не должны превышать
3,0 %;
нагрузка по фазам должна быть распределена равномерно. К системе пожаробезопасности:
электропомещения систем бесперебойного питания по пожарной опасности относятся к категории «Г»;
специальных требований к системе пожаротушения в помещении, где размещается оборудование систем бесперебойного питания не предъявляется.
К системе заземления и зануления:
заземления должны объединять в себе функции трех систем — системы защитного заземления; системы технологического заземления; системы заземления молниезащиты;
на объектах с источниками бесперебойного питания для измерительной техники и средств связи должны быть выполнены две системы заземления — защитное и технологическое (рабочее); защитное и технологическое заземления могут быть выведены на одно заземляющее устройство;
действующее значение тока в нулевом проводе в выделенных сетях с компьютерами в 1,5—1,8 раза превосходит ток в фазном проводе, поэтому сечение нулевого провода должно определяться по нагреву согласно ПУЭ гл. 1.3 и в любом случае должно быть не менее сечения фазного провода;
все металлические, нормально не находящиеся под напряжением части электроустановки, должны быть присоединены к защитному заземлению;
средства информационных технологий (компьютеры, серверы и т.п.) должны быть присоединены к системе технологического заземления;
в качестве заземлителей технических средств измерительной техники, связи и информационных технологий рекомендуется использовать искусственные заземлители; не следует использовать трубопроводы, водоводы и оболочки кабелей, выходящие за пределы контролируемой зоны;
при отсутствии особых требований предприятий-изготовителей сопротивление заземляющего устройства не должно превышать 4 Ом в любое время года.
К помещениям для размещения источников бесперебойного питания и аккумуляторных батарей:
ИБП должны размещаться в специально подготовленных помещениях; подготовка помещений производится в соответствии с требованиями ПЭУ гл. 4.3, а также требованиями технической документации предприятий-изготовителей;
при подготовке помещений для размещения аккумуляторных батарей необходимо учитывать, что в системах бесперебойного питания используются герметичные необслуживаемые свинцовые (свинцово-цинковые) кислотные батареи;
в соответствии с требованиями ПУЭ п. 4.4.30 герметичные аккумуляторные батареи источников бесперебойного питания могут устанавливаться в общих производственных невзрыво- и непожароопасных помещениях при условии установки над ними вентиляционного зонта; при этом класс помещений в отношении взрыво- и пожароопасности не изменяется;
помещения аккумуляторных батарей должны быть изолированы от попадания в них пыли, испарений и газа, а также от проникновения воды через перекрытия и легко доступны для обслуживающего персонала;
системы водяного отопления в пределах помещений с аккумуляторными батареями должны выполняться гладкими трубами, соединенными сваркой; фланцевые соединения и установка вентилей на системах отопления в пределах таких помещений не допускается;
помещения с установленными в них герметичными аккумуляторными батареями относятся к производствам категории «Г» и должны размещаться в здания не ниже II степени огнестойкости по противопожарным требованиям; двери и оконные рамы этих помещений могут быть деревянными;
помещения аккумуляторных батарей допускается выполнять без естественного освещения; допускается также размещение аккумуляторных батарей в сухих подвальных помещениях.
К системам вентиляции и кондиционирования:
используемые технологические системы кондиционирования должны обеспечивать круглосуточный и круглогодичный режим фильтрации воздуха, вентиляции и охлаждения помещения при эксплуатации в диапазоне температур наружного воздуха от —35 до +40 °С;
системы кондиционирования должны обладать автономным режимом охлаждения, который обеспечивает эксплуатацию оборудования при отключении основного питания в течение заданного времени;
в проектах должны использоваться энергосберегающие системы кондиционирования;
в помещениях для аккумуляторных батарей необходимо обеспечивать кондиционирование воздуха для круглогодичного обеспечения температуры в интервале от 15 до 25 °С и влажности до 85 % (при температуре свыше 25 °С резко снижается срок службы батарей, а при температуре ниже 15 °С снижается емкость батарей).
К защите от несанкционированного доступа:
все помещения систем бесперебойного питания должны быть защищены от несанкционированного доступа, должны иметь закрывающиеся на замок двери и быть оборудованы охранной сигнализацией.
Выбор типа источников бесперебойного питания производится на стадии разработки проектной рекомендации на системы бесперебойного питания. Основную часть рынка источников бесперебойного питания мощностью свыше 10 кВ-А, позволяющих решать основные задачи системы бесперебойного питания, составляют источники бесперебойного питания с двойным преобразованием типа «on-line». Фирмой АРС (США) выпускаются мощные источники бесперебойного питания серии Silcon DP300E, построенные по новой технологии дельта-преобразования.
Традиционные источники бесперебойного питания с двойным преобразованием тока с управляемым тиристорным выпрямителем успешно используются более 20 лет. Технология двойного преобразования отработана и системы достаточно надежны, однако они обладают тремя существенными недостатками:
являются причиной негармонических искажений тока в магистральной электрической сети и, таким образом, потенциально могут вызывать нарушение работы другого оборудования, соединенного с магистральной электрической сетью;
вносят дополнительную реактивную составляющую, снижая коэффициент мощности сети cos;
имеют значительные энергетические потери, так как принципом получения выходного переменного тока является первичное преобразование в форму постоянного тока, а затем снова преобразование в форму переменного тока, поставляемого ответственному потребителю (обычно около 10 % энергии теряется в процессе такого двойного преобразования).
Новый принцип преобразования (Delta-conversion), разработанный и запатентованный (Patent Direction in Copenhagen № 157274 от 30.04.90) фирмой Silcon (подразделение фирмы АРС), лишен указанных недостатков. Существенным отличием нового принципа преобразования является прохождение переменного тока от магистральной сети через первичную обмотку дельта-трансформатора в нагрузку.

Рис. Принципы преобразования:
а — двойное преобразование; б — дельта — преобразование
Источники бесперебойного питания, использующие дельта-преобразование, не вносят собственных нелинейных искажений в питающую электросеть. Более того, они защищают ее от нелинейных искажений. Сравнение источников бесперебойного питания с двойным и дельта-преобразованием показывает:
1. источники бесперебойного питания с дельта-преобразованием по целому ряду технических параметров (КПД, входной коэффициент мощности, генерация гармоник тока на входе, перегрузочная способность и других) существенно превосходят традиционные источники бесперебойного питания .
2. источники бесперебойного питания с дельта-преобразованием имеют практически идеальную электромагнитную совместимость с сетями и дизель-генераторами. Чтобы соответствовать источникам бесперебойного питания с дельта-преобразованием, источники бесперебойного питания двойного преобразования должен быть дополнительно оборудован на своем входе компенсатором коэффициента мощности и гармоническим фильтром и иметь в своем составе двенадцатиимпульсный выпрямитель. При этом традиционный источник будет значительно уступать источникам бесперебойного питания с дельта-преобразованием по стоимостным характеристикам.
3. Для источников бесперебойного питания двойного преобразования при работе с дизель-генераторные установками мощность генератора должна в 3 — 5 раз превышать мощность источника. В случае применения источников бесперебойного питания с дельта-преобразованием диапазон указанного параметра составляет от 1 до 2.
4. При работе генератора с источниками бесперебойного питания с дельта-преобразованием генератор может нагружаться постепенно (плавный старт осуществляется за счет программного изменения входного тока). При работе с традиционным источниками бесперебойного питания имеет место скачкообразный наброс нагрузки на генератор.
5. Источники бесперебойного питания с дельта-преобразованием, по сравнению с источниками бесперебойного питания с двойным преобразованием, значительно сильнее ослабляет гармоники напряжения как со стороны входа, так и со стороны выхода.
6. ИБП с дельта-преобразованием по сравнению с традиционными источниками существенно более экономичен в эксплуатации.
Для сравнения в таблице ниже приведены эксплуатационные характеристики источников бесперебойного питания с двойным преобразованием и с дельта-преобразованием. В таблице приведена техническая характеристика источников бесперебойного питания типа DP300E. Номенклатурный ряд данного типа источников бесперебойного питания включает десять единиц. Все источники DP300E работают от трехфазной сети напряжением 380 В (в диапазоне 304 — 437 В), с трехфазным выходом на напряжение 380 В.
Эксплуатационные параметры источников бесперебойного питания с двойным преобразованием и с дельта-преобразованием
| Базисные параметры | источники бесперебойного питания с двойным преобразованием | источники бесперебойного питания с дельта- преобразованием |
| Истинная функция on-line | Да | Да |
| Функция двухстороннего фильтра | Да | Да |
| Генерация гармоник тока на входе | До 30 % | Нет |
| Близость входного коэффициента мощности к 1 | При использовании дополнительного оборудования | Да |
| Энергетические потери системы мощностью до 10 кВ-А | 10-15 % | До 5 % |
| Энергетические потери системы мощностью от 10 до 100 кВ-А | 8-12 % | До 4 % |
| Энергетические потери системы мощностью свыше 100 кВ-А | 6,5-10 % | До 3 % |
| Возможность работы на полностью нелинейную нагрузку | Да | Да |
| Превышение мощности для ДГУ | 3 — 5 раз | 1 — 2 раза |
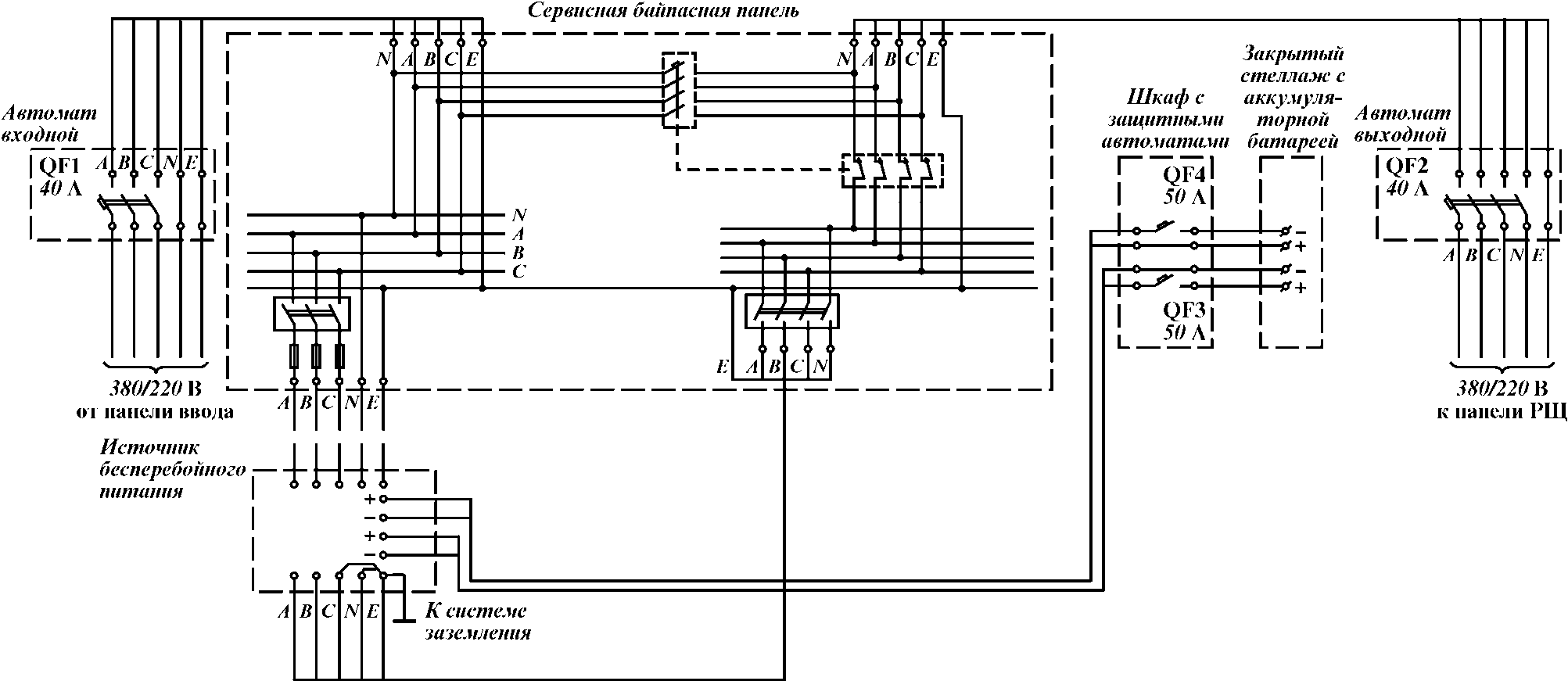
Разброс выходного напряжения составляет: при статической симметричной нагрузке ±1 %, при статической асимметричной нагрузке ±3 %. Источники DP300E предполагают возможность подключения в параллель до десяти устройств. Это дает возможность при необходимости наращивать или создавать резервный запас мощности системы. Специальный интеллектуальный контроллер обеспечивает высокую эффективность работы параллельной системы за счет перевода в часы малой нагрузки части устройств в режим ожидания, а при увеличении мощности нагрузки автоматически и без перерыва в подаче питания ввода «ожидающих» устройств в работу. На рис. 2 приведена типовая принципиальная электрическая схема источника, построенная по принципу СБГЭ и реализованная фирмой «ТехноСерв А/С» в проектах. На рис. 3 представлена принципиальная электрическая схема подключения системы бесперебойного питания.

Рис. 2. Типовая принципиальная электрическая схема СБГЭ:
N — нейтральный провод; О — заземление

Рис. 3. Принципиальная электрическая схема подключения системы бесперебойного питания