Электрические сети
Служба подстанций
ИНСТРУКЦИЯ
по техническому обслуживанию щитов переменного тока
СОДЕРЖАНИЕ
| Нормативные ссылки. | |
| 1 | Источники и сети переменного тока. |
| 2 | Устройство щитов, сетей переменного тока до 1000В. |
| 3 | Обслуживание источников и сети переменного тока. |
| 4 | Меры безопасности. |
Знание настоящей инструкции обязательно для:
1. Начальника, мастера группы подстанций.
2. Оперативного и оперативно – производственного персонала групп подстанций.
Настоящая инструкция составлена на основании действующих:
ГКД 34.20.507—2003 Техническая эксплуатация электрических станций и сетей. Правила. Правила устройства электроустановок (ПУЭ), изд. 6-е, перераб. и доп. — Г.: Энергоатомиздат, 1987; ДНАОП 1.1.10-1.01-97 Правила безопасной эксплуатации электроустановок; ГКД 34.20.302-2002 „Нормы испытания электрооборудования”.
На электрических подстанциях 35 – 110 кВ для электропитания вспомогательных механизмов, агрегатов и других потребителей собственных нужд (с. н.) применяются довольно развитые схемы электрических соединений. Основными потребителями собственных нужд являются: оперативные цепи переменного и выпрямленного тока; система охлаждения трансформаторов; устройства регулирования напряжения под нагрузкой (РПН); зарядные и подзарядные агрегаты аккумуляторных батарей; освещение (аварийное, внутреннее, наружное, охранное); устройства связи и телемеханики; насосные установки (пожаротушения, хозяйственные, технического водоснабжения); устройства электроподогрева помещений аккумуляторных батарей, выключателей, отделителей и их приводов, КРУН, различных шкафов наружной установки; дистилляторы, вентиляция и др.

Рисунок №1. Схема присоединения собственных нужд при наличии на подстанции переменного и выпрямленного оперативного тока.
При выборе схем электрических соединений предусматриваются меры, повышающие их надежность: установка на подстанции не менее двух трансформаторов с. н. (обычно не больше 560 или 630 кВА); секционирование шин собственных нужд; применение автоматического ввода резерва (АВР) на секционном выключателе; резервирование со стороны высшего напряжения (с. н.) и др.
На рисунке 1,2 показаны схемы с. н. подстанций, применяемые в зависимости от вида оперативного тока. При переменном и выпрямленном токе рекомендуется схема (рис. 1), согласно которой предусматривается непосредственное подключение трансформаторов с. н. к обмоткам низшего напряжения главных трансформаторов. Такое подключение обеспечивает питание сети оперативного тока и производство операций выключателями при отключении шин 6—10 кВ. При постоянном оперативном токе наибольшее распространение имеет схема, показанная на рис. 2, когда трансформаторы с. н. непосредственно подключаются к шинам 6— 10 кВ.

Рисунок №2. Схема присоединения собственных нужд при наличии на подстанциях с постоянным оперативным током.
Обычно на подстанциях устанавливают один – два трансформатора с. н., но при наличии особо ответственных потребителей может предусматриваться резервный трансформатор собственных нужд.
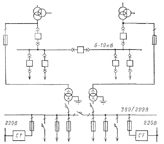
На подстанциях 110 кВ и мощных подстанциях 35 кВ нормально устанавливают два трансформатора собственных нужд, присоединяя их к шинам вторичного напряжения 6—10 кВ подстанции. На рисунке 3 показано присоединение рабочего (резервного) трансформаторов собственных нужд, из которых один нормально находится в работе.
Присоединение к сборным шинам обоих трансформаторов через один разъединитель и один комплект предохранителей выполнено с целью уменьшения числа ячеек распределительного устройства.

Рисунок №3. Схема подключения ТСН через один разъединитель
Если отходящие линии подстанции реактированы, то перед трансформаторами собственных нужд реакторы не устанавливают.
Мощность каждого трансформатора должна быть достаточна для покрытия нормальной длительной нагрузки собственных нужд подстанции. В случае совпадения во времени работы механизмов двух каких-либо хозяйств подстанции (например, работа механизмов масляного хозяйства при одновременной зарядке аккумуляторной батареи и т. п.) нагрузка должна покрываться обоими трансформаторами.
На небольших и средних подстанциях без постоянного дежурного персонала постоянного расхода электроэнергии на собственные нужды обычно нет. На таких подстанциях имеется только электроосвещение, которым пользуются при осмотрах и ремонтах.
Мощность, потребляемая на собственные нужды подстанций, обычно не превышает 50 – 200 кВт (последнее при наличии крупной трансформаторной ремонтной мастерской и масляного хозяйства). Несколько больше может быть расход мощности при наличии на подстанции синхронных компенсаторов. В ряде случаев от установки собственных нужд подстанции питается также жилой поселок при ней. Наиболее ответственными механизмами собственных нужд подстанций на переменном токе являются вентиляторы искусственного охлаждения мощных трансформаторов. Все остальные ответственные потребители собственных нужд подстанции постоянно питаются от аккумуляторных батарей или резервируются от них (как аварийное освещение). На подстанциях с установленными электромагнитными приводами на стороне высшего напряжения и при отсутствии аккумуляторной батареи устанавливается трансформатор на питающей линии (рис.4).


Рисунок №4. Подстанция с одним трансформатором СН.
На сравнительно небольших понижающих подстанциях 35 кВ с вторичным напряжением 6 – 10 кВ для питания собственных нужд устанавливают, один трансформатор с вторичным напряжением 380/220 – рисунок №4. В случае необходимости резервирование питания может осуществляться от ближайшей городской или заводской сети, с напряжением которой и должно быть согласовано вторичное напряжение трансформатора собственных нужд.