Электрические сети
Служба подстанций
ИНСТРУКЦИЯ
по техническому обслуживанию щитов постоянного (оперативного) тока
С О Д ЕРЖАНИЕ
| Нормативные ссылки. | |
| 1 | Потребители оперативного тока |
| 2 | Источники и сети постоянного оперативного тока |
| 3 | Источники и сети переменного и выпрямленного оперативного тока |
| 4 | Распределение оперативного тока на подстанциях |
| 5 | Обслуживание источников и сети оперативного тока |
| 6 | Меры безопасности |
Знание настоящей инструкции обязательно для:
1. Начальника, мастера группы ПС.
2. Оперативного и оперативно – производственного персонала групп ПС.
Настоящая инструкция составлена на основании действующих:
ГКД 34.20.507—2003 Техническая эксплуатация электрических станций и сетей. Правила. Правила устройства электроустановок (ПУЭ), изд. 6-е, переработанное и дополненное — Г.: Энергоатомиздат, 1987; ДНАОП 1.1.10-1.01-97 Правила безопасной эксплуатации электроустановок; ГКД 34.20.302-2002 „Нормы испытания электрооборудования”.
1. Потребители оперативного тока.
Для питания приборов и аппаратов управления, сигнализации, защиты, автоматики, телемеханики и связи применяют так называемый оперативный ток. Он может быть постоянным, выпрямленным и переменным напряжением 24, 36, 48, 110, 220 В. Оперативный постоянный ток применяется на подстанциях 330 кВ и выше, подстанциях 110 – 220 кВ с числом выключателей три и более и на всех подстанциях с воздушными выключателями, синхронными компенсаторами и принудительной системой охлаждения трансформаторов. На подстанциях с оперативным постоянным током для повышения надежности на менее ответственных присоединениях (компрессорные, насосные, блокировка разъединителей и т. д.) одновременно используется также переменный и выпрямленный ток. В ряде случаев вторичные устройства питаются от первичной сети, если установка аккумуляторных батарей нецелесообразна.
Система оперативного тока состоит из источников питания и распределительной сети, от которой питаются ее потребители. Потребителей оперативного постоянного тока условно можно подразделить на следующие группы:
2. Источники и сети постоянного оперативного тока
На подстанциях для питания оперативных цепей постоянного тока используются, как правило, кислотные аккумуляторные батареи. Стационарные аккумуляторные батареи составляют из отдельных аккумуляторов, обычно соединенных последовательно.
Аккумулятором называют вторичный химический источник тока, работа которого заключается в накоплении электрической энергии (заряд) и отдаче этой энергии потребителю (разряд).
Аккумулятор характеризуется емкостью, ЭДС, зарядным и разрядным токами. Номинальной емкостью аккумулятора (в ампер-часах) является его емкость при 10-часовом разряде и нормальной температуре (25 °С) и плотности (1,21 г/см3) электролита.
На небольших подстанциях при отсутствии значительных толчковых нагрузок и резких колебаний в сети оперативного тока (при включении выключателей и т. д.) применяют переносные стартерные аккумуляторные батареи небольшой емкости напряжением 24 и 48 В.
Аккумуляторные батареи являются наиболее надежным источником питания вторичных устройств, так как они обеспечивают независимое (автономное) питание оперативных цепей при исчезновении напряжения переменного тока.
В аварийном режиме батареи принимают нагрузку всех электроприемников постоянного тока, обеспечивая действие релейной защиты и автоматики, а также возможность включения и отключения выключателей. Предельная продолжительность аварийного режима принимается равной 0,5 ч для всех электроприемников и цепей оперативного постоянного тока, а для средств связи и телемеханики 1 – 2 ч. Таким образом, обеспечивается наличие оперативного тока в течение времени, необходимого для ликвидации аварии (0,5 – 2,0ч).
Применение аккумуляторных батарей ограничено из-за их высокой стоимости и сложности эксплуатации. Поэтому они устанавливаются на наиболее крупных подстанциях.
В настоящее время для заряда аккумуляторов используют статические выпрямительные устройства, называемые зарядными агрегатами. На старых подстанциях пока продолжает эксплуатироваться значительное количество двигателей-генераторов.
При эксплуатации электрическая энергия, накопленная в аккумуляторе, непрерывно расходуется. Для ее пополнения служат подзарядные агрегаты, в качестве которых также могут быть использованы двигатели-генераторы и статические выпрямительные устройства. Мощность подзарядных агрегатов обычно составляет 20—25 % мощности зарядных агрегатов. В ряде случаев один и тот же агрегат может выполнять функции зарядного и подзарядного агрегата.
Двигатели-генераторы состоят из приводного асинхронного электродвигателя и генератора постоянного тока с параллельным возбуждением. Обе машины устанавливаются на одной раме, а их валы соединяются эластичной муфтой. При заряде аккумуляторной батареи напряжение генератора зарядного агрегата должно изменяться, поэтому генератор постоянного тока выбирают с регулированием напряжения в широких пределах путем изменения его возбуждения шунтовым реостатом. В качестве статических зарядных и подзарядных агрегатов широко используются кремниевые выпрямительные устройства.
В отличие от двигателя-генератора статические выпрямительные устройства дешевле, не имеют движущихся частей, более удобны в обслуживании, имеют большой срок службы и большую перегрузочную способность и поэтому наиболее распространены.
Распределение постоянного тока, связь зарядных и подзарядно-зарядных агрегатов с аккумуляторной батареей осуществляется через щиты постоянного тока (ЩПТ), на которых размещаются коммутационная аппаратура и контрольно-измерительные приборы. Для удобства действий дежурного персонала на ЩПТ наносятся мнемонические схемы постоянного тока. Аккумуляторные батареи, ЩПТ, зарядные и подзарядные агрегаты, электроприемники постоянного тока связаны между собой кабельными линиями, а в отдельных случаях шинопроводами. В совокупности они образуют схему электрических соединений сети постоянного тока.
На подстанциях аккумуляторные батареи обычно работают в режиме постоянного подзаряда. В этом случае подзарядный агрегат, оснащенный устройством стабилизация напряжения (с точностью ±2 %), все время питает постоянно включенные электроприемники сети оперативного тока (сигнальные лампы, обмотки реле, контакторов), а также подзаряжает аккумуляторную батарею, компенсируя ее саморазряд. Вследствие этого аккумуляторная батарея все время полностью заряжена. Кратковременные толчки нагрузки воспринимаются в основном батареей.
В установках, где для включения мощных электромагнитов масляных выключателей требуется повышенное напряжение, устанавливают дополнительные элементы. Батареи с дополнительными элементами состоят из 120, 128, 140 элементов вместо 108. В таких случаях схема несколько изменяется. Чтобы предотвратить сульфатацию пластин дополнительных элементов, между отрицательным полюсом и ответвлениями от 108-го элемента включается регулируемый резистор, с помощью которого создается ток разряда, равный току разряда основных элементов, либо включается подзарядный выпрямитель. Таким образом, обеспечиваются одинаковые условия работы основных и дополнительных элементов и исключается возможность глубоких зарядов и разрядов, что предотвращает сульфатацию и увеличивает срок службы аккумуляторов. В режиме постоянного подзаряда батарея всегда находится в заряженном состоянии и готова к питанию потребителей постоянным током.
Для поддержания стабильного уровня напряжения батареи во всех режимах на сборных шинах щита постоянного тока ЩПТ в схемах батарей, работающих по методу заряд—разряд, предусматривается элементный коммутатор, служащий для изменения числа аккумуляторов, подключенных к сборным шинам установки или к зарядному агрегату.
3. Источники и сети переменного и выпрямленного оперативного тока
Для снижения стоимости электрооборудования и упрощения его эксплуатации на подстанциях до 110 кВ применяют оперативный переменный и выпрямленный ток. В качестве источников оперативного переменного тока используют обычные или специально выделенные трансформаторы собственных нужд небольшой мощности, а также измерительные трансформаторы тока и напряжения.
Питание цепей управления и сигнализации может осуществляться от сети собственных нужд подстанции или от специальных силовых трансформаторов небольшой мощности, подключенных к шинам 6 или 10 кВ со стороны питания (до выключателей). Источники переменного и выпрямленного тока в отличие от аккумуляторов не являются автономными, поскольку их работа возможна только при наличии напряжения в сети. Поэтому к схемам питания предъявляют особые требования, направленные на повышение надежности их работы: оперативные цепи должны питаться не менее чем от двух трансформаторов; напряжение во вторичных цепях должно быть стабилизировано; вторичные цепи должны быть отделены от цепей с. н.
Питание наиболее ответственных электроприемников оперативного тока должно обеспечиваться устройствами автоматического включения резервного питания (АВР). На рисунке 1 показана схема питания оперативных цепей переменным током от двух трансформаторов с. н. ТСН 1 и ТСН 2.

Рисунок №1. Схема питания оперативных цепей на переменном токе.
Наиболее ответственные электроприемники выделены на особые шины ШОП, которые питаются через блок автоматического включения резервного питания (АВР). Шины управления ШУ и сигнализации ШС питаются от шин ШОП через стабилизаторы СТ1, СТ2, чтобы колебания напряжения в цепях с. н. меньше влияли на работу схем управления и сигнализации. Питание электромагнитов включения масляных выключателей осуществляется от выпрямительных устройств ВУ1 и ВУЗ, которые подключены к разным секциям щита с. н. На стороне выпрямленного напряжения ВУ1 и ВУ2 работают на общие шины. Если в установке применены выключатели с пружинными приводами (ПП-67 и т. п.), работающими на переменном токе, схема соответственно изменяется: выпрямительные устройства исключаются, питание электромагнитов включения осуществляется от шин ШУ, так как электромагниты включения таких приводов не требуют большой мощности, ибо включение производится заранее заведенными пружинами привода.
В качестве источников переменного оперативного тока и для питания переменным током выпрямительных блоков в системах выпрямленного оперативного тока используются также измерительные трансформаторы тока (ТТ) и напряжения (ТН).
Ко вторичной обмотке ТТ может быть подключено последовательно несколько приборов и реле.
Погрешность ТТ и значение их вторичной нагрузки тесно связаны между собой. С увеличением нагрузки погрешность ТТ возрастает, поэтому вторичная нагрузка для ТТ не должна превышать допустимую, при которой обеспечивается соответствующий класс точности.
Особенность работы ТТ, питающих цепи оперативного тока через выпрямительные устройства, заключается в том, что их нагрузка в этом режиме, значительно больше, чем при питании только цепей защиты и измерения. Поэтому сердечники ТТ работают в режиме насыщения, что ухудшает тепловой режим работы.
В ряде случаев ТТ используют только в качестве источников оперативного тока, например, когда они питают токовые блоки БПТ. В этих случаях к точности ТТ не предъявляется высоких требований, в то же время отдаваемая трансформаторами мощность должна быть достаточной для работы вторичных устройств, питающихся выпрямленным током.
Вторичные цепи ТН должны выполняться так, чтобы потери напряжения до панелей защит, автоматики и измерительных приборов находились в пределах от 1,5 до 3 %, а до расчетных счетчиков активной и реактивной энергии не более 0,5 %. Так же как и в трансформаторах тока, класс точности ТН зависит от нагрузки вторичных цепей.
Однако ТН могут работать и с большими нагрузками, чем приведенные, но в этом случае нагрузка должна быть ограничена таким образом, чтобы погрешность ТН не приводила к неправильной работе релейной защиты и автоматики. Обычно ТН, питающие только цепи релейной защиты и автоматики, работают в классе точности 3.
В качестве источников выпрямленного постоянного тока применяются различные полупроводниковые выпрямительные устройства и специальные блоки питания. Источники выпрямленного тока можно разделить на три основные группы: источники, служащие для заряда и подзаряда аккумуляторных батарей; источники оперативного тока, питающие цепи управления и сигнализации; источники, предназначенные для питания электромагнитов включения масляных выключателей. К источникам выпрямленного тока следует также отнести предварительно заряженные конденсаторы, поскольку они заряжаются через выпрямители, питаемые от источников переменного тока.
Для заряда и подзаряда аккумуляторных батарей используют выпрямительные устройства: ВАЗП, РТАБ-4, ВАЗ, ВСС, ВСА, ВУ и др.
Для питания оперативных цепей служат токовые блоки (БПТ) и блоки напряжения (БПН).
Блоки БПТ (рисунок 2) состоят из промежуточного насыщающегося трансформатора ПНТ, выпрямительного моста В, а также вспомогательных элементов: дросселя Др и конденсатора С, включенных в схему для стабилизации выходного напряжения.
Блоки БПН состоят из промежуточного трансформатора ПТ, выпрямительного моста В, селенового выпрямителя СВ и некоторых других элементов.
Блоки БПТ получают питание от ТТ, а БПН — от ТН или трансформаторов с. н. Блоки БПТ и БПН или несколько блоков БПТ и БПН работают обычно на общие шины выпрямленного напряжения. Характерное отличие блоков БПТ и БПН состоит в том, что блоки БПН обеспечивают питанием оперативные цепи в нормальных условиях работы, когда на подстанции заведомо имеется напряжение, а блоки БПТ — в режимах КЗ, когда блоки БПН не могут обеспечить питание вторичных устройств из-за большого снижения напряжения в первичных цепях.

Рисунок №2. Принципиальная схема блоков питания БПТ-1002 и БПН-1002.
Отечественная промышленность выпускает разнообразные блоки питания, отличающиеся друг от друга техническими характеристиками, в том числе БПТ-1002 и БПН-1002.
Блоки БПТ-1002 и БПН-1002 предназначены для питания выпрямленным током аппаратуры релейных защит, сигнализации и управления на напряжении 110 или 220 В. Выдаваемая блоками мощность в кратковременном режиме составляет 1500 Вт, в длительном — около 700 Вт. Блоки БПТ получают питание от ТТ, использование которых для других целей не допускается. Напряжение на выходе блоков БПН, так же как магнитодвижущая сила (МДС) блоков БПТ, зависит от нагрузки вторичных цепей. С увеличением нагрузки напряжение и МДС несколько уменьшаются. Чтобы уменьшить влияние колебаний напряжения в первичной цепи на выпрямленное напряжение во вторичной цепи (на выходе блока БПН), у блоков питания перед входом включаются ферро-резонансные стабилизаторы, которые поддерживают напряжение в пределах 100—80 % номинального при снижении напряжения на стороне питания до 60 %. Благодаря этому выпрямленное выходное напряжение блоков питания мало зависит от колебаний напряжения в первичных цепях. Промышленностью выпускаются стабилизированные блоки типа БПНС-1, которые обеспечивают поддержание выходного напряжения в пределах 85 – 110% при колебании входного напряжения в пределах 50 – 110% номинального. Длительная выходная мощность блока составляет 650 Вт, а кратковременная (в течение 1 с) — 1500 Вт.
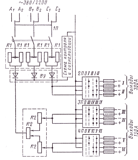
В качестве источников питания электромагнитов включения масляных выключателей на подстанциях при отсутствии на них аккумуляторных батарей или при недостаточной мощности последних применяются выпрямительные вентили. Примером таких блоков служат блоки питания: БПРУ-66/380, предназначенный для преобразования трехфазного тока 380 В с заземленной нейтралью, БПРУ-66/220 для преобразования трехфазного тока 220 В в постоянный (выпрямленный) ток. В состав блоков входят выпрямительные и распределительные устройства, регулировочные резисторы, а также схема контроля и сигнализации.

Рисунок №3. Принципиальная упрощенная схема блока БПРУ-66.
Блоки отличаются друг от друга схемами выпрямительных устройств. В блоке БПРУ-66/380 (рисунок 3) применена трехфазная схема с нейтралью. Схема блока БПРУ-66/220 аналогична, но в ней применена трехфазная мостовая схема выпрямления. Оба блока работают в импульсном режиме, длительность импульса 1 с. Максимальное значение выпрямленного тока в импульсе 300 А, максимальная импульсная мощность 66 кВт, номинальное выпрямленное напряжение 220 В.
Ток на выходе блоков БПРУ регулируется резисторами переменного сопротивления в цепях переменного R1 и постоянного R2 тока в диапазоне: 55—150 и 150—300 А. Блоки имеют по два выхода до 300 А (I к II) и по четыре выхода до 150 А (III - IV).
Предварительно заряженные конденсаторы используются для однократного кратковременного действия аппаратов, потребляющих небольшую мощность, примерно 200 Вт. К таким аппаратам относятся обмотки электромагнитов отключения выключателей и отделителей, различных реле и т. п. Предварительно заряженные конденсаторы находят широкое применение в схемах автоматического повторного включения (АПВ), минимальных защит напряжения электродвигателей высокого напряжения.

Рисунок №4. Схема конденсаторного источника питания.
Для заряда конденсаторов применяются зарядные выпрямительные устройства, например У3-401, в качестве предварительно заряженных конденсаторов — блоки конденсаторов БК-400, БК-401, БК-402, а также блоки БПЗ-401 и БПЗ-402, которые содержат в себе зарядное устройство и блок конденсаторов. На рисунке 4 показана упрощенная схема источника выпрямленного тока, основными частями которого являются устройство УЗ-401 и блок БК-401 емкостью 40 мкФ. Зарядное устройство состоит из трансформатора напряжения ТН, выпрямителя (диода) Д1 с уравнительными резисторами Rу, схемы контроля наличия напряжения на вводе устройства (реле РН и РП), конденсатора С1, резистора R и дополнительного резистора Rд и конденсатора Сд. Блок конденсатора состоит из диодов Д2 и металлобумажного конденсатора С2.
Комбинированные устройства питания цепей оперативного постоянного тока применяются на подстанциях наряду с описанными выше устройствами питания постоянного, переменного и выпрямленного тока. В комбинированных устройствах питание электромагнитов включения выключателей осуществляется от трансформаторов с. н. через выпрямители, а цепей управления, защиты и автоматики — от небольшой герметичной аккумуляторной батареи с автоматическим подзарядом от выпрямительных устройств. К числу таких устройств относятся комплектные устройства оперативного тока (ШУОТ).

Рисунок №5. Схема питания оперативных цепей выпрямленным током.
Пример питания оперативных цепей с использованием блоков питания показан на рисунке 5. Особенностью этих схем является обеспечение резервирования без АВР, поскольку блоки БПТ и БПН, а также зарядные устройства блоков конденсаторов и выпрямительные устройства работают параллельно на сторонах выпрямленного напряжения. При этом резервирование осуществляется мгновенно без перерыва питания.