![]()

Рис. 1. Полюс выключателя ВНВ-330
1 – подвод сжатого воздуха; 2 – резервуар; 3 – шкаф управления; 4 – болт заземления М10; 6 – болт заземления M20; 9 – колонка опорных изоляторов; 11,16 – экраны; 12 – конденсатор (1400 пф); 13 – дугогасительное устройство; 14 – подъемное ушко; 15 – конденсатор (1100 пф).

Рис. 2. Полюс выключателя ВНВ-500
1 – подвод сжатого воздуха; 2 – резервуар; 3 – шкаф управления; 4 – болт заземления М10; 6 – болт заземления M20; 7- рама; 8 – растяжка; 9 – колонка опорных изоляторов; 10,11,16 – экраны; 12 – конденсатор (1600 пф); 13 – дугогасительное устройство; 14 – подъемное ушко; 15 – конденсатор (1400 пф).

Рис. 3. Полюс выключателя ВНВ-750
1 – подвод сжатого воздуха; 2 – резервуар; 3 – шкаф управления; 4 – болт заземления М10; 6 – болт заземления M20; 5,7- рама; 8 – растяжка; 9 – колонка опорных изоляторов; 10,11,16 – экраны; 12 – конденсатор (1400 пф); 13 – дугогасительное устройство; 14 – подъемное ушко; 15 – конденсатор (1100 пф), 17 – пояс жесткости.

Рис. 4. Резервуар со шкафом управления выключателя ВНВ-330.
1 – заглушка; 2 – стойка; 3 – опорный изолятор; 4 - резервуар; 6 – шкаф управления; 9,12 – болты заземления; 10 – клапан; 11, 14 – таблички; 13 – люк; I – угловой механизм; III – центральный механизм; V – клапан предохранительный.

Рис.5. Шкаф управления
1 – скоба; 2 – трубка; 3 – трубка выхлопная; 4 – клеммный ряд; 5 – указатель положения; 6 – блок контактно-сигнальный (СБК); 7 – счетчик; 8 – привод пневматический; 9 – клапан вентиляционный; 10 – электромагнит включения; 12 – электронагреватель; 13 – кабельная муфта; 14 – смотровое окно; 15 – электромагнит отключения; 16 – товарный знак.
A

Рис. 6. Привод пневматический
1 – электромагнит включения; 2 – регулировочный болт; 3 – пусковой клапан; 4,7 – разборные клапаны; 5 – шток; 6, 16,17, 18,19 –кольца уплотнительные; 8 – регулировочная гайка; 9 – электромагнит отключения; 10 – поршень; 11 – упор; 12,13 – демпферы.
![]()

Рис. 7. Дугогасительное устройство
1 – атмосферный клапан; 2 – ввод; 4 – подъемное ушко; 6,8,30,34 – штоки; 7 – шплинт; 9- фильтр; 10,35 – корпуса; 11,12,31 – рычаги; 13 – шарнир; 14 – выхлопная труба; 18 – оперативный клапан; 20,21 – трубки; 22, 32 – тяги; 23 – неподвижное сопло; 24 – неподвижный контакт; 25,26 – экраны; 27 – подвижный контакт; 28 – подвижное сопло; 29 – пружина; 33 – втулка; 36 – поршень; 39 – замок; 60 – привод сопел

Рис. 8. Выносные элементы дугогасительного устройства
6 – шток; 14,20 – трубки; 22 – тяга; 37 – кожух; 38 – пружина; 39 – замок; 40 – шплинт; 41,42,45,46 – втулки; 59 – кольца уплотнительные; 44 – фланец.

Рис. 9. Контакт подвижный
1,4 – контакты; 2 – подвижное сопло;3 – экран; 5,6,14 – пружины; 7 – корпус; 8 – кольцо уплотнительное; 9 – спираль; 10 – кольцо стопорное; 11 – крышка; 12 – шплинт; 13 – гайка; 15 – клапан разборный; 16 – рычаг; 17 – наконечник (дугоулавливатель); 18 – стопорная шайба; 19 – кольцо контактное; 20, 21,23,25 – кольца уплотнительные.

Рис. 10. Контакт неподвижный с дутьевым клапаном
1 – шток; 2 – крышка; 3,10 – гайки; 4 – полукольцо; 5,17,28,29,30 – кольца уплотнительные; 6 – шайба; 7,15,19 – корпуса; 8 – пружина; 9 – стакан; 11, 23 – втулка; 12 – поршень; 13 – стойка; 14 – наконечник (дугоулавливатель); 16,25 – разборные клапана; 18 – стопорная шайба; 20, 24 – пружины; 21,27 – контакты; 22, 26 – экраны.

Рис. 11. Ввод
1 – пластинка; 2 – клапан; 3, 12, 19, 20, 32 – фланцы; 4 – шайба регулировочная; 5 – рычаг; 6, 10 – тяги; 7- токоведущая труба; 8 – изолятор; 9 – экран; 11 – контакт неподвижный с дутьевым клапаном; 13, 14 – уплотнения; 15 – цилиндр изолирующий; 16 – направляющая; 17 – кожух; 18,22 – гайки; 21 – регулировочный болт; 23 – шпильки; 24 – буфер; 25 – втулка; 26 – планка; 27 – атмосферный клапан; 29, 30, 31 – кольца уплотнительные.

Рис. 12. Распределительный шкаф
1,13 – манометр системы высокого давления (13 – на привод с двумя электромагнитами отключения); 3 – блок клеммный; 4 – лампа сигнальная; 5 – манометр системы низкого давления; 6,12.15 – вентили; 7 – фильтр; 8 – электронагреватель; 9 – болт заземления; 10 – муфта кабельная; 14 – редуктор; 16 – обратный клапан.

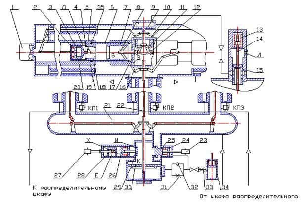
Рис. 13. Пневмокинематическая схема полюса.
1- атмосферный клапан; 2,12,13 – пружины; 3,15 – стаканы; 4,17 – разборные клапаны; 5, 8 – наконечники (дугоулавливателя), 6 – подвижный контакт; 7 – подвижное седло; 9,24,26,30 – поршни; 10,11,16 – рычаги; 14 – шток; 18 – неподвижное седло; 19 – неподвижный контакт; 20 – дутьевой клапан; 21 – резервуар; 22 – тяга; 23 – электромагнит отключения; 25 – клапан отключения; 27 – электромагнит включения; 28 – пусковой клапан; 29 – клапан включения; 31,33 – дроссели№ 32 – обратный клапан; 34 – привод СБК; КП1 – КП3 - клапаны предохранительные; 35 – уплотнения.
"