Приложение 1.
Выключатель HPL 550B2 с тремя приводами BLG 1002А. Общий вид. Заводская табличка.

ЗЛЕГАЗОВЫЙ КОЛОНКОВЫЙ ВЫКЛЮЧАТЕЛЬ HPL 550B2 ДВУХРАЗРЫВНЫЙ С ТРЕМЯ ПРУЖИННЫМИ ПРИВОДАМИ BLG 1002А
ГАБАРИТНО-УСТАНОВОЧНЫЙ ЧЕРТЕЖ

Приложение 2.
Привод BLG 1002А выключателя HPL 550B2. Схема электрическая принципиальная.

Схема управления привода выключателя в положении '????", пружина не заряжена, элегаз вез давления, при вставленной рукоятке ручного взвода.
ПРИНЦИПИАЛЬНАЯ СХЕМА УПРАВЛЕНИЯ

ЭЛЕГАЗОВЫЙ КОЛОНКОВЫЙ ВЫКЛЮЧАТЕЛЬ С ПОПОЛЮСНЫМ УПРАВЛЕНИЕМ ПРИВОД ПОЛЮСА ВЫКЛЮЧАТЕЛЯ BLG-1002A
ПРИНЦИПИАЛЬНАЯ СХЕМА УПРАВЛЕНИЯ






| № | Обозном. | Наименование | Кол, | Прим, | |||
| 1 | BD1-BD3 | Контакт монитора плотности элегаза, 220 В | 3 | ||||
| 2 | BGl, BG2 | Вспомогательные Блок-контакты выключателя HSV 246, 220 В, 4 А | 2 | ||||
| 3 | BN | Счетчик 220 В, 25 Вт | 1 | ||||
| 4 | ВТ1 | Термостат, ~220 В | 1 | ||||
| 5 | BW1, BW2 | Концевой выключатель пружин, 220 В | 2 | ||||
| 6 | вх | Концевой выключатель двери шкафа, ~220 В | 1 | ||||
| 7 | Е1 | Антиконденсационный нагревательный элемент, (включен постоянно), 220 В, 70 Вт | 1 | ||||
| 8 | Е2, Е2.1 | Нагревательный элемент (управление от термостата), 220 В, 140 Вт | 2 | ||||
| 9 | m ? m ? | Лампа освещения, ~ 220 В | 2 | ||||
| 10 | Fl, П.1 | Автоматический выключатель двигателя MS225, 4 А, 400 В | 2 | ||||
| 11 | F2 | Автоматический выключатель нагревателей S201RB10, 10 Ад 220-250 В | 1 | ||||
| 12 | HI | Лампа сигнализации положения выключателя (зелен.) | 1 | ||||
| 13 | НЗ | Лампа сигнализации положения выключателя (красн.) | 1 | ||||
| 14 | КЗ | Реле Блокировки от многократных включении С5 А30, 220 В, 1,4 Вт | 1 | ||||
| 15 | К9 | Реле Блокировки вкл./откл. 1 при низкой плотности газа С5 А30, 220 В, 1,4 Вт | 1 | ||||
| 16 | К10 | Реле Блокировки отключения 2 при низкой плотности газа С5 А30, 220 В, 1,4 Вт | 1 | ||||
| 17 | К19 | Токовое реле контроля цепей подогрева “230-240 В; гистерезис 40% Т2=10с, Т1=1с | 1 | ||||
| 18 | К25 | Реле-повторитель монитора плотности. | 1 | ||||
| 19 | Ml, М1.1 | Двигатель завода пружины, STS 80/ /65, 220 В, 1,7 кВт | 2 | ||||
| 20 | Ql, Q1.1 | Контактор, DIL 00 AM-G-01, “/=220 В, 10 А | 2 | ||||
| N0 | Обознач., | Наименование | Кол, | Прим, | |||
| 21 | R3.1, R3.2 | Шунтирующее сопротивление для катушки включения, 100 Ом, 17 Вт | 2 | ||||
| 22 | R4.1, R4.2 | Шунтирующее сопротивление для катушки отключения 1, 150 Ом, 17 Вт | 2 | ||||
| 23 | R5.1, R5.2 | Шунтирующее сопротивление для катушки отключения 2, 150 Ом, 17 Вт | 2 | ||||
| 24 | R7, R8 | Резистор к лампе сигнализации положения выключателя | 2 | ||||
| 25 | S1 | Ключ управления (отключение/включение) PR12, 660 В, 16 А | 1 | ||||
| 26 | S4 | Переключатель выбора режима (местное/дистанционное) PR12, 660 В, 16 А | 1 | ||||
| 27 | Х0 | Ряд зажимов (внутренних соединении) М4/6, 750 В, 30 А, 4 кв.мм | |||||
| 28 | XI | Ряд зажимов (внешних соединении) М6/8, М4/6, 750 В, 61/30 А, 6/4 кв.мм | |||||
| 29 | Х2 | Ряд зажимов (внутренних соединении), (контроль SF6), М4/6, 750 В, 30 А, 4 кв.мм, | |||||
| 30 | Х3 | Ряд зажимов (внутренних соединении) М4/6, 750 В, 30 А, 4 кв.мм, | |||||
| 31 | Х4 | Розетка, ~220 В | 1 | ||||
| 32 | Yl, Y2* | Катушки отключения 1 и 2, 220 В, 1 А, 210 Ом, Ucp.=65X-11QXUhom. | 2 | ||||
| 33 | Y3* | Катушка включения, 220 В, 1 А, 210 Ом, Ucp.=65X-110XUhom. | 1 | ||||
| 34 | Y7 | Контакт ручной блокировки, M03-04-ND+NC, 250 В, 10 А | 1 | ||||
Номинальный ток узла управления (катушка включения/отключения + шунтирующее сопротивление), 2 А.


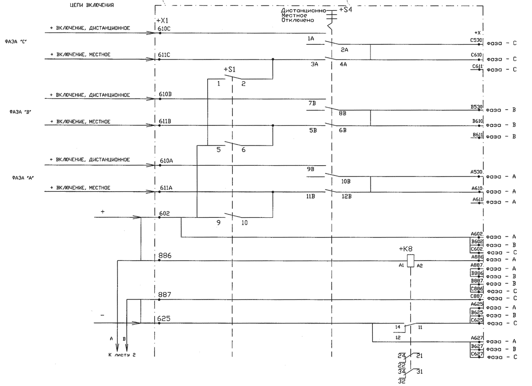
ПРИНЦИПИАЛЬНАЯ ЭЛЕКТРИЧЕСКАЯ СХЕМА


ПРИНЦИПИАЛЬНАЯ ЭЛЕКТРИЧЕСКАЯ СХЕМА


А
С
D




| NO | Обознач. | Наименование | Кол, | Примечание |
| 1 | BT1 | Термостат, ~230 В, 16 А, уст.+10 | 1 | |
| 2 | BX | Концевой выключатель двери шкафа | 1 | |
| 3 | E2 | Подогреватель, ~230 В, 153 Вт | 1 | -220В, 140Вт |
| 4 | E3, E3.1 | Лампа освещения | 2 | |
| 5 | F2 | Автомат питания подогревателя,440 В, 10 А | 1 | |
| 6 | H1 | Лампа (зеленая/отключено), ~230 В, 5 Вт | 1 | |
| 7 | H3 | Лампа (красная/включено), ~230 В, 5 Вт | 1 | |
| 8 | K6 | Реле времени (с задержкой), уст, 1с ~/=240 В, коммутационная способность 80 Вт | 1 | для К7 |
| 9 | K7 | Промежуточное реле, 220 В, 14 Вт, коммутационная способность 10 А | 1 | 4ср.=20мс |
| 10 | K8 | Промежуточное реле, 220 В, 14 Вт, коммутационная способность 16 А | 1 | |
| 11 | K13 | Промежуточное реле, 220 В, 14 Вт, коммутационная способность 10 А | 1 | tcp.=20MC |
| 12 | K15 | Реле времени (с задержкой), уст. 1с, ~/=:240В, коммутационная способность 80 Вт | 1 | для К13 |
| 13 | K16 | Реле времени(с задержкой), уст, 0,1с, ~/=240В, коммутационная способность 80 Вт | 1 | для К7 |
| 14 | R7, R8 | Резистор к лампам H1, Н3, 15 кОм, 17 Вт | 2 | |
| 15 | R9 | Шунтирующий резистор для реле запиты от неперекл. Фаз, 6,8 кОм, 17 Вт | 1 | для К7 |
| 16 | RIO | Шунтирующий резистор для реле запиты от неперекл, Фаз, &,8 кОм, 17 Вт | 1 | для К13 |
| 17 | S1 | Ключ управления (включить/отключить) | 1 | |
| 18 | S4 | Ключ выбора режима (местное/дистанционное) | 1 | |
| 19 | X(A,B,C) | Ряд зажимов (ряд 1, ряд 2, ряд 3) | 3 | |
| 20 | X1 | Ряд зажимов (ряд 4) | 1 | |
| 21 | X4 | Розетка | 1 | |
