ÐÈÑ. 5: ÑÁÎÐÎ×ÍÛÉ ×ÅÐÒÅÆ ÍÈÆÍÅÉ ×ÀÑÒÈ ÐÀÇÚÅÄÈÍÈÒÅËß S2DA

ÐÈÑ. 5A: ÑÁÎÐÎ×ÍÛÉ ×ÅÐÒÅÆ ÍÈÆÍÅÉ ×ÀÑÒÈ ÐÀÇÚÅÄÈÍÈÒÅËß S2DA - ÐÀÇÐÅÇÛ

Ñïåöèôèêàöèÿ ê ñáîðî÷íîìó ÷åðòåæó è ðàçðåçàì íèæíåé ÷àñòè ðàçúåäèíèòåëÿ S2DA (Ðèñ. 5, 5A)
ÍÈÆÍÅÅ ÎÑÍÎÂÀÍÈÅ ÓÏÐÀÂËÅÍÈß
ÍÈÆÍÅÅ ÎÑÍÎÂÀÍÈÅ ÊÎÍÒÐÏÐÈÂÎÄÀ
ÒßÃÀ ÃÎÐÈÇÎÍÒÀËÜÍÎÉ ÒÐÀÍÑÌÈÑÑÈÈ ÐÀÇÚÅÄÈÍÈÒÅËß
ÒÐÓÁÍÛÉ ÇÀÆÈÌ
ÎÏÎÐÀ ÂÀËÀ ÏÐÈÂÎÄÀ ÐÀÇÚÅÄÈÍÈÒÅËß
ÐÛ×Àà ÓÏÐÀÂËÅÍÈß ÐÀÇÚÅÄÈÍÈÒÅËß
ÒßÃÀ ÓÏÐÀÂËÅÍÈß ÐÀÇÚÅÄÈÍÈÒÅËß
ÐÀÁÎ×ÈÉ ÐÛ×Àà ÐÀÇÚÅÄÈÍÈÒÅËß
ÏÎÂÎÐÎÒÍÎÅ ÎÑÍÎÂÀÍÈÅ ÐÛ×ÀÃÀ ÃÍÅÇÄÎÂÎÃÎ ÊÎÍÒÀÊÒÀ
ÏÎÂÎÐÎÒÍÎÅ ÎÑÍÎÂÀÍÈÅ ÐÛ×ÀÃÀ ØÒÛÐÅÂÎÃÎ ÊÎÍÒÀÊÒÀ
ÑÎÅÄÈÍÈÒÅËÜÍÛÉ ÐÛ×ÀÃ
ÑÒÎÏÎÐ ÐÛ×ÀÃÀ ÓÏÐÀÂËÅÍÈß ÐÀÇÚÅÄÈÍÈÒÅËÅÌ
ÑÒÓÏÈÖÀ ÐÛ×ÀÃÀ ÓÏÐÀÂËÅÍÈß ÐÀÇÚÅÄÈÍÈÒÅËÅÌ 7.7 ÂÀË ÏÐÈÂÎÄÀ ÐÀÇÚÅÄÈÍÈÒÅËß
7.13 ØÏÈËÜÊÈ È ØÒÈÔÒ ÄËß ÊÐÅÏËÅÍÈß ÂÀËÀ ÏÐÈÂÎÄÀ
ÐÈÑ. 5B: ÑÁÎÐÎ×ÍÛÉ ×ÅÐÒÅÆ ÍÈÆÍÅÉ ×ÀÑÒÈ ÐÀÇÚÅÄÈÍÈÒÅËß S2DAT Ñ ÇÀÇÅÌËßÞÙÈÌ ÍÎÆÎÌ ÑÏÐÀÂÀ

ÐÈÑ. 5C: ÑÁÎÐÎ×ÍÛÉ ×ÅÐÒÅÆ ÍÈÆÍÅÉ ×ÀÑÒÈ ÐÀÇÚÅÄÈÍÈÒÅËß S2DAT Ñ ÇÀÇÅÌËßÞÙÈÌ ÍÎÆÎÌ ÑÏÐÀÂÀ - ÐÀÇÐÅÇÛ

DETAIL OF THE LEVER = ÄÅÒÀËÜ ÐÛ×ÀÃÀ SLOT (FORO ASOLATO) = ÎÂÀËÜÍÀß ÏÐÎÐÅÇÜ SECTION = ÐÀÇÐÅÇ
ÐÈÑ. 5D: ÑÁÎÐÎ×ÍÛÉ ×ÅÐÒÅÆ ÍÈÆÍÅÉ ×ÀÑÒÈ ÐÀÇÚÅÄÈÍÈÒÅËß S2DAT Ñ ÇÀÇÅÌËßÞÙÈÌ ÍÎÆÎÌ ÑÏÐÀÂÀ - ÑÕÅÌÀ ÁËÎÊÈÐÎÂÊÈ

PRINCIPLE DIAGRAM OF THE INTERLOCKING DEVICE = ÏÐÈÍÖÈÏÈÀËÜÍÀß ÑÕÅÌÀ ÁËÎÊÈÐÎÂÎ×ÍÎÃÎ ÌÅÕÀÍÈÇÌÀ
DISCONNECTOR IN CLOSED POSITION = ÐÀÇÚÅÄÈÍÈÒÅËÜ Â ÇÀÊÐÛÒÎÌ ÏÎËÎÆÅÍÈÈ
DISCONNECTOR IN OPEN POSITION = ÐÀÇÚÅÄÈÍÈÒÅËÜ Â ÎÒÊÐÛÒÎÌ ÏÎËÎÆÅÍÈÈ
EARTHING SWITCH IN CLOSED POSITION = ÐÀÇÇÅÌËßÞÙÈÉ ÍÎÆ Â ÇÀÊÐÛÒÎÌ ÏÎËÎÆÅÍÈÈ
EARTHING SWITCH IN OPEN POSITION = ÐÀÇÅÌËßÞÙÈÉ ÍÎÆ Â ÎÒÊÐÛÒÎÌ ÏÎËÎÆÅÍÈÈ
Ñïåöèôèêàöèÿ ê ñáîðî÷íîìó ÷åðòåæó è ðàçðåçàì íèæíåé ÷àñòè ðàçúåäèíèòåëÿ S2DAT ñ çàçåìëÿþùèì íîæîì ñïðàâà (Ðèñ. 5B, 5C, 5D)
ÍÈÆÍÅÅ ÎÑÍÎÂÀÍÈÅ ÓÏÐÀÂËÅÍÈß
ÍÈÆÍÅÅ ÎÑÍÎÂÀÍÈÅ ÊÎÍÒÐÏÐÈÂÎÄÀ
ÒßÃÀ ÃÎÐÈÇÎÍÒÀËÜÍÎÉ ÒÐÀÍÑÌÈÑÑÈÈ ÐÀÇÚÅÄÈÍÈÒÅËß
ÒßÃÀ ÃÎÐÈÇÎÍÒÀËÜÍÎÉ ÒÐÀÍÑÌÈÑÑÈÈ ÇÀÇÅÌËßÞÙÅÃÎ ÍÎÆÀ
ÒÐÓÁÍÛÉ ÇÀÆÈÌ
ÎÏÎÐÀ ÂÀËÀ ÏÐÈÂÎÄÀ ÐÀÇÚÅÄÈÍÈÒÅËß
ÐÛ×Àà ÓÏÐÀÂËÅÍÈß ÐÀÇÚÅÄÈÍÈÒÅËß
ÒßÃÀ ÓÏÐÀÂËÅÍÈß ÐÀÇÚÅÄÈÍÈÒÅËß
ÐÀÁÎ×ÈÉ ÐÛ×Àà ÐÀÇÚÅÄÈÍÈÒÅËß
ÏÎÂÎÐÎÒÍÎÅ ÎÑÍÎÂÀÍÈÅ ÐÛ×ÀÃÀ ÃÍÅÇÄÎÂÎÃÎ ÊÎÍÒÀÊÒÀ
ÏÎÂÎÐÎÒÍÎÅ ÎÑÍÎÂÀÍÈÅ ÐÛ×ÀÃÀ ØÒÛÐÅÂÎÃÎ ÊÎÍÒÀÊÒÀ
ÑÎÅÄÈÍÈÒÅËÜÍÛÉ ÐÛ×ÀÃ
ÑÒÎÏÎÐ ÐÛ×ÀÃÀ ÓÏÐÀÂËÅÍÈß ÐÀÇÚÅÄÈÍÈÒÅËÅÌ
ÑÒÓÏÈÖÀ ÐÛ×ÀÃÀ ÓÏÐÀÂËÅÍÈß ÐÀÇÚÅÄÈÍÈÒÅËÅÌ
ÎÏÎÐÀ ÂÀËÀ ÏÐÈÂÎÄÀ ÇÀÇÅÌËßÞÙÅÃÎ ÍÎÆÀ
ÐÛ×Àà ÓÏÐÀÂËÅÍÈß ÇÀÇÅÌËßÞÙÅÃÎ ÍÎÆÀ
ÒßÃÀ ÓÏÐÀÂËÅÍÈß ÇÀÇÅÌËßÞÙÅÃÎ ÍÎÆÀ
ÐÅÃÓËÈÐÓÅÌÛÉ ÐÛ×Àà ÓÏÐÀÂËÅÍÈß ÇÀÇÅÌËßÞÙÅÃÎ ÍÎÆÀ
ÊÐÅÏÅÆÍÛÅ ÃÀÉÊÈ È ÕÎÌÓÒÛ ÐÅÃÓËÈÐÓÅÌÎÃÎ ÐÛ×ÀÃÀ
ÊÐÅÏÅÆÍÛÅ ÂÈÍÒÛ ÇÀÇÅÌËßÞÙÈÕ ÆÃÓÒÎÂ
ÎÏÎÐÀ ÒßÃÈ ÃÎÐÈÇÎÍÒÀËÜÍÎÉ ÒÐÀÍÑÌÈÑÑÈÈ ÇÀÇÅÌËßÞÙÅÃÎ ÍÎÆÀ
ÁËÎÊÈÐÎÂÎ×ÍÀß ÍÀÏÐÀÂËßÞÙÀß
ÁËÎÊÈÐÎÂÎ×ÍÛÉ ÊÓËÀ×ÎÊ
ÊÐÅÏÅÆÍÛÅ ÃÀÉÊÈ È ÕÎÌÓÒÛ ÊÓËÀ×ÊÀ
ÌÓÔÒÀ
(*) ÇÀÆÈÌ
(*) ÊÐÅÏÅÆÍÛÅ ÃÀÉÊÈ È ÕÎÌÓÒÛ ÇÀÆÈÌÀ
ÑÒÎÏÎÐ ÇÀÇÅÌËßÞÙÅÃÎ ÍÎÆÀ
ÑÒÓÏÈÖÀ ÐÛ×ÀÃÀ ÓÏÐÀÂËÅÍÈß ÇÀÇÅÌËßÞÙÈÌ ÍÎÆÎÌ
ÂÀË ÏÐÈÂÎÄÀ ÐÀÇÚÅÄÈÍÈÒÅËß
ÂÀË ÏÐÈÂÎÄÀ ÇÀÇÅÌËßÞÙÅÃÎ ÍÎÆÀ
7.13 ØÏÈËÜÊÈ È ØÒÈÔÒ ÄËß ÊÐÅÏËÅÍÈß ÂÀËÀ ÏÐÈÂÎÄÀ
66/86
8.0 ÇÀÇÅÌËßÞÙÈÉ ÍÎÆ
(*) òîëüêî äëÿ ðàññòîÿíèÿ ìåæäó îñÿìè ïîëþñîâ X > 2500 ìì
ðèñ. 5E: ÑÁÎÐÎ×ÍÛÉ ×ÅÐÒÅÆ ÍÈÆÍÅÉ ×ÀÑÒÈ ÐÀÇÚÅÄÈÍÈÒÅËß S2DAT Ñ ÇÀÇÅÌËßÞÙÈÌ ÍÎÆÎÌ ÑËÅÂÀ

ÐÈÑ. 5F: ÑÁÎÐÎ×ÍÛÉ ×ÅÐÒÅÆ ÍÈÆÍÅÉ ×ÀÑÒÈ ÐÀÇÚÅÄÈÍÈÒÅËß S2DAT Ñ ÇÀÇÅÌËßÞÙÈÌ ÍÎÆÎÌ ÑËÅÂÀ - ÐÀÇÐÅÇÛ

ÐÈÑ. 5G: ÑÁÎÐÎ×ÍÛÉ ×ÅÐÒÅÆ ÍÈÆÍÅÉ ×ÀÑÒÈ ÐÀÇÚÅÄÈÍÈÒÅËß S2DAT Ñ ÇÀÇÅÌËßÞÙÈÌ ÍÎÆÎÌ ÑËÅÂÀ - ÑÕÅÌÀ ÁËÎÊÈÐÎÂÊÈ

PRINCIPLE DIAGRAM OF THE INTERLOCKING DEVICE = ÏÐÈÍÖÈÏÈÀËÜÍÀß ÑÕÅÌÀ ÁËÎÊÈÐÎÂÎ×ÍÎÃÎ ÌÅÕÀÍÈÇÌÀ
DISCONNECTOR IN CLOSED POSITION = ÐÀÇÚÅÄÈÍÈÒÅËÜ Â ÇÀÊÐÛÒÎÌ ÏÎËÎÆÅÍÈÈ
DISCONNECTOR IN OPEN POSITION = ÐÀÇÚÅÄÈÍÈÒÅËÜ Â ÎÒÊÐÛÒÎÌ ÏÎËÎÆÅÍÈÈ
EARTHING SWITCH IN CLOSED POSITION = ÐÀÇÅÌËßÞÙÈÉ ÍÎÆ Â ÇÀÊÐÛÒÎÌ ÏÎËÎÆÅÍÈÈ
EARTHING SWITCH IN OPEN POSITION = ÐÀÇÅÌËßÞÙÈÉ ÍÎÆ Â ÎÒÊÐÛÒÎÌ ÏÎËÎÆÅÍÈÈ
Ñïåöèôèêàöèÿ ê ñáîðî÷íîìó ÷åðòåæó è ðàçðåçàì íèæíåé ÷àñòè ðàçúåäèíèòåëÿ S2DAT ñ çàçåìëÿþùèì íîæîì ñëåâà (Ðèñ. 5E, 5F, 5G)
ÍÈÆÍÅÅ ÎÑÍÎÂÀÍÈÅ ÓÏÐÀÂËÅÍÈß
ÍÈÆÍÅÅ ÎÑÍÎÂÀÍÈÅ ÊÎÍÒÐÏÐÈÂÎÄÀ
ÒßÃÀ ÃÎÐÈÇÎÍÒÀËÜÍÎÉ ÒÐÀÍÑÌÈÑÑÈÈ ÐÀÇÚÅÄÈÍÈÒÅËß
ÒßÃÀ ÃÎÐÈÇÎÍÒÀËÜÍÎÉ ÒÐÀÍÑÌÈÑÑÈÈ ÇÀÇÅÌËßÞÙÅÃÎ ÍÎÆÀ
ÒÐÓÁÍÛÉ ÇÀÆÈÌ
ÎÏÎÐÀ ÂÀËÀ ÏÐÈÂÎÄÀ ÐÀÇÚÅÄÈÍÈÒÅËß
ÐÛ×Àà ÓÏÐÀÂËÅÍÈß ÐÀÇÚÅÄÈÍÈÒÅËß
ÒßÃÀ ÓÏÐÀÂËÅÍÈß ÐÀÇÚÅÄÈÍÈÒÅËß
ÐÀÁÎ×ÈÉ ÐÛ×Àà ÐÀÇÚÅÄÈÍÈÒÅËß
ÏÎÂÎÐÎÒÍÎÅ ÎÑÍÎÂÀÍÈÅ ÐÛ×ÀÃÀ ÃÍÅÇÄÎÂÎÃÎ ÊÎÍÒÀÊÒÀ
ÏÎÂÎÐÎÒÍÎÅ ÎÑÍÎÂÀÍÈÅ ÐÛ×ÀÃÀ ØÒÛÐÅÂÎÃÎ ÊÎÍÒÀÊÒÀ
ÑÎÅÄÈÍÈÒÅËÜÍÛÉ ÐÛ×ÀÃ
ÑÒÎÏÎÐ ÐÛ×ÀÃÀ ÓÏÐÀÂËÅÍÈß ÐÀÇÚÅÄÈÍÈÒÅËÅÌ
ÑÒÓÏÈÖÀ ÐÛ×ÀÃÀ ÓÏÐÀÂËÅÍÈß ÐÀÇÚÅÄÈÍÈÒÅËÅÌ
ÎÏÎÐÀ ÂÀËÀ ÏÐÈÂÎÄÀ ÇÀÇÅÌËßÞÙÅÃÎ ÍÎÆÀ
ÐÛ×Àà ÓÏÐÀÂËÅÍÈß ÇÀÇÅÌËßÞÙÅÃÎ ÍÎÆÀ
ÒßÃÀ ÓÏÐÀÂËÅÍÈß ÇÀÇÅÌËßÞÙÅÃÎ ÍÎÆÀ
ÐÅÃÓËÈÐÓÅÌÛÉ ÐÛ×Àà ÓÏÐÀÂËÅÍÈß ÇÀÇÅÌËßÞÙÅÃÎ ÍÎÆÀ
ÊÐÅÏÅÆÍÛÅ ÃÀÉÊÈ È ÕÎÌÓÒÛ ÐÅÃÓËÈÐÓÅÌÎÃÎ ÐÛ×ÀÃÀ
ÊÐÅÏÅÆÍÛÅ ÂÈÍÒÛ ÇÀÇÅÌËßÞÙÈÕ ÆÃÓÒÎÂ
ÎÏÎÐÀ ÒßÃÈ ÃÎÐÈÇÎÍÒÀËÜÍÎÉ ÒÐÀÍÑÌÈÑÑÈÈ ÇÀÇÅÌËßÞÙÅÃÎ ÍÎÆÀ
ÁËÎÊÈÐÎÂÎ×ÍÀß ÍÀÏÐÀÂËßÞÙÀß
ÁËÎÊÈÐÎÂÎ×ÍÛÉ ÊÓËÀ×ÎÊ
ÊÐÅÏÅÆÍÛÅ ÃÀÉÊÈ È ÕÎÌÓÒÛ ÊÓËÀ×ÊÀ
ÌÓÔÒÀ
(*) ÇÀÆÈÌ
*òîëüêî äëÿ ðàññòîÿíèÿ ìåæäó îñÿìè ïîëþñîâ X > 2500 ìì
(*) ÊÐÅÏÅÆÍÛÅ ÃÀÉÊÈ È ÕÎÌÓÒÛ ÇÀÆÈÌÀ
ÑÒÎÏÎÐ ÇÀÇÅÌËßÞÙÅÃÎ ÍÎÆÀ
ÑÒÓÏÈÖÀ ÐÛ×ÀÃÀ ÓÏÐÀÂËÅÍÈß ÇÀÇÅÌËßÞÙÈÌ ÍÎÆÎÌ
ÂÀË ÏÐÈÂÎÄÀ ÐÀÇÚÅÄÈÍÈÒÅËß
ÂÀË ÏÐÈÂÎÄÀ ÇÀÇÅÌËßÞÙÅÃÎ ÍÎÆÀ
7.13 ØÏÈËÜÊÈ È ØÒÈÔÒ ÄËß ÊÐÅÏËÅÍÈß ÂÀËÀ ÏÐÈÂÎÄÀ
8.0 ÇÀÇÅÌËßÞÙÈÉ ÍÎÆ
ÐÈÑ. 5H: ÑÁÎÐÎ×ÍÛÉ ×ÅÐÒÅÆ ÍÈÆÍÅÉ ×ÀÑÒÈ ÐÀÇÚÅÄÈÍÈÒÅËß S2DA2T

ÐÈÑ. 5I: ÑÁÎÐÎ×ÍÛÉ ×ÅÐÒÅÆ ÍÈÆÍÅÉ ×ÀÑÒÈ ÐÀÇÚÅÄÈÍÈÒÅËß S2DA2T - ÐÀÇÐÅÇÛ

ÐÈÑ. 5L: ÑÁÎÐÎ×ÍÛÉ ×ÅÐÒÅÆ ÍÈÆÍÅÉ ×ÀÑÒÈ ÐÀÇÚÅÄÈÍÈÒÅËß S2DA2T - ÑÕÅÌÀ ÁËÎÊÈÐÎÂÊÈ

PRINCIPLE DIAGRAM OF THE INTERLOCKING DEVICE = ÏÐÈÍÖÈÏÈÀËÜÍÀß ÑÕÅÌÀ ÁËÎÊÈÐÎÂÎ×ÍÎÃÎ ÌÅÕÀÍÈÇÌÀ
DISCONNECTOR IN CLOSED POSITION = ÐÀÇÚÅÄÈÍÈÒÅËÜ Â ÇÀÊÐÛÒÎÌ ÏÎËÎÆÅÍÈÈ
DISCONNECTOR IN OPEN POSITION = ÐÀÇÚÅÄÈÍÈÒÅËÜ Â ÎÒÊÐÛÒÎÌ ÏÎËÎÆÅÍÈÈ
EARTHING SWITCH IN CLOSED POSITION = ÐÀÇÅÌËßÞÙÈÉ ÍÎÆ Â ÇÀÊÐÛÒÎÌ ÏÎËÎÆÅÍÈÈ
EARTHING SWITCH IN OPEN POSITION = ÐÀÇÅÌËßÞÙÈÉ ÍÎÆ Â ÎÒÊÐÛÒÎÌ ÏÎËÎÆÅÍÈÈ
75/86
Ñïåöèôèêàöèÿ ê ñáîðî÷íîìó ÷åðòåæó è ðàçðåçàì íèæíåé ÷àñòè ðàçúåäèíèòåëÿ S2DA2T (Ðèñ. 5H, 5I, 5L)
ÍÈÆÍÅÅ ÎÑÍÎÂÀÍÈÅ ÓÏÐÀÂËÅÍÈß
ÍÈÆÍÅÅ ÎÑÍÎÂÀÍÈÅ ÊÎÍÒÐÏÐÈÂÎÄÀ
ÒßÃÀ ÃÎÐÈÇÎÍÒÀËÜÍÎÉ ÒÐÀÍÑÌÈÑÑÈÈ ÐÀÇÚÅÄÈÍÈÒÅËß
ÒßÃÀ ÃÎÐÈÇÎÍÒÀËÜÍÎÉ ÒÐÀÍÑÌÈÑÑÈÈ ÏÅÐÂÎÃÎ ÇÀÇÅÌËßÞÙÅÃÎ ÍÎÆÀ
ÒßÃÀ ÃÎÐÈÇÎÍÒÀËÜÍÎÉ ÒÐÀÍÑÌÈÑÑÈÈ ÂÒÎÐÎÃÎ ÇÀÇÅÌËßÞÙÅÃÎ ÍÎÆÀ
ÒÐÓÁÍÛÉ ÇÀÆÈÌ
ÎÏÎÐÀ ÂÀËÀ ÏÐÈÂÎÄÀ ÐÀÇÚÅÄÈÍÈÒÅËß
ÐÛ×Àà ÓÏÐÀÂËÅÍÈß ÐÀÇÚÅÄÈÍÈÒÅËß
ÒßÃÀ ÓÏÐÀÂËÅÍÈß ÐÀÇÚÅÄÈÍÈÒÅËß
ÐÀÁÎ×ÈÉ ÐÛ×Àà ÐÀÇÚÅÄÈÍÈÒÅËß
ÏÎÂÎÐÎÒÍÎÅ ÎÑÍÎÂÀÍÈÅ ÐÛ×ÀÃÀ ÃÍÅÇÄÎÂÎÃÎ ÊÎÍÒÀÊÒÀ
ÏÎÂÎÐÎÒÍÎÅ ÎÑÍÎÂÀÍÈÅ ÐÛ×ÀÃÀ ØÒÛÐÅÂÎÃÎ ÊÎÍÒÀÊÒÀ
ÑÎÅÄÈÍÈÒÅËÜÍÛÉ ÐÛ×ÀÃ
ÑÒÎÏÎÐ ÐÛ×ÀÃÀ ÓÏÐÀÂËÅÍÈß ÐÀÇÚÅÄÈÍÈÒÅËÅÌ
ÑÒÓÏÈÖÀ ÐÛ×ÀÃÀ ÓÏÐÀÂËÅÍÈß ÐÀÇÚÅÄÈÍÈÒÅËÅÌ
ÎÏÎÐÀ ÂÀËÀ ÏÐÈÂÎÄÀ ÇÀÇÅÌËßÞÙÅÃÎ ÍÎÆÀ
ÐÛ×Àà ÓÏÐÀÂËÅÍÈß ÇÀÇÅÌËßÞÙÅÃÎ ÍÎÆÀ
ÒßÃÀ ÓÏÐÀÂËÅÍÈß ÇÀÇÅÌËßÞÙÅÃÎ ÍÎÆÀ
ÐÅÃÓËÈÐÓÅÌÛÉ ÐÛ×Àà ÓÏÐÀÂËÅÍÈß ÇÀÇÅÌËßÞÙÅÃÎ ÍÎÆÀ
ÊÐÅÏÅÆÍÛÅ ÃÀÉÊÈ È ÕÎÌÓÒÛ ÐÅÃÓËÈÐÓÅÌÎÃÎ ÐÛ×ÀÃÀ
ÊÐÅÏÅÆÍÛÅ ÂÈÍÒÛ ÇÀÇÅÌËßÞÙÈÕ ÆÃÓÒÎÂ
ÎÏÎÐÀ ÒßÃÈ ÃÎÐÈÇÎÍÒÀËÜÍÎÉ ÒÐÀÍÑÌÈÑÑÈÈ ÇÀÇÅÌËßÞÙÅÃÎ ÍÎÆÀ
ÁËÎÊÈÐÎÂÎ×ÍÀß ÍÀÏÐÀÂËßÞÙÀß
ÁËÎÊÈÐÎÂÎ×ÍÛÉ ÊÓËÀ×ÎÊ
ÊÐÅÏÅÆÍÛÅ ÃÀÉÊÈ È ÕÎÌÓÒÛ ÊÓËÀ×ÊÀ
ÌÓÔÒÀ
(*) ÇÀÆÈÌ
(*) ÊÐÅÏÅÆÍÛÅ ÃÀÉÊÈ È ÕÎÌÓÒÛ ÇÀÆÈÌÀ
ÑÒÎÏÎÐ ÇÀÇÅÌËßÞÙÅÃÎ ÍÎÆÀ
ÑÒÓÏÈÖÀ ÐÛ×ÀÃÀ ÓÏÐÀÂËÅÍÈß ÇÀÇÅÌËßÞÙÈÌ ÍÎÆÎÌ
ÂÀË ÏÐÈÂÎÄÀ ÐÀÇÚÅÄÈÍÈÒÅËß
ÂÀË ÏÐÈÂÎÄÀ ÏÅÐÂÎÃÎ ÇÀÇÅÌËßÞÙÅÃÎ ÍÎÆÀ
ÂÀË ÏÐÈÂÎÄÀ ÂÒÎÐÎÃÎ ÇÀÇÅÌËßÞÙÅÃÎ ÍÎÆÀ 7.13 ØÏÈËÜÊÈ È ØÒÈÔÒ ÄËß ÊÐÅÏËÅÍÈß ÂÀËÀ ÏÐÈÂÎÄÀ 8.0 ÇÀÇÅÌËßÞÙÈÉ ÍÎÆ
*òîëüêî äëÿ ðàññòîÿíèÿ ìåæäó îñÿìè ïîëþñîâ X > 2500 ìì
ÐÈÑ. 5M: ÄÅÒÀËÜ - ÁËÎÊÈÐÎÂÎ×ÍÛÉ ÊÓËÀ×ÎÊ

ÒßÃÀ ÃÎÐÈÇÎÍÒÀËÜÍÎÌ ÒÐÀÍÑÌÈÑÑÈÈ ÏÅÐÂÎÃÎ ÇÀÇÅÌËßÞÙÅÃÎ ÍÎÆÀ
ÒßÃÀ ÃÎÐÈÇÎÍÒÀËÜÍÎÉ ÒÐÀÍÑÌÈÑÑÈÈ ÂÒÎÐÎÃÎ ÇÀÇÅÌËßÞÙÅÃÎ ÍÎÆÀ
ÏÎÂÎÐÎÒÍÎÅ ÎÑÍÎÂÀÍÈÅ ÐÛ×ÀÃÀ ÃÍÅÇÄÎÂÎÃÎ ÊÎÍÒÀÊÒÀ
ÏÎÂÎÐÎÒÍÎÅ ÎÑÍÎÂÀÍÈÅ ÐÛ×ÀÃÀ ØÒÛÐÅÂÎÃÎ ÊÎÍÒÀÊÒÀ
ÎÏÎÐÀ ÒßÃÈ ÃÎÐÈÇÎÍÒÀËÜÍÎÉ ÒÐÀÍÑÌÈÑÑÈÈ ÇÀÇÅÌËßÞÙÅÃÎ ÍÎÆÀ
ÁËÎÊÈÐÎÂÎ×ÍÀß ÍÀÏÐÀÂËßÞÙÀß
ÁËÎÊÈÐÎÂÎ×ÍÛÉ ÊÓËÀ×ÎÊ
ÊÐÅÏÅÆÍÛÅ ÃÀÉÊÈ È ÕÎÌÓÒÛ ÊÓËÀ×ÊÀ8.0 ÇÀÇÅÌËßÞÙÈÉ ÍÎÆ
ÝËÅÊÒÐÎÏÐÈÂÎÄ Ñ ÎÄÍÈÌ ÂÀËÎÌ
ÐÈÑ. 7: ØÊÀÔ ÏÐÈÂÎÄÀ Ñ ÂÀËÎÌ ÏÐÈÂÎÄÀ

ÐÓ×ÍÎÉ ÏÐÈÂÎÄ Ñ ÎÄÍÈÌ ÂÀËÎÌ

AREA TO CLEAN BY SAND PAPER = Ó×ÀÑÒÎÊ, ÇÀ×ÈÙÀÅÌÛÉ ÍÀÆÄÀÊÎÌ
Ñïåöèôèêàöèÿ ïðèâîäà ñ âàëîì ïðèâîäà (Ðèñ. 7)
7.1 ÝËÅÊÒÐÎÏÐÈÂÎÄ Ñ ÎÄÍÈÌ ÂÀËÎÌ
7.3 ÐÓ×ÍÎÉ ÏÐÈÂÎÄ Ñ ÎÄÍÈÌ ÂÀËÎÌ
ÂÀË ÏÐÈÂÎÄÀ ÐÀÇÚÅÄÈÍÈÒÅËß
ÂÀË ÏÐÈÂÎÄÀ ÇÀÇÅÌËßÞÙÅÃÎ ÍÎÆÀ
ÂÀË ÏÐÈÂÎÄÀ ÇÀÇÅÌËßÞÙÅÃÎ ÍÎÆÀ
ÊÐÅÏËÅÍÈß ÂÀËÀ (ÂÈÍÒ, ÏËÎÑÊÀß ØÀÉÁÀ, ÃÀÉÊÀ)
ÎÒÂÅÐÑÒÈß ÄËß ÊÐÅÏËÅÍÈß Ê ÊÎÍÑÒÐÓÊÖÈÈ
ÇÀÆÈÌ
ÊÐÅÏÅÆÍÛÉ ØÒÈÔÒ È ØÏÈËÜÊÈ
ÃÈÁÊÀß ÑÂßÇÜ ÇÀÇÅÌËÅÍÈß
78/86
ÎÏÎÐÀ ÄËß ÇÀÆÈÌÀ
ÇÀÇÅÌËßÞÙÈÉ ÁÎËÒ
ÐÈÑ. 7A: ØÊÀÔ ÏÐÈÂÎÄÀ Ñ ÂÀËÎÌ ÏÐÈÂÎÄÀ

ÍÈÆÍÅÅ ÎÑÍÎÂÀÍÈÅ ÓÏÐÀÂËÅÍÈß ÐÀÇÚÅÄÈÍÈÒÅËß
ÍÈÆÍÅÅ ÎÑÍÎÂÀÍÈÅ ÊÎÍÒÐÏÐÈÂÎÄÀ 7.1 ÝËÅÊÒÐÎÏÐÈÂÎÄ Ñ ÎÄÍÈÌ ÂÀËÎÌ
ÐÓ×ÍÎÉ ÏÐÈÂÎÄ Ñ ÎÄÍÈÌ ÂÀËÎÌ
ÂÀË ÏÐÈÂÎÄÀ ÐÀÇÚÅÄÈÍÈÒÅËß
ÂÀË ÏÐÈÂÎÄÀ ÇÀÇÅÌËßÞÙÅÃÎ ÍÎÆÀ
ÂÀË ÏÐÈÂÎÄÀ ÇÀÇÅÌËßÞÙÅÃÎ ÍÎÆÀ
ÇÀÆÈÌ
ÊÐÅÏÅÆÍÛÉ ØÒÈÔÒ È ØÏÈËÜÊÈ 7.15 ÎÏÎÐÀ ÄËß ÇÀÆÈÌÀ
ÐÈÑ. 8: ÇÀÇÅÌËßÞÙÈÉ ÍÎÆ

Ñïåöèôèêàöèÿ ê ñáîðî÷íîìó ÷åðòåæó çàçåìëÿþùåãî íîæà (Ðèñ. 8)
ÒßÃÀ ÃÎÐÈÇÎÍÒÀËÜÍÎÉ ÒÐÀÍÑÌÈÑÑÈÈ ÏÅÐÂÎÃÎ ÇÀÇÅÌËßÞÙÅÃÎ ÍÎÆÀ
ÒßÃÀ ÃÎÐÈÇÎÍÒÀËÜÍÎÉ ÒÐÀÍÑÌÈÑÑÈÈ ÂÒÎÐÎÃÎ ÇÀÇÅÌËßÞÙÅÃÎ ÍÎÆÀ
ÊÐÅÏÅÆÍÛÅ ÂÈÍÒÛ ÇÀÇÅÌËßÞÙÈÕ ÆÃÓÒÎÂ
ÎÏÎÐÀ ÒßÃÈ ÃÎÐÈÇÎÍÒÀËÜÍÎÉ ÒÐÀÍÑÌÈÑÑÈÈ ÇÀÇÅÌËßÞÙÅÃÎ ÍÎÆÀ
ÇÀÇÅÌËßÞÙÈÉ ÍÎÆ
ÏÎÄÂÈÆÍÛÉ ÐÛ×Àà ÇÀÇÅÌËßÞÙÅÃÎ ÍÎÆÀ
ÏÎÄÂÈÆÍÛÉ ØÒÛÐÅÂÎÉ ÊÎÍÒÀÊÒ
ÊÐÅÏÅÆÍÛÅ ÂÈÍÒÛ ÏÎÄÂÈÆÍÎÃÎ ØÒÛÐÅÂÎÃÎ ÊÎÍÒÀÊÒÀ
ÎÏÎÐÀ ÏÎÄÂÈÆÍÎÃÎ ÐÛ×ÀÃÀ
ÊÐÅÏÅÆÍÛÅ ÁÎËÒÛ ÏÎÄÂÈÆÍÎÃÎ ÐÛ×ÀÃÀ
ÊÐÅÏÅÆÍÀß ÏËÀÑÒÈÍÀ ÏÎÄÂÈÆÍÎÃÎ ÐÛ×ÀÃÀ
ÕÎÌÓÒÛ ÊÐÅÏËÅÍÈß ÏÎÄÂÈÆÍÎÃÎ ÐÛ×ÀÃÀ Ê ÒßÃÅ ÃÎÐÈÇÎÍÒÀËÜÍÎÉ ÒÐÀÍÑÌÈÑÑÈÈ
ÃÀÉÊÈ ÊÐÅÏËÅÍÈß ÏÎÄÂÈÆÍÎÃÎ ÐÛ×ÀÃÀ Ê ÒßÃÅ ÃÎÐÈÇÎÍÒÀËÜÍÎÉ ÒÐÀÍÑÌÈÑÑÈÈ
ÇÀÇÅÌËßÞÙÈÅ ÆÃÓÒÛ
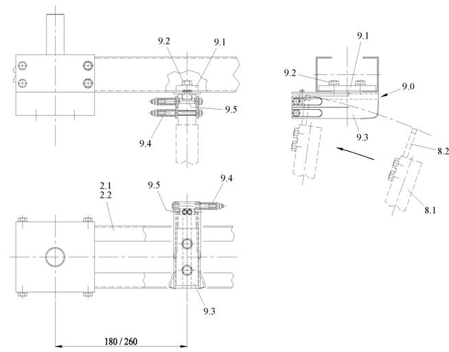
9.0 ÍÅÏÎÄÂÈÆÍÛÉ ÊÎÍÒÀÊÒ ÇÀÇÅÌËßÞÙÅÃÎ ÍÎÆÀ Â ÑÁÎÐÅ
ÐÈÑ. 9: ÑÁÎÐÎ×ÍÛÉ ×ÅÐÒÅÆ ÍÅÏÎÄÂÈÆÍÎÃÎ ÊÎÍÒÀÊÒÀ ÇÀÇÅÌËßÞÙÅÃÎ ÍÎÆÀ

ÂÍÈÌÀÍÈÅ: ÌÎÍÒÀÆ ÍÅÏÎÄÂÈÆÍÎÃÎ ÊÎÍÒÀÊÒÀ ÇÀÇÅÌËßÞÙÅÃÎ ÍÎÆÀ ÂÛÏÎËÍßÅÒÑß ÎÄÈÍÀÊÎÂÎ ÊÀÊ ÄËß ÐÛ×ÀÃÀ ØÒÛÐÅÂÎÃÎ ÊÎÍÒÀÊÒÀ, ÒÀÊ È ÄËß ÐÛ×ÀÃÀ ÃÍÅÇÄÎÂÎÃÎ ÊÎÍÒÀÊÒÀ
ÐÛ×Àà ÃÍÅÇÄÎÂÎÃÎ ÊÎÍÒÀÊÒÀ
ÐÛ×Àà ØÒÛÐÅÂÎÃÎ ÊÎÍÒÀÊÒÀ
ÏÎÄÂÈÆÍÛÉ ÐÛ×Àà ÇÀÇÅÌËßÞÙÅÃÎ ÍÎÆÀ
ÏÎÄÂÈÆÍÛÉ ØÒÛÐÅÂÎÉ ÊÎÍÒÀÊÒ
ÍÅÏÎÄÂÈÆÍÛÉ ÊÎÍÒÀÊÒ Â ÑÁÎÐÅ
ÊÎÍÒÀÊÒÍÀß ÏËÀÑÒÈÍÀ
ÊÐÅÏÅÆÍÛÅ ÂÈÍÒÛ ÊÎÍÒÀÊÒÍÎÉ ÏËÀÑÒÈÍÛ
ÍÅÏÎÄÂÈÆÍÛÉ ÃÍÅÇÄÎÂÎÉ ÊÎÍÒÀÊÒ ÇÀÇÅÌËßÞÙÅÃÎ ÍÎÆÀ
ÏÐÈÆÈÌÍÛÅ ÏÐÓÆÈÍÛ
ÑÒÎÏÎÐ
ÐÈÑ. 10: ÑÌÀÇÊÀ ÌÀÑËÎÌ È ÊÎÍÑÈÑÒÅÍÒÍÎÉ ÑÌÀÇÊÎÉ

MOBILE ARM ASSEMBLY WITH FEMALE CONTACT = ÓÇÅË ÏÎÄÂÈÆÍÎÃÎ ÐÛ×ÀÃÀ Ñ ÃÍÅÇÄÎÂÛÌ ÊÎÍÒÀÊÒÎÌ MOBILE ARM ASSEMBLY WITH MALE CONTACT = ÓÇÅË ÏÎÄÂÈÆÍÎÃÎ ÐÛ×ÀÃÀ ÑÎ ØÒÛÐÅÂÛÌ ÊÎÍÒÀÊÒÎÌ EARTHING SWITCH=ÇÀÇÅÌËßÞÙÈÉ ÍÎÆ EACH BAN joint = ÊÀÆÄÛÉ ØÀÐÎÂÎÉ ØÀÐÍÈÐ
![]() | NYOGEL 760G (ÊÀÊ ÀËÜÒÅÐÍÀÒÈÂÀ: RHEOLUBE 365, ASEOL Sylitea 3 0-365.2) Ñ öåëüþ çàùèòû êîíòàêòíûå çîíû ñìàçûâàþòñÿ íåéòðàëüíûì âàçåëèíîì íà çàâîäå. Ïåðåä òåì, êàê îñóùåñòâèòü ñáîðêó, óäàëèòü âàçåëèí ñóõîé òðÿïî÷êîé, ïîòîì íàíåñòè âûøåóêàçàííóþ ñìàçêó êèñòî÷êîé (íåîáõîäèìîå êîëè÷åñòâî äëÿ ïåðâîé ñìàçêè âêëþ÷åíî â ïîñòàâêó). |
![]() | MULTI-F-S (ÊÀÊ ÀËÜÒÅÐÍÀÒÈÂÀ: SILAN) Äåòàëè ñìàçàíû íà çàâîäå. Ïîñëåäóþùàÿ ñìàçêà îñóùåñòâëÿåòñÿ ñ ÷àñòîòîé, óêàçàííîé â ãëàâå 8. (íåîáõîäèìîå êîëè÷åñòâî äëÿ ïåðâîé ñìàçêè âêëþ÷åíî â ïîñòàâêó). |