+7 (351) 215-23-09


Наполнение сайта товарами, услугами, новостями и статьями

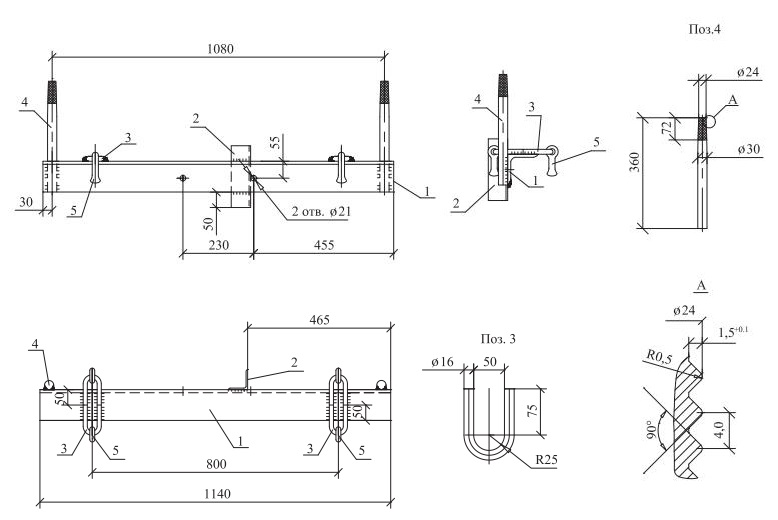
Траверса ТМ57

Дополнительно по теме

Опорно-анкерные плиты П-Зи, П-4

Анкер АВ-1

Стяжки Г1, Г11

Ригель Г7

Кронштейны У1, У4, У52

Кронштейны КС2, ОТ22

Растяжка ОТ19, оттяжка ОТ20, анкерный болт ОТ21

Хомуты Х1, Х15, Х16, Х31 и Х51

Заземляющие проводники ЗП1 и ЗП6

Траверсы ТМ51, ТМ52 и TM53

Траверсы ТМ54, ТМ55 и ТМ56

Траверсы ТМ57, ТМ58 и ТМ59

Траверсы ТМ60, ТМ61 и ТМ62

Траверсы ТМ63, ТМ64 и ТМ65

Траверсы ТМ66, ТМ67 и ТМ68

Траверсы ТМ69, ТМ70 и ТМ71

Траверсы ТМ72, ТМ73 и ТМ74

Поз.

Наименование

Кол-во

Масса ед., кг

1

2

3

4

Уголок 100x100x8, L=640

Круг 16, L=254

Круг 30, L=360

Серьга С 7-16

1

1

1

1

7,84

0,4

2,0

0,3

Сварку производить электродом Э42А ГОСТ 9467-75. Катеты швов kf = 6мм. Приварку петли поз.2 производить после установки серьги поз.4 четырьмя швами длиной по 50 мм.

Траверса ТМ58

Поз.

Наименование

Кол-во

Масса ед., кг

1

2

3

4

Уголок 100x100x8, L=290

Круг 16, L=254

Заземляющий проводник, круг 30, L=360

Серьга С 7-16

1

2

1

1

3,6

0,4

0,3

0,3

Сварку производить электродом Э42А ГОСТ 9467-75. Катеты швов kf = 6мм. Приварку петли поз.2 производить после установки серьги поз.4 четырьмя швами длиной по 50 мм.

Траверса ТМ59

Поз.

Наименование

Кол-во

Масса ед., кг

1

2

3

4

5

Уголок 100x100x8, L=1140

Уголок 63x63x5, L=200

Круг 16, L=254

Круг 30, L=360

Серьга С 7-16

1

1

4

2

4

14,0

0,96

0,4

2,0

0,3

Сварку производить электродом Э42А ГОСТ 9467-75. Катеты швов kf = 6мм. Приварку петли поз.3 производить после установки серьги поз.5 четырьмя швами длиной по 50 мм.