+7 (351) 215-23-09


Наполнение сайта товарами, услугами, новостями и статьями

Камеры сборные одностороннего обслуживания серии КСО «Новация»

1.НАЗНАЧЕНИЕ И ОБЛАСТЬ ПРИМЕНЕНИЯ

Камеры сборные одностороннего обслуживания серии КСО «Новация» предназначены для приема и распределения электрической энергии трехфазного переменного тока частотой 50 Гц напряжением 6-10 кВ в сетях с изолированной или заземленной через дугогасящий реактор нейтралью.

Камеры КСО «Новация» применяются в составе РУ напряжением 6-10 кВ при новом строительстве, расширении, реконструкции и техническом перевооружении следующих объектов:

• распределительных и трансформаторных подстанций городских электрических сетей;

• распределительных и трансформаторных подстанций объектов гражданского назначения и инфраструктуры;

• распределительных подстанций предприятий легкой промышленности;

• тяговых подстанций городского электрического транспорта и метрополитена;

• комплектных трансформаторных подстанций высокой степени заводской готовности.

Камеры КСО «Новация» предназначены для работы внутри помещений при следующих условиях:

• высота над уровнем моря до 1000 м;

• верхнее рабочее значение температуры окружающего воздуха не выше + 40°С;

• нижнее рабочее значение температуры окружающего воздуха не ниже - 25°С (для ячеек с выключателем LKE нижний предел - 20°С);

• относительная влажность воздуха 98% при температуре + 25°С;

• окружающая среда невзрывоопасная, не содержащая токопроводящей пыли, агрессивных паров и газов в концентрациях, разрушающих металлы и изоляцию (тип атмосферы II по ГОСТ 15150-69).

2. ТЕХНИЧЕСКИЕ ХАРАКТЕРИСТИКИ

Структура условного обозначения камеры КСО:

КСО

"Новация"

ХХХ

У3

Камера сборная одностороннего обслуживания

Наименование серии

Обозначение схемы главных цепей

Климатическое исполнение и категория размещения по ГОСТ 15150 и ГОСТ 15543.1

Пример записи обозначения камеры КСО серии «Новация» со схемой главных цепей №001

КСО «Новация»-001 - УЗ

Таблица 1. Основные параметры и характеристики КСО «Новация».

Наименование параметра

Значение параметра

Номинальное напряжение, кВ

6; 10

Наибольшее рабочее напряжение, кВ

7,2; 12

Номинальный ток сборных шин, А

630; 1000; 1600

Номинальный ток главных цепей, А

630; 1000; 1600А

Номинальный ток трансформаторов тока, А

50; 75; 100; 150; 200; 300; 400; 600; 800; 1000, 1500

Номинальный ток отключения выключателя, кА

20

Номинальный ток термической стойкости главных цепей (3 с)*, кА

20

Номинальный ток цепей заземления (1 с)

20

Ток электродинамической стойкости, кА

51

Механический ресурс:

- циклов «вкатывание-выкатывание» моноблока

- циклов ВО шинного и линейного разъединителей

- циклов ВО заземлителя

2000

2000

2000

Максимальная мощность встроенного ТСН не более, кВА

40

Номинальное напряжение вспомогательных цепей, В:

• переменного оперативного тока

• постоянного оперативного тока

• цепи освещения внутри камер

• цепи трансформаторов собственных нужд

220

220

36

380; 220

Степень защиты оболочки по ГОСТ 14254:

- для наружных оболочек фасада и боковых сторон РУ

- днище кабельного отсека, задняя стенка КСО

IP 20

IP 00

Климатическое исполнение и категория размещения по ГОСТ 15150

УЗ

Группа условий эксплуатации по стойкости к воздействию механических факторов внешней среды по ГОСТ 17516.1

М39

Габаритные размеры базового шкафа, мм:

• Высота (со сборными шинами)

• Ширина по фасаду

• Глубина(в основании)

• Глубина в рабочем положении моноблока

• Глубина в ремонтном положении моноблока

• Ход моноблока между рабочим и ремонтным положениями, мм

• Ход моноблока из рабочего положения в контрольное

2100

350,450, 500, 550, 650, 750

800

1045

1810

765±2

100мм±2

Масса базовой камеры (шкаф ввода), не более кг.

Масса камеры с ТСН, не более кг.

Масса камеры на номинальный ток 1600 А, не более кг.

Масса камеры с ВН, не более кг.

450

590

520

300

Срок службы, лет, не менее

25

* В зависимости от параметров трансформаторов тока

Таблица 2. Классификация исполнений КСО «Новация».

Наименование признака классификации

Исполнение

Вид камер в зависимости от встраиваемой аппаратуры

• с силовыми выключателями

• с выключателем нагрузки

• с разъединителями

• с трансформатором напряжения

• с трансформаторами собственных нужд

• с кабельными сборками

• с батареями конденсаторов

• с аппаратурой собственных нужд

Уровень изоляции по ГОСТ 1516.3-76

Нормальная

Вид изоляции

Воздушная

Изоляция ошиновки

С неизолированными шинами

Сборные шины

С одной системой сборных шин

Вид линейных высоковольтных присоединений

Кабельные, шинные

Наличие выдвижных элементов в ячейках

Технологически выдвижной моноблок

Условия обслуживания

Одностороннее

Вид управления

Местное, дистанционное или телемеханическое (в зависимости от установленной аппаратуры)

 

Таблица 3. Типы оборудования, применяемого в составе КСО «Новация».

Наименование оборудования

Тип, марка

Предприятие-изготовитель

Вакуумные выключатели

ISM15-LD-1(48)

ISM15-Shell-2( 200-H)

«Таврида Электрик»

Выключатель нагрузки

LKE-ALBS

LKE Medium Voltaqe System

Трансформаторы тока

ТЛП-10; ТЛО-10

«Электрощит-К»

Трансформаторы напряжения

ЗНОЛПМ-6(10)

СЗТТ

НАМИТ-10

«Самарский трансформатор»

Трансформаторы тока нулевой последовательности

ТЗЛМ; ТЗЛ; ТЗРЛ;

СЗТТ

CSH

Schneider Electric

Ограничители перенапряжений

ОПН-РТ/TЕL-6(10)

ПГ «Таврида Электрик»

Предохранители

ПКН, ПКТ 6 (10) кВ

ГУП «Учреждение ЯЛ 61/3»

Предохранители DIN стандарта

Различные

Трансформаторы собственных нужд

ТСКС-40; ТЛС-40

Различные

ОЛСП-1,25; ОЛСП-4

СЗТТ

Заземлитель

JN15 12-31.5-210

HEAG

Микропроцессорные УРЗиА

Различные

Различные

Системы дуговой защиты

Различные

Различные

3. СХЕМЫ ГЛАВНЫХ ЦЕПЕЙ

Принципиальные схемы соединений главных цепей камер КСО «Новация» приведены в Приложении 1. В сетке схем отображается максимальное наполнение ячейки исходя из конструктивных возможностей. Количество и тип фазных трансформаторов тока, трансформаторов тока нулевой последовательности, наличие ОПН, дополнительного шинного индикатора напряжения, устройств РЗиА, а также боковых переходов и прочих требований, при заказе уточняется в опросном листе (Приложении 4). Каждая камера имеет трехзначное обозначение. Первая цифра указывает номер группы функционального исполнения КСО «Новация», остальные две - указывают порядковый номер внутри группы. По согласованию с заводом-изготовителем могут быть изготовлены шкафы со схемами главных цепей, представленными заказчиком.

4. СХЕМЫ ВСПОМОГАТЕЛЬНЫХ ЦЕПЕЙ

Принципиальные и монтажные схемы вспомогательных цепей входят в состав технического проекта КСО, прилагаемого к заказу. Заводом-изготовителем разработаны типовые схемы вспомогательных цепей следующих камер КСО: вводов, отходящих линий, секционных выключателей, трансформаторов напряжения и трансформаторов собственных нужд. Схемы разработаны на постоянном и переменном оперативном токе. По требованию заказчика шкафы постоянного оперативного тока могут входить в комплект поставки КСО.

Возможно выполнение схем вспомогательных цепей КСО по принципиальным схемам заказчика.

В составе КСО «Новация» могут применяться различные микропроцессорные устройства защиты и автоматики, электронные и многофункциональные счетчики электрической энергии.

Планы расположения КСО и клемных шкафов, трассы прокладки, схемы разводки и подключения внешних контрольных кабелей, а также кабельные журналы разрабатываются проектными организациями.

Не допускается вносить любые изменения в схемы вспомогательных цепей без согласования с изготовителем и проектной организацией.

5. КОНСТРУКЦИЯ

Корпус камеры представляет собой сборную металлоконструкцию, изготовленную из оцинкованной стали, внутри которой размещается вся аппаратура схем главных и вспомогательных цепей. Фасадные части и шинные мосты окрашены порошковой краской, что позволяет достичь высокой коррозионной стойкости и исключить необходимость повторной окраски в течение всего срока эксплуатации.

Все несущие соединения выполнены на усиленных стальных вытяжных заклепках. Внутреннее пространство камеры КСО «Новация» конструктивно разделено на следующие функциональные отсеки: отсек сборных шин; отсек (выдвижного) моноблока; отсек присоединений (кабельный отсек); релейный отсек (размещен на моноблоке). Общий вид камер ввода, отходящей линии представлен на рис. 5.1.

На задней стенке камеры предусматриваются аварийные разгрузочные отверстия, предназначенныедля организации направленного выброса продуктов горения дуги в необслуживаемую зону при возникновении замыкания внутри камеры. Для предотвращения проникновения внутрь камеры мелких животных и птиц отверстия для выброса продуктов горения могут быть закрыты сетчатым ограждением.

Все подлежащие заземлению аппараты внутри камеры, двери релейного отсека и отсека сборных шин, а также прочие места, доступные для прикосновения в процессе эксплуатации, которые могут оказаться под напряжением, заземлены.

На фасадной стороне ячейки располагаются органы управления аппаратами, мнемосхема с механическими индикаторами положения вакуумного выключателя, шинного и линейного разъединителей, линейного заземлителя, а также приборы управления, учета, сигнализации и измерения, а также элементы механических, электромагнитных блокировок.

РУ комплектуется из отдельных шкафов, в каждом из которых размещается аппаратура одного присоединения к сборным шинам.

Рис. 5.1 Состав камеры ввода КСО «Новация»

1-короб транзитных цепей

2-крышка короба

3-сборные шины

4-крышка отсека сборных шин

5-смотровое окно ШР

6-ШР (шинный разъединитель)

7-рама КСО

8-рама выдвижного моноблока

9-мнемосхема

10-релейный отсек

11-указательположения ШР

12-указательположения ВВ

13- вакуумный выключатель (ВВ)

14-трансформатор тока (ТТ)

15-кнопка ручного отключения ВВ

16-выдвижные направляющие

17-окно доступа к приводу ШР, ЛР

18-панель моноблока

19-шторочный механизм

20-указатель положения ЛР

21-ограничитель хода моноблока

22-дверь отсека присоединений

23-смотровое окно ЛР

24-ЛР (линейный разъединитель)

25-светильник

26-шины отсека присоединений

27-ОПН

28-индикатор высокого напряжения (ИВН)

29-датчик ИВН

30-электомагнитный блок-замок ЗБ-1М

31-окно доступа к приводу заземлителя

32-указатель положения заземлителя

33-смотровое окно заземлителя

34-бонки заземления

35-линейный заземлитель

36-узел крепления кабелей

37-трансформатор нулевой последовательности

38-фиксатор моноблока

39-разгрузочные отверстия

В ячейках используется закрытый отсек сборных шин, что значительно повышает надежность и исключает возможность перекрытия на шинах. Сборные шины закрываются с фасада защитной съемной крышкой со смотровым окном, позволяющим контролировать положение шинного разъединителя (рис 5.2.), а на крайних в ряду камерах устанавливаются боковые защитные экраны. Отсек освещен светодиодным светильником напряжением 36 В. Доступ к сборным шинам в процессе эксплуатации возможен путем снятия верхней и фасадной защитных крышек.

В отсеке моноблока, в зависимости от реализуемой схемы главных цепей, на единой металлоконструкции размещаются вакуумный выключатель, трансформаторы тока, трансформаторы напряжения, релейный отсек, шинный и линейный разъединители, элементы блокировок и индикации (рис. 5.3).

Шинный и линейный разъединители, являясь элементами оригинальной конструкции, выполняются неотъемлемой частью моноблока и не могут быть использованы как отдельное изделие вне камер КСО «Новация». Расположение разъединителей, имеющих единый привод и работающих синхронно, в непосредственной близости от силового выключателя, позволило существенно упростить кинематическую схему приводов, повысив тем самым надежность ячейки.

Технологически выдвижной моноблок в составе КСО «Новация» способен занимать следующие фиксированные функциональные положения:

• «рабочее» - главные цепи замкнуты, моноблок расположен в КСО;

• «контрольное» - главные цепи разомкнуты, моноблок выдвинут из КСО на 100 мм и зафиксирован;

• «ремонтное» - главные цепи разомкнуты, моноблок выдвинут из КСО.

Для перемещения моноблока в «контрольное» и «ремонтное» положения подвижные контакты шинного и линейного разъединителей, перемещаясь строго в вертикальной плоскости, складываются внутрь выдвижной части моноблока. При нахождении моноблока в указанных положениях доступ в отсеки сборных шин и присоединений закрыт специальным шторочным механизмом. Шторки, выполненные из негорючего диэлектрического материала, запирают доступ из отсека моноблока в отсеки сборных шин и отсек присоединений. Ограничение перемещения моноблока в «рабочем», «контрольном» и «ремонтном» положениях осуществляется с помощью специальных фиксаторов, размещенных на раме. По желанию заказчика, а также при необходимости уменьшения хода моноблока возможно изменение точек крепления фиксаторов или установка дополнительных с целью организации промежуточных положений.

Рис. 5.2. Отсек сборных шин

Рис. 5.3. «Ремонтное» положение моноблока

Рис. 5.6. Компоненты моноблока

1 - рама моноблока

2 - боковой фиксатор моноблока

3, 4, 5 - указатели положения ШР, ВВ, ЛР

6, 7 - микропереключатели положения ШР и ЛР

8 - микропереключатель положения моноблока

9 - крышка (окна) привода ШРиЛР

10 - ручка крышки

11 - тяга крышки

12 - задний фиксатор моноблока

13 - допол-ный фиксатор моноблока

14 - тяга блокировки ЛР

15 - фиксатор блокировки ЛР

Рис. 5.7. Общий вид моноблока

1 - передний фиксатор моноблока

2 - панель моноблока

3 - ручка переднего фиксатора

4 - навесной замок на доступ к приводу ШР, ЛР

В отсеке присоединений, в зависимости от реализуемой схемы главных цепей, размещаются заземлитель присоединения, трансформатор тока нулевой последовательности, трансформатор собственных нужд, а также возможна установка нелинейных ограничителей перенапряжений по схеме «фаза-земля».

Зона отсека присоединений освещена светодиодным светильником напряжением 12 В.

Камеры КСО «Новация» имеют возможность присоединения до четырех трехфазных кабелей сечением до 240 мм2, а также шести однофазных кабелей с пластмассовой изоляцией сечением до 500 мм2. Пример организации кабельного подключения показан на рис. 5.9. Для удобства работы с кабелем дверь отсека присоединений выполнена съемной.

Устанавливаемый в отсеке присоединений линейный за-землитель оснащен быстродействующим пружинным приводом и обладает включающей способностью на полный ток короткого замыкания.

При необходимости подключения трансформатора напряжения или трансформатора собственных нужд до ввода распределительного устройства возможна организация бокового шинного перехода влево или вправо из отсека присоединений (рис. 5.10.).

Релейный отсек представляет собой отдельный шкаф с аппаратурой вспомогательных цепей, установленный на фасадной стороне моноблока. В релейном отсеке размещаются приборы управления, защиты, сигнализации и учета электроэнергии. Все органы и элементы управления, приборы визуального контроля и учета расположены на удобной для обслуживающего персонала высоте.

Схемы вспомогательных цепей камер КСО «Новация» модулями управления серии СМ-16.

Релейная защита и автоматика присоединений КСО может быть выполнена с использованием практически любых микропроцессорных устройств защиты и автоматики.

В релейном отсеке дополнительно предусмотрена возможность организации местного обогрева для применения релейных устройств, минимальная температура эксплуатации которых выше - 25°С.

Прокладка магистральных шинок оперативных цепей осуществляется в коробе, расположенном в верхней части камеры и изолированном от отсека сборных шин. В коробе дополнительно размещаются клемные ряды магистральных шинок. При необходимости имеется возможность установки дополнительного канала транзитных цепей, монтируемого опционально поверх штатного канала.

Рис 5.9. Пример подключения кабелей из сшитого полиэтилена

Рис. 5.10. Варианты бокового шинного перехода

6. ФУНКЦИОНАЛЬНЫЕ ИСПОЛНЕНИЯ КАМЕР КСО«НОВАЦИЯ»

6.1. Камеры ввода, ОЛ и СВ

Камеры ввода (группа 0) предназначены для выполнения коммутаций от токоведущих частей кабельной линии к токоведущим частям распределительного устройства. Подключение питающих кабельных линий напрямую в отсек присоединений вводного шкафа позволяет эффективно использовать пространство РУ.

От камеры отходящих линий осуществляется распределение электрической энергии и питание конечных потребителей: силовые трансформаторы, высоковольтные электродвигатели и т.п.

Камеры секционного выключателя (группа 1) используются при однорядном расположении секций РУ. В целях уменьшения габаритных размеров РУ в камерах возможно совместное размещение секционного выключателя (СВ) и заземлителя сборных шин (ЗСШ) - камеры №103, 104. Камеры изготавливаются на токи 630, 1000 А и 1600 А.

6.2. Камеры ТН

Камеры ТН (группа 21 предназначены для подключения к сборным шинам РУ или ячейки измерительного трансформатора напряжения (ТН), необходимого для трансформации высокого напряжения 6(10) кВ в напряжение цепей измерения, учёта, релейной защиты и автоматики. Для организации защиты от перегрузки и сквозных токов короткого замыкания в камере устанавливаются трансформаторы напряжения со встроенными предохранителями. В целях уменьшения габаритных размеров РУ существует возможность применения камер с совмещенными ТН и ЗСШ (№204, 205 и 206), а также комбинации ТН и маломощного ТСН, который может быть использован для организации оперативного тока до момента включения основных источников.

6.3. Камеры ТСН

Камеры ТСН (группа 3) предназначены для обеспечения питанием цепей оперативного тока и собственных нужд распределительного устройства. В отсеке присоединений камеры ТСН устанавливается сухой трёхфазный силовой трансформатор 6(10)/0,4 кВ мощностью не более 40 кВА, предназначенный для питания потребителей собственных нужд ячеек распределительного устройства и подстанции. Защита встроенного ТСН осуществляется с помощью плавких предохранителей. Коммутация токов на стороне высокого напряжения осуществляется выключателем нагрузки (ВН), на стороне низкого напряжения - автоматическим выключателем 0,4 кВ.

6.4. Камеры ВН

Камеры с выключателями нагрузки LKE серии «ABSL» (группа 5) предназначены для коммутации токов нагрузки электрических присоединений распределительного устройства. Применение камер с выключателями нагрузки в схемах распределительных устройств позволяет организовать питание и защиту присоединений, на которых отсутствует необходимость установки силовых выключателей. Камеры изготавливаются на номинальные токи 400 и 630 А.

Автогазовые выключатели нагрузки LKE серии «ALBS» представляют собой коммутационные аппараты с поперечным относительно сборных шин расположением полюсов (рис. 6.4.1). Данное свойство было в максимальной степени использовано при применении этих аппаратов в составе КСО «Новация».

Габаритные размеры камер с выключателями нагрузки по фасаду составляют всего 500 мм при реализации традиционных схемных решений для отходящих линий и присоединений с силовыми трансформаторами, и 550 мм - при необходимости наличия учета электрической энергии на указанных фидерах. Выключатель нагрузки LKE серии «ALBS» состоит из трех групп контактов, которые размещены внутри специальных изолирующих корпусов, смонтированных на общем металлическом основании. Синхронная работа полюсов ВН обеспечивается с помощью главного вала, который приводится в действие пружинным механизмом, размещенным с фасадной стороны камеры, доступ к которому может быть легко осуществлен путем снятия изолирующей крышки. Процесс дугогашения осуществляется путем деионизации электрической дуги направленной струей сжатого воздуха параллельно с ее удлинением, в процессе перемещения подвижного контакта. Форма сопла, через которую направляется воздушный поток, обеспечивает необходимое направление и эффективность дутья. При этом оптимальная скорость расхождения контактов в совокупности с быстрым восстановлением электрической прочности межконтактного промежутка обеспечивает возможность коммутации индуктивных и емкостных токов без возникновения перенапряжений опасной кратности.

Таблица 6.4. Технические параметры выключателя нагрузки LKE «ALBS»

Наименование параметра

Значение параметра

Номинальное напряжение, кВ

Наибольшее рабочее напряжение, кВ

Номинальный ток, А

Номинальный ток при соsj > 0,7

Номинальный ток отключения ненагруженного трансформатора, А Номинальный ток отключения ненагруженного кабеля, А

Номинальный ток термической стойкости (3 сек), кА

Ток электродинамической стойкости, кА

Ресурс по механической стойкости, не менее

Коммутационный ресурс при токе отключения 630 А, не менее

Собственное время включения, мс

Срок службы, лет

6; 10

7,2; 12

630

630

16

25

20

51

4000

500

50

25

 

Рис 6.4.1. Выключатель нагрузки LKE серии «ALBS»

6.5. Камеры CP

Камеры с секционным разъединителем (группа 7) предназначены для коммутации электрических цепей без нагрузки, а также создания видимого разрыва электрической цепи, необходимого для безопасного обслуживания и ремонта оборудования распределительного устройства. В целях уменьшения габаритов РУ имеются камеры с совместным размещением СРи ЗСШ (№ 702, 703 и 704).

7. ШИННЫЕ МОСТЫ

Соединение между камерами может производиться с помощью кабельных перемычек или шинных мостов (далее по тексту - ШМ). Шинный мост представляет собой металлоконструкцию, собранную из двух полумостов с опорными изоляторами, шинами и шинодержателями, рамы которых соединены вставками или соединительными секциями. ШМ устанавливаются при двухрядном расположении камер в помещении распределительного устройства. Шинные мосты выполняются без разъединителей и изготавливаются на номинальный ток 1000 и 1600 А. В зависимости от ширины прохода между рядами камер ШМ подразделяются на исполнения, представленные в Приложении 3.

Вертикальные шинные мосты (ШМВ) представляют собой металлоконструкцию, собранную из двух полумостов, рамы которых соединены вставками или соединительными секциями. Устанавливаются при двухрядном расположении камер в помещении РУ, опираясь на специально разработанные камеры сх.604. ШМВ выполняются без разъединителей и изготавливаются на номинальный до 1600А.

8. ПРИМЕРЫ ФОРМИРОВАНИЯ ГЛАВНЫХ ЦЕПЕЙ РУ

8.1. Формирование кабельного ввода на секцию

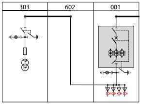
На рис. 8.1. представлена схема реализации кабельного ввода на секцию с номинальным током 630 и 1000 А. Кабель подключается через камеру кабельного ввода (№601), после чего шины при необходимости соединяются с камерой с ТСН (№303) и с помощью переходной камеры (№602) соединяются с камерой ввода (№001). Такой вариант кабельного ввода позволяет сделать более удобным подключение большого количества вводных питающих кабельных линий на секцию РУ.

Кабельный ввод с номинальным током 1600 А по сравнению с вводом на номинальные токи 630 и 1000 А отличается шириной камер ввода (№001), она составляет 750 мм.

8.2. Организация оперативного питания РУ 8.2.1. ТСН до ввода

Для организации схем питания на переменном оперативном токе может быть реализован вариант с установкой ТСН до ввода распределительного устройства. Питание цепей оперативного тока и собственных нужд распределительного устройства появляется при подаче напряжения на питающие линии и соответственно на ТСН, вследствие чего может быть осуществлено включение вводного выключателя и других присоединений РУ.

На рис. 8.2.1. приведен вариант организации подключения ТСН (№303) к кабельной линии через переходную камеру (№602) до ввода (№001).

8.2.2. Организация первого включения

Для организации первого включения вводного выключателя может быть использован однофазный ТСН типа ОЛСП, играющий роль первичного источника оперативного тока и подключаемый до ввода. После подачи напряжения на секцию РУ производится подключение основного ТСН (камера №303) и осуществляется питание цепей оперативного тока и собственных нужд распределительного устройства (Рис. 8.2.2.).

8.3. Формирование схемы секционного выключателя РУ

Для экономии помещения РУ возможны различные варианты организации секционирования, которое может осуществляться с помощью отрезков шин или кабельной перемычки(камера № 608). На рис 8.3. изображен вариант шинного соединения секций при однорядном расположении оборудования. При этом для реализации механических блокировок между секционным выключателем и секционным разъединителем камера CP (№701) располагается всегда слева от камеры СВ (№101).

8.4. Контроль напряжения до вводного выключателя РУ

При необходимости осуществления контроля напряжения до вводного выключателя распределительного устройства возможно использование камеры ТН №203. Подключение трансформатора напряжения осуществляется с помощью бокового шинного перехода из камеры ввода, (рис. 8.4.).

9. ОБЕСПЕЧЕНИЕ БЕЗОПАСНОСТИ ЭКСПЛУАТАЦИИ

Эксплуатационная безопасность КСО «Новация» обеспечивается конструктивными решениями, простотой и наглядностью коммутационных операций, а также продуманной системой оперативных блокировок.

Приводы выключателей нагрузки, разъединителей, заземляющих разъединителей и аппаратов управления расположены с фасадной стороны ячейки. Контроль положения коммутационных аппаратов реализуется с помощью механических указателей, жестко связанных с приводами ВВ, разъединителя, заземлителя и ВН.

На фасаде камеры установлены индикаторы наличия напряжения на присоединении. Контроль наличия напряжения осуществляется с помощью емкостных датчиков напряжения, встроенных в опорные изоляторы. Предусмотрена возможность подключения измерительного прибора для проведения фазировки кабеля на низком напряжении без открывания дверей отсека присоединений.

На задней стенке камеры находятся разгрузочные отверстия для предотвращения разрушения конструкции и выброса продуктов горения в необслуживаемую зону обслуживания при возникновении электродуговых процессов. При необходимости организации прохода с тыльной стороны камер они дополнительно комплектуются коробом для организации направленного выброса вверх.

Для обзора внутреннего пространства ячейки и визуального контроля положения контактов разъединителей и выключателей нагрузки на дверях отсеков выполнены смотровые окна. Отсек сборных шин и отсек присоединений освещены светодиодными светильниками напряжением 36 В.

Все подлежащие заземлению аппараты внутри камеры, двери релейного отсека и отсека сборных шин, а также прочие места, доступные для прикосновения в процессе эксплуатации, которые могут оказаться под напряжением, заземлены.

Рис. 8.1. Однолинейная схема кабельного ввода

Рис. 8.2.1. Однолинейная схема ТСН до ввода РУ

Рис. 8.2.2. Однолинейная схема первого включения ВВ

Рис. 8.3. Шинное секционирование

Рис. 8.4. Индикация напряжения до ввода

Система блокировок предотвращает неправильные действия персонала при производстве оперативных переключений. Для КСО «Новация» платно предусмотрены следующие блокировки (рис. 9.1.):

• блокировка, не допускающая включение коммутационного аппарата, установленного на выдвижном элементе, при нахождении разъединителей в промежуточном положении (механическая);

• блокировка, не допускающая включение или отключение разъединителей при включенном выключателе первичной цепи (механическая);

• блокировка между разъединителем и ножами заземления, не допускающая включение ножей заземления при включенных разъединителях (механическая);

• блокировка между разъединителем и ножами заземления, не допускающая включение разъединителей при включенных ножах заземления (механическая);

• блокировка, не допускающая перемещений выдвижного элемента из рабочего положения в контрольное, а также из контрольного положения в рабочее при включенном положении установленного на выдвижном элементе коммутационного аппарата (механическая);

• блокировка линейного заземлителя, не допускающая открывания дверей при разомкнутом положении линейного заземлителя (механическая).

Дополнительно в составе распределительного устройства предусмотрена возможность выполнения следующих блокировок:

• запрет на включение ввода при заземлении сборных шин соответствующей секции (электрическая);

• запрет включения секционного выключателя (в том числе при АВР) при заземлении сборных шин любой секции (электрическая);

• запрет на включение заземлителя сборных шин при включенных вводном и секционном выключателях (электрическая).

9.1. Блокировка, не допускающая включение коммутационного аппарата, установленного на выдвижном элементе, при нахождении разъединителей в промежуточном положении (механическая)

Принцип работы:

при перемещении ручки доступа к управлению разъединителями в верхнее положение, для открытия окна доступа, ось блокировки вала ВВ проникает в полость вала ВВ, тем самым механически фиксирует его от вращения при включении. Если ВВ до этого момента находился во включенном положении, то доступ к приводу разъединителей организовать невозможно. Схема реализации блокировки представлена на рис. 9.2.

9.2. Блокировка, не допускающая включение или отключение разъединителей при включенном выключателе первичной цепи (механическая)

Принцип работы:

при включенном вакуумном выключателе вал ВВ делает поворот, и при попытке перемещения ручки доступа к управлению разъединителями в верхнее положение для открытия окна доступа ось блокировки упирается в вал и перемещение ручки становится невозможным. Окно не открывается. Оперирование разъединителями невозможно. Схема реализации блокировки представлена на рис. 9.3.

9.3. Блокировка между разъединителем и ножами заземления, не допускающая включение ножей заземления при включенных разъединителях (механическая)

Принцип работы:

при включенных главных ножах ось блокировки шинного и линейного разъединителя входит направляющую. Снизу в эту направляющую входит осьблокировки линейногозазем-лителя. Попытка поднять ручку доступа к окну управления заземлителем приводит к соприкосновению этих осей, что не позволяет поднять шторку.

Рис. 9.1. Система блокировок камеры КСО «Новация»

Рис. 9.2. Система блокировок камеры КСО «Новация»

Рис. 9.3. Система блокировок камеры КСО «Новация»

Q - выключатель вакуумный

QS1 - разъединитель шинный

QS2 - разъединитель линейный

QSG - заземлительлинейный

1 - вал вакуумного выключателя (ВВ)

2 - ось блокировки вала ВВ

3 - ручка доступа к управлению разъединителями

Рис. 9.4. Система блокировок камеры КСО «Новация»

1 - вал вакуумного выключателя (ВВ);

2 - ось блокировки вала ВВ;

3 - ручка доступа управлению разьединителями

9.4. Блокировка между разъединителем и ножами заземления, не допускающая включение разъединителей при включенных ножах заземления (механическая)

Принцип работы:

при включении линейного заземлителя его ось блокировки (рис. 9.5.) переходит в верхнее положение, проникая в направляющую. Попытка переместить ручку доступа к окну управления линейным и шинным разъединителем приводит к соприкосновению оси блокировки линейного и шинного разъединителя с осью блокировки линейного заземлителя. Перемещение ручки невозможно. Оперирование линейным и шинным разъединителем невозможно.

9.5. Блокировка, не допускающая перемещений выдвижного элемента из рабочего положения в контрольное, а также из контрольного положения в рабочее при включенном положении установленного на выдвижном элементе коммутационного аппарата(механическая)

Принцип работы:

При нахождении моноблока в рабочем положении, включенных линейном и шинном разъединителях и включенном вакуумном выключателе, верхний и нижний фиксаторы моноблока входят в ловитель и направляющую соответственно. При этом переместить моноблок без отключения выключателя и разъединителей невозможно. Положения фиксаторов представлены на рис. 9.6.

9.6. Блокировка линейного заземлителя, не допускающая открывания дверей при разомкнутом положении линейного заземлителя (механическая)

Принцип работы:

Если линейный разъединитель находиться в отключенном положении флажок его указателя входит в зацепление с уголком двери кабельного отсека. Снять дверь не возможно, не включив заземляющие ножи.

В случае экстренной необходимости (невозможности разблокировать дверь) уголок блокировки снимается откручиванием двух болтов на двери со стороны фасада. Имеется возможность пломбировки данных болтов.

1 - ось блокировки линейного и шинного разъединителя

2 - ось блокировки линейного заземлителя

3 - ручка доступа к окну управления заземлителем

Рис. 9.5. Система блокировок камеры КСО «Новация»

Рис. 9.6. Положения фиксатора в моноблоке

1 - ось блокировки линейного и шинного разьединителя

2 - ось блокировки линейного заземлителя

3 - ручка доступа к окну управления линейным и шинным разъединителями

10. МОНТАЖ

Порядок монтажа, регулировки камер в распределительном устройстве должен выполняться в соответствии с рабочим проектом, указаниями в «Руководстве по эксплуатации КСО «Новация». При этом для помещений, в которых будут монтироваться камеры КСО «Новация», установлены следующие требования:

• помещение для камер КСО должно соответствовать требованиям Правил устройств электроустановок и п.1. данного ТО;

• в помещении подстанции перед началом монтажа камер КСО должны быть закончены отделочные работы. Помещение должно быть очищено от строительного мусора, высушено и созданы условия, предотвращающие увлажнение камер КСО;

• приемка от строительной организации помещения под монтаж распределительного устройства производится по акту с участием представителей заказчика и электромонтажной организации;

• дверной проемдолжен иметь высоту не менее 2200 мм, ширину не менее 1000 мм и не иметь порогов;

• допустимая нагрузка на полы должна составлять не менее 900 кг/м2;

• полы и фундаментные рамы должны быть выровнены по горизонтали с точностью ± 1 мм на 1 метр длины, но не более ± 5 мм на длину секции при двухрядном или на всю длину при однорядном расположении КСО.

Перед монтажом проверяется комплектность поставки согласно упаковочному листу завода-изготовителя. При размещении камер необходимо выдерживать расстояния, регламентируемые ПУЭ и указанные в таблице 13.1.

Камеры устанавливаются к стене таким образом, чтобы был предотвращен доступ к задней стороне камер КСО. При этом расстояние до стены должно быть 8 пределах 100±50 мм. При необходимости организации прохода с тыльной стороны РУ дополнительно устанавливаются защитные коробы для организации направленного выброса вверх.

Прокладка магистралей цепей управления, АВР и собственных нужд осуществляется проводами, размещаемыми в канале транзитных цепей, расположенном в верхней части КСО.

При двухрядном расположении камер в помещении для осуществления перехода между секциями распределительного устройства устанавливаются шинные мосты. При широком проходе в РУ устанавливается поддерживающая рама-вставка. Сборные шины крайних ячеек секции закрываются заглушками.

Камеры скрепляются между собой болтами. Окончательное закрепление камер производится путем их прибалчивания к закладным. Подробное описание монтажа камер КСО «Новация» приведено в Приложение 2.

Таблица 13.1

Параметр

Значение параметра, мм

Капитальное здание

КТП

Расстояние от фасада камеры до стены при однорядном исполнении (ширина коридора обслуживания), мм, не менее

1500

1450

Расстояние между фасадами камер при двухрядном исполнении, мм, не менее

2000

2000

Расстояние между фасадами камер при двухрядном исполнении и при длине коридора обслуживания до 7000 мм, мм, не менее

1800

1800

Расстояние отуровня закладных до потолка/до балок РУ

3450/2950

2400

Дополнительно по теме

КСО-298 НН "Классика"

КСО 298АТ, КСО 298АТ-М, КСО 292АТ, КСО 285АТ, КСО 272АТ, КСО 2(УМЗ)АТ

КСО 366АТ, КСО 366АТ-В

КСО 393АТ, КСО 393АТ-М

КСО "Новация"

КРУ «Классика» серии D-12PT

КРУ серии «Эталон»