
ЗРУ/ОЭнТ—5—20—УХЛ 1
Основные размеры здания при установке на монолитный фундамент

ЗРУ/ОЭн Т—5—20 УХЛ1
Основные размеры здания при установке на свайный фундамент

ЗРУ/ОЭн Т—5—20 УХЛ1
Основные размеры здания при установке на фундаментные блоки

ЗРУ/ОЭн Т— 5—20 УХЛ1
Основные размеры здания при установке на лежнях

ЗРУ/ОЭн Т—5—20 УХЛ1
Варианты установки здания

ЗРУ/ОЭн Т— 5—20 УХ/11
Варианты установки здания

ЗРУ/ОЭнТ—5—20 УХЛ1
Принципиальная однолинейная схема. КРУ-2-20СТ (аналог Nxair, Pixx)
Спецификация оборудования
| № | Наименование | Обозначение | кол. |
| 1. | Комплектное распределительное устройство | КРУ-2-20СТ (аналог Nxair, Pixx) | 18. |
| 2. | Шкаф питания собственных нужд | ШПСН | 1. |
| 3. | Шкаф аварийного питания | ШАП750 | 1. |
| 4. | Щит управления | ЩУ | 1. |
| 5. | Тепловой конвертор | ЭВНБ—1.5М 1.5кВт | 6. |
| 6. | Тележка для выката выключателей | 1. |

ЗРУ/ОЭн Т—5—20 УХЛ1
Компоновка оборудования ЗРУ с ячейками КРУ-2-20СТ (аналог Nxair, Pixx)

Сталь полосовая 40x4 ГОСТ 103-76
Провод ПВ1-1х16
Электрод заземления 4м Ст.уг. 50x50x5 Внутренний контур заземления проходит по стенам на высота 400 мм от пола.
ЗРУ/ОЭн Т—5—20 УХЛ1
Контур заземления

Примечание:
Освещение выполнить в соответствии с ПУЭ р. 6.
Напряжение питания сети освещения ~220 Я
Напряжение питания сети освещения ячеек КРУ-2-20СТ(аналог Nxair, Pixx)~12B (входит в состав ячеек). 100 —Мощность лампы в светильнике, Вт
2,6м —Высота подвеса светильника над полом, м
Светильники наружного освещение крепятся над дверью. Выключатели устанавливаются на высоте 1,6 м. .
Линия осветительной сети прокладывается в коробах ПВХ ТМС 25/1XI7 на высоте 2,6 м. Спуски к розеткам и выключателям выполняются в коробах ПВХ ТМС 25/1XI7.
Светильники ~220 В. крепятся на стенах и на растяжках.
Штепсельные розетки ~220 В устанавливаются на высоте 0,8 м. от пола.
Выключатели для светильников общего освещения устанавливаются на высоте 1,6 м. от пола
Датчик температуры устанавливается на стену на высоте 2м.
| Чарке Поз. | Обозноч. ча плане | Наименование оборудованы | Кол, | Обозначение | Примечание |
| 1 | ![]() | Светильники с лампами накаливания 220В | и | НПП-03-100-005 | Устанавливаются в РУВН |
| 2 | Светильники с лампами накаливания 220В | 4 | ПСП 44-2x40-002 | Крепится на растяжках в РУВН | |
| 3 | Светильники с лампами накаливания 220В | 2 | ПСХ60-002 | Устанавливаются на улице над дверью | |
| 4 | Выключатель поворотный | 5 | А016-001 | ||
| 5 | Розетка | 3 | РА16-112Б | ||
| 6 | Коробка монтажная | 7 | PDM | Д3508 | |
| 7 | Датчик температуры | 1 | ДТКБ53 |
ЗРУ/ОЭн Т—5—20 УХЛ1
Освещение

ЗРУ/ОЭн Т—5—20 УХЛ1
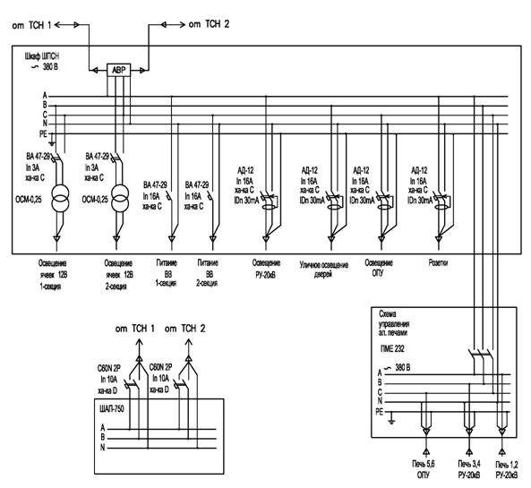
Собственные нужды.