10 Проектирование здания
10.1 Требования к месту установки
Распределительное устройство можно устанавливать:
на бетонном полу
на промежуточном полу (фальшполу)
Бетонный пол
Установка на бетонном полу требует применения напольных рам, которые встраиваются в напольное покрытие. Требуемые допуски плоскостности и прямизны основания распределительного устройства обеспечиваются напольной рамой. Напольные рамы могут поставляются компанией АВВ. Отверстия в полу для силовых кабелей и кабелей управления могут быть отдельными для каждой ячейки, в виде сквозных проемов (один для силовых кабелей и один для кабелей управления) или в виде просверленных отверстий. Вокруг отверстий в полу не должны генерироваться вихревые токи (просверливать отверстия для трехфазных силовых кабелей необходимо без гребней между ними).
Промежуточный пол
Фундаментом для ячеек под распредустройством служат опорные секции промежуточного пола. При этом установка напольной рамы, как правило, не требуется.
Давление в помещении
В маловероятном случае возникновения внутреннего дугового КЗ и соответствующей разгрузки давления можно ожидать рост давления в помещении распределительного устройства, что необходимо учитывать при проектировании помещения. Расчет повышения давления может быть выполнен компанией АВВ по запросу. Для обеспечения разгрузки давления в помещении распределительного устройства могут потребоваться отверстия в стенах.
Вентилирование помещения
Рекомендуется боковая вентиляция помещения. Климатические условия
В низковольтных отсеках должны устанавливаться нагреватели для предотвращения конденсации (вне газоплотных корпусов), которая может возникать в результате быстрых изменений температуры и влажности. Также в помещении необходимо с применением обогревателей обеспечивать установленный температурный режим в соответствии с требованиями IEC 62271-1 (> -5°С).
10.2 Требования к пространству для установки
Рис. 10.2.1. Пример однорядной установки (размеры приведены в мм)

Рис. 10.2.2. Пример двухрядной установки (размеры приведены в мм)

1 Торцевая крышка
Канал разгрузки давления на торце (применяется при расположении канала разгрузки давления наверху распредустройства; в противном случае ширина торцевой крышки составляет 50 мм)
Высота двери > 2300 мм
Минимальный размер (допускается уменьшение, см. раздел 10.3)
См. примечания относительно организации эвакуации в Разделе 11.3
10.3 Минимальная ширина прохода и аварийные выходы
Таблица 10.3.1: Минимальная ширина прохода (рекомендуемая) перед распределительным устройством
| Ширина перед РУ, однорядная установка | Ширина прохода между блоками системы, двухрядная установка | Остаточная ширина прохода перед РУ при открытых дверях | |
| [мм] | [мм] | [мм] | |
| Только ячейки шириной 600 мм | > 1100 | > 1700 | > 500 |
| Блок, составленный из ячеек шириной 600 мм и 800 и только из ячеек шириной 800 мм | > 1300 | > 2100 | > 500 |
Требование к монтажу / демонтажу ячейки в установленном ряду: минимальная ширина прохода = максимальная глубина ячейки + 300 мм.
«Проходы должны быть шириной по меньшей мере 800 мм. ...Пространство для эвакуации всегда должно быть шириной по меньшей мере 500 мм, даже когда съемные части или открытые дверцы блокируют часть прохода. ... Выходы должны быть устроены так, чтобы протяженность пути эвакуации в пределах помещения ... не превышала... 20 м. ... Если путь при нормальной работе с оборудованием не превышает 10 м, достаточно одного прохода. Если превышает - необходимо предусмотреть возможность аварийного выхода с двух сторон. ... Минимальная высота аварийной двери [возможно второй двери] должна быть 2000 мм [высота просвета двери] и минимальный просвет открытия должен быть 750 мм.»
Таблица 10.3.2: Минимальная ширина прохода сзади распределительного устройства
| Использование кабелей для высоковольтных испытаний | Использование адаптеров для высоковольтных испытаний | ||||
| Система с дефлектором плазмы* [мм] | Система с каналом разгрузки давления разгрузка давления в помещение РУ) [мм] | Система с каналом разгрузки давления (разгрузка давления наружу помещения РУ) [мм] | Система с дефлектором плазмы 2) [мм] | Система с каналом разгрузки давления (разгрузка давления внутри помещения РУ) [мм] | Система с каналом разгрузки давления (разгрузка давления наружу помещения РУ) [мм] |
| > 600 | > 800 | > 600 | > 700 | > 800 | > 700 |
* Классификация по стойкости к внутреннему дуговому КЗ в соответствии с IEC 62271-200: IAC AFL
10.4 Минимальная высота помещения
Таблица 10.4.1: Минимальная высота помещения
| Система с каналом разгрузки | ||||
| Система с дефлектором плазмы 2) | Система с каналом разгрузки давления (разгрузка давления в помещение РУ) | Система с каналом разгрузки давления (разгрузка давления наружу помещения РУ) | давления, разгрузка давления внутри помещения РУ, плюс трансформаторы напряжения по меньшей мере на одном отсеке выключателя | Система с верхними радиаторами по меньшей мере на одном отсеке выключателя |
| [мм] | [мм] | [мм] | [мм] | [мм] |
| > 2800 | > 2950 | > 2600 | > 2700 | > 3050 |
Рис. 10.5.2. Фидерная ячейка, ширина ячейки 800 мм, глубина ячейки 1300 мм


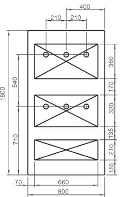
10.5 Отверстия в полу и оси кабелей
Рис. 10.5.1. Фидерная ячейка, ширина ячейки 600 мм, глубина ячейки Рис. 10.5.2. Фидерная ячейка, ширина ячейки 800 мм, глубина ячейки
1300 мм 1300 мм

Рис. 10.5.3. Фидерная ячейка и ячейка кабельного подключения, ширина Рис. 10.5.4. Фидерная ячейка, ширина ячейки 800 мм, глубина ячейки ячейки 600 мм, глубина ячейки 1500 мм 1500 мм

Рис. 10.5.5. Фидерная ячейка и ячейка кабельного подключения, ширина ячейки 800 мм, глубина ячейки 1800 мм (1850 с принудительным охлаждением)
Рис. 10.5.6. Ячейка для переключения емкостной нагрузки (ZX1.2-C)

400

660 70
Рис. 10.5.8. Ячейка двойного фидера с двумя кабелями на фазу

Рис. 10.5.7. Ячейка двойного фидера с одним кабелем на фазу


Рис. 10.5.9. Ячейка кабельного ввода/вывода, один кабель на фазу
Рис. 10.5.10. Ячейка кабельного ввода/вывода, два кабеля на фазу


Рис. 10.5.1. Ячейка для подключения полностью изолированных шин (без выключателя -1250 А - подключение снизу), ширина ячейки 800 мм, глубина ячейки 1250 мм
Рис. 10.5.11. Ячейка для подключения полностью изолированных шин (без выключателя -1250 А - подключение снизу), ширина ячейки 600 мм, глубина ячейки 1250 мм

Рис. 10.5.1. Ячейка для подключения полностью изолированных шин(с выключателем -1250 А - подключение снизу), ширина ячейки 800 мм, глубина ячейки 1500 мм

Рис. 10.5.13. Ячейка для подключения полностью изолированных шин(с выключателем -1250 А - подключение снизу), ширина ячейки 600 мм, глубина ячейки 1250 мм

Рис. 10.5.15. Ячейка кабельного подключения с полностью изолированными шинами (с выключателем -2000 А - подключение снизу), ширина ячейки 800 мм, глубина ячейки 1500 мм

Для следующих ячеек в бетонном полу необходимы только отверстия для кабелей управления:
Ячейки кабельного подключения с полностью изолированными шинами с подключением сверху
Ячейки секционного выключателя и секционного разъединителя
Измерительные ячейки
Глубину соответствующих ячеек см. в разделе 8.
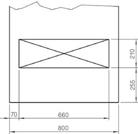
Низковольтный отсек глубиной 500 мм
Размеры на рисунках от 10.5.1 до 105.15 относятся к отсекам низкого напряжения глубиной 400 мм (стандарт). При применении низковольтных отсеков глубиной 500 мм глубина ячейки увеличивается спереди на 100 мм (см. также рисунки 10.5.18/19 и 10.6.1/2).
Рис. 10.5.18. Отверстия для вторичных кабелей, ширина ячейки 600 мм, глубина низковольтного отсека 500 мм

Рис. 10.5.19. Отверстия для вторичных кабелей, ширина ячейки 800 мм, глубина низковольтного отсека 500 мм

Рис. 10.5.16. Отверстия для вторичных кабелей, ширина ячейки 600 мм, глубина низковольтного отсека 400 мм (стандарт)

Рис. 10.5.17. Отверстия для вторичных кабелей, ширина ячейки 800 мм, глубина низковольтного отсека 400 мм

10.6 Напольные рамы
Опциональные напольные рамы изготавливаются из алюминиевых секций. Поставляются частично собранными как блоки отдельных ячеек. Размеры напольных рам соответствуют ширине и глубине ячейки. Рамы шириной 800 мм также поставляются для двойных ячеек шириной 400 мм.
Напольные рамы устанавливаются и погружаются в бетонный пол. При установке напольных рам на площадке проверьте форму и допуски на соответствие документации заказа.
При применении низковольтного отсека глубиной 500 мм (опция), глубина ячейки увеличивается спереди на 100 мм (см. рисунки 10.6.1 и 10.6.2).
Рис. 10.6.2. Пример напольной рамы для ячейки шириной 600 мм и глубиной 1600 мм, глубина низковольтного отсека 500 мм (опция)

Рис. 10.6.1. Пример напольной рамы для ячейки шириной 600 мм и глубиной 1500 мм, глубина низковольтного отсека 400 мм (стандарт).

Рис. 10.6.3. Напольная рама, двухъячеечный вариант

10.7 Заземление
распределительного устройства
10.7.1 Расчет заземления
с учетом напряжения прикосновения и термической нагрузки
Система заземления для помещения подстанции и система заземления для распредустройства должны быть устроены в соответствии с требованиями IEC 61936. Система заземления распредустройства должна быть устроена с применением непрерывной медной шины сечением 300 мм² (Сплав ECuF30, 30 мм x 10 мм). Подключение этой заземляющей шины к системе заземления подстанции должно выполняться в соответствии с указанным стандартом.
Электромагнитная совместимость (ЭМС) должна проектироваться с количественной точки зрения. Требования интерфейсов в отношении излучения и восприимчивости к излучению рассматриваются с делением на отдельные зоны (зоны ЭМС). В наилучшем случае, эти требования могут выполняться прямо, то есть без каких- либо дополнительных действий. Если же эти требования не выполняются, необходимо обеспечить дополнительные меры для обеспечения совместимости, как правило, они применяются в отношении источника помех и мест соединения. Для зонирования имеет смысл рассматривать иерархическую структуру системы, выделяя такие уровни, как оборудование установки в целом, помещение, шкафные сборки, стоечные сборки, щит сети, секции и компоненты сети.
Описанное в данном разделе заземление распределительного устройства не соответствует требованиям по ЭМС (ЭМС: электромагнитная совместимость). Заземление согласно требованиям ЭМС обеспечивается дополнительными мерами, описанными в следующем разделе.
10.7.2 Электромагнитно совместимое заземление распределительного устройства
Конструкция системы заземления распределительного устройства имеет решающее значение для электромагнитной совместимости вторичного оборудования распределительного устройства. Соответствующую информацию можно найти в стандарте IEC 61936, раздел 10.5. Согласно IEC 62271-1, вторичное оборудование распределительного устройства должно удовлетворять требованиям раздела 7.9. Эти требования устанавливают, что допустимый по стандарту уровень помех не должен ухудшать устойчивость к помехам вторичного оборудования (см. также Приложение J стандарта IEC 62271-1). Дополнительные к системе заземления меры защиты описаны в разделе 10.7.1.
Ограничение уровня помех в пределах распределительной системы поддерживается следующими мерами:
Раздельная прокладка силовых, управляющих и контрольных кабелей.
Надлежащее экранирование и заземление оборудования.
Изоляция потенциалов: гальваническая развязка сигнальных цепей на границе системы.
Эквипотенциальные соединения: использование соединений с низким импедансом для систем и секций систем, чтобы разность потенциалов между системами и секциями была как можно меньше.
Заземляющие проводники кабельных экранов необходимо проводить к заземляющей шине кратчайшим путем.
Длина внешних кабелей управления не должна превышать 200 м. Для больших длин необходимо применять промежуточные реле или оптоволоконные кабели.
Рекомендуется, чтобы распредустройство было заземлено так, как это показано на рисунках 10.7.3.1 и 10.7.3.2.
10.7.3 Рекомендации по конфигурированию заземления распределительных устройств
Кольцо, состоящее из медной ленты сечением 80 мм x 5 мм, должно быть проложено под распределительным устройством и подключено в нескольких точках с максимальным расстоянием 5 м от заземляющей системы здания. Напольную раму, главную заземляющую шину в ячейках и заземляющую шину в низковольтных отсеках необходимо подсоединять к нескольким точкам кольца, которое расположено под распределительным устройством.
Подробная информация о применении материалов и необходимом количестве точек соединения приведена на рисунках 10.7.3.1 и 10.7.3.2. При проектировании распределительного устройства, пожалуйста, принимайте во внимание примечания, приведенные в разделах 10.7.1 и 10.7.2.
Рис 10.7.3.1: Рекомендации по заземлению. Схематический вид в разрезе нижней части ячейки, включая бетонный пол.

Рис. 10.7.3.2: Рекомендации по заземлению, вид в разрезе (разрез A-A на рисунке 10.7.3.1)

Условные обозначения на рисунках 10.7.3.1 и 10.7.3.2
Кольцо под распредустройством, материал ECuF30, сечение 80 мм x 5 мм
Несколько подключений от (1) к заземлению здания с расстояниями макс. 5 м, материал ECuF30, сечение 80 мм x 5 мм
Заземление со стойкостью к КЗ на обоих торцевых ячейках и по крайней мере на каждой третей ячейке: материал ECuF30, сечение: 30 мм x 10 мм
Низкоимпедансное заземление заземляющей шины в отсеке низкого напряжения каждой ячейки, материал: луженный медный жгут, сечение: 20 мм x 3 мм
Низкоимпедансное заземление распределительного устройства в каждой ячейке, материал: луженный медный жгут, сечение: 20 мм x 3 мм
Заземление напольной рамы (по меньшей мере каждой третьей напольной рамы), материал: гальванизированная стальная лента, поперечное сечение: 30 мм x 3.5 мм
Габаритный контур ячейки
Напольная рама
Главная заземляющая шина
Заземляющая шина в отсеке низкого напряжения
Точка заземления на напольной раме
10.8 Вес ячеек
| Таблица 10.8.1: Вес ячеек | |
| Варианты ячеек 800 - 1250 A * | Приблизительно от 550 кг до 1000 кг |
| Варианты ячеек 2500 A** | До 1650 кг |
11 Нестандартные рабочие условия
*Веса зависят от варианта, конструкции, ширины ячейки и встроенного оборудования
**2) Веса зависят от варианта, конструкции и встроенного оборудования.
Для эксплуатации оборудования в нестандартных рабочих условиях могут потребоваться дополнительные технические решения. Наша группа конструкторов будет рада рассмотреть и осуществить Ваши технические предложения.
Нестандартные рабочие условия включают, в частности:
высота площадки > 1000 м над уровнем моря,
повышенная температура окружающего воздуха (максимальная температура > 40 °С и максимальная среднесуточная температура >35 °С (см. рисунок 11.1)
окружающий воздух загрязнен пылью, копотью, агрессивными или воспламеняющимися газами или солями.
Устойчивость к сейсмическим воздействиям Ячейки испытаны на соответствие стандарту IEEE 693 1)
Климатические условия
При высокой влажности и/или резких температурных колебаниях необходимо устанавливать электрические нагреватели в отсеках низкого напряжения.
Рис. 11.1: Зависимость между температурой окружающего воздуха и допустимой нагрузкой по току

> Требуются дополнительные меры (по запросу)
1) IEC 62271-200 соответствует DIN EN 62271-200 и VDE 0671, раздел 200
1 По заказу
Больший рабочий ток по заказу
Другие напряжения питания по заказу
При номинальном напряжении питания