Система АИСТ является телеинформационно-управляющей системой для диспетчерского управления производством и распределением электроэнергии в энергосистемах. Основная область применения — диспетчерские пункты энергосистем и предприятий электросетей и связанные с ними крупные электростанции и высоковольтные подстанции (35 кВ и выше). Система АИСТ может также применяться при телемеханизации управления электроснабжением крупных промышленных предприятий, магистральными водо-, газо- и нефтепроводами и другими промышленными объектами.
Аппаратура системы АИСТ должна использоваться в комплексе с техническими устройствами, обеспечивающими сбор оперативной информации на контролируемых пунктах (КП), передачу по каналам связи, обработку, отображение и регистрацию полученной информации на пункте управления (ПУ), а также посылку команд телеуправления с ПУ и реализацию их на КП.
К таким устройствам относятся: автоматические датчики информации, аппаратура каналов связи, средства отображения общего и индивидуального пользования (диспетчерский щит с мнемосхемами, сигнальными символами, указывающими приборами, дисплеи), аппаратура управления (командно-квитирующие ключи на пульте, аппаратура телеуправления на КП).
Структура системы.Система состоит из аппаратов пунктов управления (АПУ) и контролируемых пунктов (АКП). При этом подключение аппаратов КП предусматривается по многоточечной радиальной структуре ("один—Ν") и многоточечной магистральной структуре. Возможна и смешанная (кустовая) структура.
Многоточечная радиальная структура (рис. 5.2, а) обеспечивает непрерывный взаимонезависимый обмен информацией между пунктом управления и каждым пунктом по радиальным каналам связи ’’точка-точка”. В качестве КП могут использоваться как аппараты КП системы АИСТ (АКП АИСТ), так и приемо-передающие устройства телемеханики различных типов. Каждый АКП АИСТ может передавать информацию на несколько (до четырех) направлений.
Многоточечная магистральная и смешанная структуры (рис. 5.2, б) обеспечивают поочередный обмен информацией между ПУ и КП, объединенными общим магистральным каналом связи, и независимый обмен между ПУ и каждым КП, имеющим радиальные каналы связи.

Рис. 5.2. Структура системы АИСТ:
а - радиальная многоточечная структура; б - смешанная радиально-магистральная структура; АПУ - аппарат пункта управления; АКП - аппарат контролируемого пункта; АПУ-РС, КП-РС - аппараты ПУ и КП для распределительных сетей; УТМ - устройство телемеханики; ТРС-1 — УТМ для распределительных сетей 10 кВ
Магистральная и смешанная структуры чаще встречаются на уровнях диспетчерского управления распределительными электрическими сетями (ДП ПЭС и РЭС). Поэтому соответствующая модификация аппаратуры системы АИСТ обозначается АИСТ—PC.
Каждая магистраль взаимонезависима. Аппарат КП—PC может работать на два независимых направления.
Подсоединение аппаратуры ПУ и КП к модемам каналов связи производится через канальные адаптеры, представляющие собой одноплатные микроЭВМ. Программа, записанная в ППЗУ канальных адаптеров, обеспечивает протокол обмена информацией по заданной структуре канала (радиальная или магистральная). Скорость передачи информации при радиальной структуре может устанавливаться равной 50, 100, 200, 300, 600 или 1200 Бод, при магистральной — 50, 100, 200 Бод. Всего в аппарате ПУ располагается до восьми канальных адаптеров. Таким образом, если один КА программируется по магистральной структуре, а остальные семь — по радиальной, то к каждому ПУ могут быть подключены до 32 КП—PC и 28 АКП; если два КА по магистральной структуре — то до 64 КП—PC и 24 АКП и т. д.
Аппаратура системы АИСТ сопрягается по каналам связи с приемопередающими станциями системы передачи оперативных данных (СПОД), выполняемых на базе микроЭВМ типа РПТ (производства ВНР) и типа СМ-1800, образуя с ними многоуровневую телеинформационно-управляющую систему. В этой многоуровневой системе аппаратура АИСТ АПУ наряду с микроЭВМ РПТ и СМ-1800 выполняет функции центральных приемо-передающих станций, устанавливаемых на диспетчерских пунктах соответствующих уровней управления, а аппаратура АИСТ АКП — функции интеллектуальных периферийных станций, устанавливаемых на энергообъектах.
Аппаратура ПУ имеет выход на дисплей и мини-ЭВМ по параллельному или последовательному интерфейсу. Скорость передачи информации в мини-ЭВМ в последовательной форме составляет 9600 бит/с.
Аппаратура КП—PC сопрягается через специально предусмотренный параллельный интерфейс с устройством ТРС-1, выпускаемым заводом ’’Электропульт” (г. Ленинград) и обеспечивающим телеконтроль и телеуправление объектами распределительной сети 6—10 кВ.
Принципы функционирования системы АИСТ.Центральные аппараты системы АИСТ построены по принципу многопроцессорных микроЭВМ. Выполнение всех функций системы, а также заданных объемов и видов передаваемой информации обеспечивается соответствующими программами без изменения электронной схемы устройств.
В системе реализован принцип совместимости с устройствами и аппаратами телемеханики, находящимися в эксплуатации. В качестве периферийных станций могут использоваться как АКП системы АИСТ, так и полукомплекты КП устройств телемеханики различных типов (МКТ-1, МКТ-2, ТМ-512, TM-800 и др.).
При замене УТМ требуется изменить программу обмена информацией в соответствующем канальном адаптере ЦСТ. ЦСТ системы* АИСТ может ретранслировать информацию как в аналогичную станцию на базе АПУ АИСТ, так и в ЦСТ на базе микроЭВМ РПТ-70, РПТ-80 или СМ-1800. Принцип совместимости очень важен для внедрения в эксплуатацию бистемы АИСТ в условиях существующей системы сбора телеинформации, так как обеспечивает возможность поэтапного перехода к новой системе без перерыва информационного обеспечения.
В системе АИСТ осуществлен принцип интеллектуальных терминалов. Периферийная станция сама принимает решение о необходимости передачи в ЦСТ тех или иных сообщений в зависимости от состояния контролируемых процессов в текущий момент времени. Тем самым исключается передача излишней рутинной информации, повышается эффективность использования каналов связи, снижается загрузка ЦСТ и мини-ЭВМ, обрабатывающей телеинформацию. Система, обладающая свойством приспосабливаемости к текущей ситуации, называется адаптивной, а метод передачи информации в такой системе — адаптивным. Реализация адаптивного метода передачи определяется соответствующей программой.
Резервирование центральных станций и каналов связи. В системе АИСТ все периферийные станции, располагаемые на различных КП, обслуживаются общей центральной станцией (ЦСТ). Выход из строя центрального аппарата ЦСТ может привести к нарушению информационного обеспечения всего ПУ. Поэтому предусмотрено дублирование аппарата АИСТ АПУ. Оба аппарата нормально находятся в работе. Ввод информации в ЭВМ и ретрансляция на верхний уровень ведутся с одного из аппаратов ПУ. В случае его повреждения производится автоматическое переключение на другой АПУ.
Каналы связи от ПСТ к ЦСТ, как правило, также дублированы. Обмен информацией ведется по основному каналу, при неисправности которого приемное устройство в ЦСТ автоматически переключается на резервный канал.

Рис. 5.3. Структурные схемы аппаратов ПУ и КП системы ЛИСТ:
АПУ - центральный аппарат пункта управления; АКП - центральный аппарат контролируемого пункта; СК - спец-контроллер; ЦП - центральный процессор; ПОЗУ - узлы постоянной и оперативной памяти; АВК - блок визуального контроля; ККП - контроль канала и программатор; АПИ - адаптер параллельного интерфейса; АСИ - адаптер последовательного (серийного) интерфейса; СИ - модуль связного интерфейса; ЛУ - линейный узел; ТИС 16/64 - периферийный аппарат ввода ТИ и ТС на КП; ЩТИ-64 - периферийный аппарат (кассета) вывода ТИ на аналоговые приборы (АП); ШТС-128 - периферийный аппарат вывода сигналов ТС на диспетчерский щит (ДЩ)
Состав технических средств системы АИСТВ состав технических средств системы АИСТ входят следующие аппараты:
центральный аппарат пункта управления — АПУ;
центральный аппарат контролируемого пункта — АКП (радиальная структура);
аппарат контролируемого пункта — КП—PC (магистральная структура);
периферийные аппараты:
ТИС 16/64 — аппарат ввода 16 аналоговых величин ТИ и 64 бит дискретной информации;
ЩТС-128 — аппарат вывода 128 сигналов ТС;
ЩТИ-64 — аппарат вывода 64 аналоговых ТИ;
РТУ-16 - аппарат выходных реле телеуправления;
Центральный аппарат АПУ и соответствующие периферийные аппараты образуют центральную станцию (ЦСТ) АИСТ. Центральный аппарат АКП с соответствующими периферийными аппаратами образует периферийную интеллектуальную станцию (ПСТ).
Структурные схемы аппаратов ПУ и КП системы АИСТ приведены на рис. 5.3.
Центральные аппараты АПУ и АКП содержат в своем составе спец- контроллеры СК, выполненные по принципу микроЭВМ,
Принцип работы аппаратов АПУ и АКП основан на программируемости всех выполняемых ими функций. Программы работы АПУ и АКП физически размещены в ПЗУ их спец-контроллеров.
Центральные аппараты системы АИСТ являются функционально и конструктивно законченными устройствами, выполненными в виде кассет со съемными печатными платами (модулями) .
Кассеты и модули (узлы) АПУ и АКП
Кассета спецконтроллера СК. Спецконтроллеры аппаратов АПУ и АКП унифицированы по номенклатуре модулей и отличаются лишь их
количеством; СК содержит следующий набор модулей: центрального процессора ЦП·, постоянной и оперативной памяти ПОЗУ·, параллельного интерфейса АПИ, канального адаптера КА, состоящего из узлов АСИ и ЛУ; визуального контроля АВК; контроля каналов и программатора ККП.
Модуль ЦП содержит: микропроцессор КП580ИК80А; генератор тактовых импульсов, стабилизированный кварцем; системный контроллер; восьмиуровневый контроллер прерываний; делитель частоты, формирующий для всех канальных адаптеров набор опорных частот для синхронизации приема и передачи, а также организации периодических прерываний процессора; ПЗУ емкостью 2 Кбайта, в котором размещены общесистемные программы (операционная программа реального времени, программы работы сервисных модулей, тестовые программы и т. п.); шинные формирователи системной магистрали СК.
Модуль ПОЗУ содержит семь сменных микросхем, ППЗУ по 2 Кбайта каждая и восемь микросхем ОЗУ также по 2 Кбайта; АПУ содержит два модуля ПОЗУ, а АКП — один. Таким образом, объем памяти СК АПУ составляет 28 Кбайт ППЗУ и 32 Кбайта ОЗУ. Соответственно АКП имеет в 2 раза меньший объем памяти.
Модуль АПИ обеспечивает ввод—вывод информации в параллельном виде с помощью микросхем параллельного интерфейса КР580ИК55. Число программируемых шин параллельного интерфейса — 48. Направление работы каналов ввода—вывода определяется программой, управляемой дуплексными шинными формирователями с перестраиваемым уровнем сигнала. Входные—выходные сигналы устанавливаются либо на уровне ТТЛ (”0” ≤ 0,3 В, ”1 ” ≥ 2,4 В), либо повышенного уровня 12 В с порогом 5 В. Перестройка осуществляется одной перемычкой для всех усилителей модуля. Модули АПИ организуют вторичные магистрали ввода—вывода для подключения периферийных аппаратов, а также обеспечивают подключение дисплеев и обмен информацией с мини-ЭВМ ОИК. Использование сигналов обмена повышенного уровня позволяет существенно повысить помехоустойчивость цепей ввода- вывода и увеличить длину вторичных магистралей до 200 м при скорости обмена до 1 Кбайт/с.
Аппарат АКП содержит один модуль АПИ, АПУ — четыре модуля АПИ.
Модуль КА состоит из двух узлов — адаптера сериесного интерфейса АСИ и линейного узла ЛУ. Канальный адаптер обеспечивает обмен информацией в последовательном коде по четырем независимым дуплексным каналам связи.
Аппарат АПУ содержит восемь канальных адаптеров (один из них входит в кассету СК, семь остальных — в кассету СИ). Таким образом обеспечивается возможность обмена информацией по 32 независимым дуплексным каналам связи.
Узел АСИ содержит микропроцессор КР580ИК80А, формирователь тактовых сигналов, системный контроллер, ППЗУ емкостью 2 Кбайта, ОЗУ емкостью 1 Кбайт, четыре универсальных программируемых синхронно-асинхронных приемопередатчика (УСАПП) на микросхемах сериесного интерфейса КР580ИК51 и логический узел обмена с ЦП. Каждый АСИ может быть запрограммирован по одному протоколу обмена информацией через все четыре канала связи.
Принятая во всех АСИ информация предъявляется ЦП в единой форме с единой адресацией независимо от разновидностей протоколов обмена информацией по каналам связи. Для обмена информацией между АСИ и ЦП используется общее поле памяти: ЦП имеет прямой доступ (ПДП) к процессорным магистралям узлов АСИ.
Узел ЛУ выполняет функции формирования входных и выходных линейных сигналов, гальванической развязки от канальных модемов, а также переключения на резервный канал связи в случае обнаружения неисправности основного канала. Синхронизация тактовых генераторов обслуживаемых устройств телемеханики, в том числе и не имеющих кварцевой стабилизации (например, МКТ-1, -2), обеспечивается программой.
Пульт визуального контроля (сервисный модуль) АВК предназначен для обнаружения и локализации аппаратных повреждений и проверки функционирования программ. Блок содержит цифровую шестнадцатеричную клавиатуру, 16 функциональных клавиш, 16-разрядное табло цифровой информации, восемь программно-управляемых светодиодов, контрольные гнезда, тумблеры, кнопки, вспомогательные светодиоды, а также регистр опознания адреса РА. При совпадении адреса на системной магистрали с содержимым регистра РА он формирует импульс ’’совпадение адреса”, который используется для выполнения специальных сервисных программ, а также для запуска осциллографа.
Модуль АВК позволяет оператору читать содержимое ПЗУ и ОЗУ, писать в ОЗУ короткие программы, вести их отладку, запускать сервисные программы и т. п.
Модуль контроля каналов и программатор ККП выполняет вспомогательные и сервисные функции контроля каналов связи и программирования ППЗУ. Он может быть включен как в спец-контроллер АПУ, так и в АКП, но поставляется только в составе АПУ. Модуль ККП позволяет контролировать любой из 32 основных и 32 резервных каналов, а именно: измерять преобладание, ’’дрожание” фронтов импульсов, отклонение скорости передачи от номинальной. Модуль ККП имеет разъем для установки микросхемы ППЗУ типов К573РФ1 или К573РФ2 и предусматривает операции записи и чтения информации.
Кассета связного интерфейса СИ является составной частью центрального аппарата АПУ. В кассете размещены семь канальных адаптеров, аналогичных канальному адаптеру, установленному в кассете спец- контроллера, и два модуля параллельного интерфейса АПИ. Магистраль кассеты СИ является продолжением системной магистрали СК.
Периферийные аппараты
Выполняются в виде самостоятельных конструкций (кассет или отдельных стоек), подключаются к центральным аппаратам АПУ или АКП через вторичные магистрали ввода—вывода и получают питание от их блоков питания.
Аппарат ШТИ-64 предназначен для вывода на щит 64 параметров ТИ в аналоговой форме. Кассета ЩТИ-64 является составной частью аппаратуры АПУ. Аппарат ЩТИ-64 представляет собой 64-канальный ЦАП с широтно-импульсной модуляцией, выходной ток 0—5 мА при сопротивлении нагрузки 0—2,0 кОм.
Интерфейс подключается ЩТИ-64 к модулю АПИ спец-контроллера СК, унифицирован с интерфейсом подключения периферийных аппаратов ЩТС-128.
Аппарат ЩТС-128 предназначен для вывода на диспетчерский щит 128 телесигналов (ТС). Информация ТС выводится группами по восемь ТС. Обеспечивает воспроизведение ТС по схеме светлого и мимического щита с миганием символов ТС при несоответствиях, с групповым квитированием сигналов, организацией проверки ламп, записи новых сигналов с блокировкой мигания и т. п. Выходные элементы — тиристорные оптроны, обеспечивающие ток до 100 мА при напряжении до 100 В и гальваническую развязку до 500 В.
Аппарат АПУ может управлять 16 аппаратами ЩТС-128, т. е. позволяет выводить на щит до 4048 сигналов ТС. Конструктивно аппараты ЩТС-128 представляют собой кассеты, которые комплектуются в отдельную стойку до шести кассет (аппаратов) в стойке. Завод выпускает также дополнительную стойку ЩТС-128С с установкой одного аппарата ЩТС-128 и возможностью установки дополнительного числа этих аппаратов (до шести).
Существенной особенностью периферийных аппаратов ЩТИ-64 и ЩТС-128 является то, что они унифицированы по интерфейсным связям со спец-контроллером СК и рассчитаны на подключение одновременно к двум резервирующим друг друга аппаратам АПУ через независимые интерфейсные узлы. Они могут принимать и воспроизводить информацию с одного из двух направлений. В такой системе повреждение любого элемента периферийных аппаратов, подключенных к магистрали, не мешает выполнению ею своих функций: повреждение обнаруживается системой и устраняется обслуживаемым персоналом без перерыва работы системы. При подключении аппаратов ЩТИ-64 и ЩТС-128 к общей магистрали ввода—вывода предусматривается вывод до 256 байт информации, т. е. если к выходной магистрали подключен один аппарат ЩТИ-74 (64 байта), то возможно подсоединение еще 12 аппаратов ЩТС-128 (192 байта), т. е. 1536 сигналов ТС.
Аппарат ТИС-16/64 предназначен для ввода 16 аналоговых величин от датчика ТИ и 64 ТС от контактных датчиков коммутационной аппаратуры. Схема опроса состояния контактов датчиков работает на напряжения 24 В и гальванически изолирована для каждого аппарата ТИС. Вместе с тем аппарат позволяет использовать датчики дискретных сигналов уровня ТТЛ. Это дает возможность ввода информации от стандартных цифровых приборов, например от частотомера Ф246 и вольтметров Ф219.
Для ввода параметров ТИ используется 16 индивидуальных АЦП с гальванической развязкой входов. Диапазоны входного тока 0—5 мА и —5 + 5 мА при входном сопротивлении 1 кОм. Число двоичных разрядов — восемь. Основная приведенная погрешность 0,6%, время преобразования 40 мс.
Кодирование сообщений и протокол обмена информацией в системе АИСТ (радиальная многоточечная структура)Виды передаваемых сообщений
Информация, циркулирующая в системе АИСТ, подразделяется на рабочую и служебную. К рабочей информации относятся сообщения, определяющие рабочие функции системы:
ТИ — телеизмерение текущих значений от аналоговых и цифровых датчиков;
ТС — телесигнализация положения двухпозиционных объектов;
ТСЧ (телесчет) — передача показаний счетчиков электроэнергии от специальных датчиков телеизмерения энергии (ТИЭ) в системе АИСТ-РС;
ТУ — телеуправление двухпозиционными и многопозиционными объектами в системе АИСТ—PC;
ЦБИ — цифро-буквенная информация;
РТИ, РТС — ретрансляция ТИ и ТС на ДП вышестоящего уровня диспетчерского управления;
РТУ — ретрансляция команд телеуправления на КП нижестоящего уровня (в системе АИСТ—PC).

Рис. 5.4. Структура кода АИСТ
Служебная информация объединяет сообщения о режимах передачи, квитанции и пр.
Передача сообщений от всех КП к ПУ производится по независимым дуплексным каналам связи непрерывно в обоих направлениях (от КП к ПУ — прямой и от ПУ к КП — обратный каналы). При этом используется синхронный метод передачи сигналов. Длина одного сообщения (кодового слова) составляет 24 бита, последовательность из 32 кодовых слов образует кадр (рис. 5.4). Первое кодовое слово ’’МАРКЕР” служит для синхронизации кадров и образуется 24-битной комбинацией 0110 0110 0110 1001 1001 (число 666999 в двоично-шестнадцатеричном коде). Расстояние Хэмминга для маркерного слова равно 6 (’’Прозрачный” маркер).
Код АИСТ
Все сообщения кодируются специальным кодом АИСТ (групповой помехозащищенный код с кодовым расстоянием d = 4). Длина кодовых слов 24 бита, из которых 16 информационных и 8 контрольных; 24 разряда кодового слова разбиваются на три байта (рис. 5.4): первый байт — адрес слова (а1 ,а2, а3, а5, а6, а7, а9, а10), второй байт — информация (а11, а13, а14, а15, а17, а18, а19, а21), третий байт — защита (а4, а8, а12, а20, а21, а22, а23)·
Защитные (контрольные) символы определяются следующими проверочными уравнениями (знак ”+” означает сумму по модулю 2):

Таблица 5.1. Протокол АИСТ: коды сообщений по прямому каналу (с нижнего уровня на верхний)
| № п.п. | Наименование сообщения | Обозначение | Формат | Кодо |
| 1-й байт | ||||
| 1 | Маркер | М | 24 | 66 |
| 2 | Предмаркер | пм | 24 Х3 | 55 |
| 3 | Телесигнализация (в том числе по вызову) | ТС- (ТСВ) | (24,16) | Адрес 00-КК |
| 4 | Телеизмерения (в том числе по вызову) | ТИ (ТИВ) | (24,16) | (КК + 1) - - F8 |
| 5 | Цифро-буквенная информация | ЦБИ | Блок: 24 (L + 2) | |
| Начало блока | НЦБИ | (24, 16) | FE | |
| Информация ЦБ И | ЦБИ | (24,16) | .FF | |
| Конец блока | КЦБИ | (24, 16) | .FF | |
| 6 | Заявка на передачу | ЗяЦБИ | (24,16) | .FB |
| 7 | Запрос ЦБИ по обратному каналу (сверху) | ЗпЦБИ | (24, 16) | .FB |
| 8 | Квитанция о приеме ЦБИ | КвЦБИ | (24, 16) | .FB |
| 9 | Переспрос ЦБИ при сбоях в канал | ПЦБИ | (24, 16) | .FB |
| 10 | Извещение об отсутствии обратного канала | ПОК | (24, 16) | .FD |
| И | Извещение о восстановлении обратного канала | ВОК | (24, 16) | FD |
| 12 | Квитанция перехода на резервный путь передачи (запасной) | КвЗП | (24, 16) | .FD |
| 13 | Переспрос слов, переданных по обратному каналу | ПСЛ | (24,16) | •FC |
| 14 | Извещение об отсутствии приема по одному из каналов с нижнего уровня | ОПКН | (24, 16) | •FA |
| 15 | Извещение о восстановлении канала, поврежденного по п. 14 | ВПКН | (24, 16) | .FA |

| № п.п. | Наименование сообщения | Обозначение | Формат | Кодо |
| 1-й байт | ||||
| 16 | Квазициклическая передача | КВЦКЛ | (24, 16) | 00-.F8 |
| 17 | Циклическая передача | ЦИКЛ | (24,16) | 00-.F8 |
| 18 | Отсутствие информации | ОИ | (24,16) | .FD |
Каждый параметр ТИ или группа из 8 ТС кодируется одним кодовым словом (24, 16), содержащим 8 бит адреса ТИ (или группы ТС), 8 информационных бит (256 дискретных уровней параметра ТИ либо 8 двухпозиционных ТС) и 8 контрольных бит. Таким образом, с каждого КП может передаваться до 256 байт (ТИ + ТС). Предусмотрена возможность передачи двух байтных ТИ, для чего используются два следующих подряд кодовых слова с заранее установленными адресами.
Сообщения ТИ и ТС передаются адаптивному алгоритму. Адаптивный алгоритм для ТС состоит в однократной (спорадической) передаче кодового слова, соответствующего группе из 8 ТС, в котором изменился хотя бы один сигнал ТС. Адаптивный алгоритм для ТИ может быть двух видов. Первый алгоритм состоит в поиске и передаче наиболее отклонившегося параметра по сравнению с ранее переданными значениями. Второй алгоритм — поочередная передача параметров ТИ, отклонившихся от ранее переданных значений на заданную величину (апертуру).
При этом для обоих алгоритмов все ТИ могут быть разбиты на одну, две или три группы, причем каждая группа может иметь свою апертуру допустимого отклонения. В первой группе располагаются наиболее важные ТИ, которым задается наименьшая апертура, затем менее важные и т. д. Разбивка на группы и установка апертуры выполняется пользователем в соответствии с технологической важностью параметров.
Прием сообщений ТИ и ТС производится по методу отрицательного квитирования: квитанция посылается по обратному каналу только при обнаружении ошибки в принятом кодовом слове. В результате приема этой квитанции передатчик должен повторить забракованное слово, т. е. отрицательная квитанция выполняет функцию переспроса забракованной информации.
Для возможности адаптивной передачи информации ТИ и ТС при отсутствии обратного канала, а также для повышения надежности передачи предусмотрена передача ТИ — ТС в режиме квазицикла. Для этой цели выделены кодовые слова № 7 и № 23 в кодовых предложениях. На этих местах передаются принудительно (независимо от величины изменения) очередные параметры ТИ (или группы ТС), благодаря чему значения всех параметров принудительно обновляются с периодом длинного ’’квазицикла”.
Продолжение табл. 5.1
| вое слово | Номер слова в кадре | Примечания | |
| 2-й байт | 3-й байт | ||
| 00-.FF | 7,23 | По очереди передаются все ТИ и ТС на словах № 7 и № 23 | |
| 00-.FF | ** | По очереди передаются все ТИ и ТС | |
| .30 | 7,23 | Посылается при отсутствии новой информации | |
Имеется также возможность передачи всего объема ТИ, ТС в циклическом режиме передачи. Для этой цели по обратному каналу (’’сверху”) посыпается команда КЦКЛ — перейти в циклический режим. По окончании выдачи полного объема восстанавливается режим адаптивной передачи. Для упорядочения формирования массивов адреса с 00 до КК присваиваются ТС, с КК + 1 до .F8 - ТИ. Граница КК может быть в любом месте (табл. 5.1).
В обратном канале сообщений ТИ, ТС ввиду небольших объемов обычно передаются циклически. При необходимости может быть организована приоритетная передача тех или иных адресов параметров ТИ,ТС.
Рис. 5.5. Схема организации обходного канала через ЦСТ1 при повреждении прямого канала с ЦСТ2:
КЗП - команда перехода на запасной канал; КвЗП - квитанция перехода на запасной канал; DI, D2 - информация от ДП1 и ДП2

3 Передача по обратному каналу.
Виды передаваемых сообщений по обратному каналу (с верхнего уровня на нижний) и их коды в основном такие же, как и в прямом канале. Основные отличия состоят в следующем:
КЗП — команда перехода на запасной путь передачи; передается при приеме сообщения об отсутствии приема по прямому каналу. Запасной путь может быть реализован при наличии канала связи между станциями нижнего уровня (рис. 5.5);
ОКЗП — команда отмены КЗП;
КЦКЛ — команда передатчику нижнего уровня перейти в циклический режим передачи;
ВТИС — вызов ТИ или ТС по адресам вызываемых параметров.
В обратном канале сообщения ТИ, ТС ввиду небольших объемов обычно передаются циклически. При необходимости может быть организована приоритетная передача тех или иных адресов параметров ТИ, ТС.
Цифро-буквенная информация. ЦБИ в прямом и обратном каналах передается одинаково в виде ’’блока ЦБИ”. Блок ЦБИ состоит из кодовых слов (24,16) кода АИСТ и имеет следующую структуру:
начало блока (НЦБИ) — первое кодовое слово блока ЦБИ, в котором передается байт начала (.FF) и байт числа (£) передаваемых информационных слов ЦБИ;
информационное слово ЦБИ. Каждое информационное слово содержит признак ЦБИ (.FF) и байт цифро-буквенной информации;
контрольная сумма — последнее кодовое слово блока ЦБИ, содержит признак ЦБИ и число переданных слов ЦБИ.
Перед началом ЦБИ передатчик и приемник обмениваются служебными словами. Если передатчик передает ЦБИ по своей инициативе, то он посылает заявку ЗяЦБИ для получения разрешения на передачу. Если приемник готов принять информацию, то он отвечает тем же кодом ЗяЦБИ, после чего следует передача блока ЦБИ.
Таблица 5.2. К определению номеров переспрашиваемых слов

Станция ЦСТ может запросить информацию ЦБ И со смежного уровня (нижнего или верхнего). Для этого посылается запрос на получение ЦБИ, содержащий тот вид информации, который требуется получить (ЗпЦБИ). Передатчик получает ЦБИ от мини-ЭВМ ДИС и передает в канал связи.
По окончании приема блока ЦБИ в обратный канал посылается квитанция КвЦБИ, которая сообщает передатчику ЦБИ о нормальном приеме. В случае сбоя при приеме ЦБИ посылается переспрос ЦБИ (ПЦБИ), после чего следует повторная передача всего блока ЦБИ, при этом передача повторяется только один раз. Если при повторной Передаче опять фиксируется сбой, то приемник и передатчик фиксируют сбой ЦБИ. Протокол передачи ЦБИ рассчитан на дуплексную связь между станциями.
Служебная информация СЛИ.Все виды служебной информации передаются как однословные сообщения в коде АИСТ (24, 16). Соответствие отдельных видов служебной информации кодовым комбинациям кода (24, 16) дано в табл. 5.1.
| 5 | 6 | 7 |
| 5 | 6 | 7 |
| .05 | .06 | .07 |
| 13 | 14 | 15 |
| .0D | ,0Е | .0F |
| 21 | 22 | 23 |
| .15 | .16 | 17 |
| 29 | 30 | 31 |
| .1D | .1Е | .IF |
| 00010000 | 00100000 | 01000000 |
При приеме информации выполняется проверка принятого слова в соответствии с кодовой защитой. В случае обнаружения ошибки принятое слово бракуется и приемная станция по обратному каналу посылает слово переспроса ПСЛ забракованной информации. В ответ на этот переспрос повторяется передача забракованного слова. Переспрос забракованного слова осуществляется следующим образом. Передатчик и приемник информации имеют счетчики слов, которые фиксируют номера переданных (и соответственно принятых) кодовых слов в кадре. Счет слов начинается от маркера и содержит 31 номер (.00 т- .1F). В нормальных условиях счетчики слов работают синхронно. В передающем устройстве имеется буферное запоминающее устройство (БЗУ), рассчитанное на запоминание последних (по времени) восьми кодовых слов, переданных по каналу связи. Каждому слова соответствует одна из восьми ячеек БЗУ. В каждой ячейке БЗУ записанная информация обновляется с периодом, равным восьми словам,
В 0-й ячейке БЗУ может быть записана информация по переданному слову № 0 (по счетчику слов), либо № 8, либо № 16, либо № 24 (соответственно № .0; .8; .10; .18); в 1-й ячейке соответственно слова № 1,9, 17,25 (№.1; .9; .11; .19) и т. д.
Соответствие номеров ячеек БЗУ и номеров переданных слов по счетчику слов дано в табл. 5.2.
Кодовое слово переспроса ПСЛ содержит признак переспроса (один байт .FC) и байт номеров ячеек БЗУ в распределительном коде, из которых информация должна быть передана вновь. Распределительный код принят для того, чтобы в одном байте можно было послать переспрос более чем одного слова (в пределе до восьми слов). Необходимость переспроса более чем одного слова одним словом ПСЛ вызвана тем, что к моменту посылки ПСЛ по обратному каналу приемник может зафиксировать искажения более чем одного слова, особенно если учесть, что посылка ПСЛ может задерживаться из-за занятости в данный момент обратного канала. Формируется распределительный код запроса следующим образом.
В двоичном восьмиразрядном номере принятого слова, соответствующем забракованному слову, отбрасываются четыре старших разряда. Оставшиеся четыре младших разряда записываются в виде байта распределительного кода. Например: пусть повреждено кодовое слово № 21 (.15). Двоичный номер этого слова 00010101, оставшиеся четыре младших разряда 0101, т. е. цифра 5. Соответствующий байт распределительного кода: 0001 0000. Если кроме № 21 повреждено также и слово № 23 (.17), то соответствующий распределительный код этого слова будет 01000000, а результирующий байт распределительного кода составит 01010000. Всего в одном слове ПСЛ может быть передано одновременно до восьми адресов номеров ячеек БЗУ с забракованными словами (в двоично-шестнадцатеричном коде от .01 до .FF). Таким образом, во втором байте слова ПСЛ будет столько единиц, сколько обнаружено поврежденных слов до момента передачи ПСЛ. Описанный протокол переспроса рассчитан на работу по дуплексному каналу с равными и различными скоростями передачи сигналов в обоих направлениях.
При браковке приемником трех слов подряд прием информации прекращается до прихода маркерного слова и сигнализируется повреждение канала. После приема маркера информация начинает приниматься вновь, сигнал повреждения снимается.
Таблица 5.3. Приоритеты сообщений. Прямой канал

*1 Повторная информация (результат переспроса по обратному каналу).
*2 Циклическая передача ТИ-ТС по запросу или после включения питания.
*3 Телеизмерения с отклонением Δ больше заданной апертуры Н.
*4 Прочая служебная информация.
*5 Телеизмерения с отклонением Δ меньше заданной апертуры Н.
*6 Передача по квазициклу (см. п. 16 табл. 5.1).
Маркерные сигналы. В режиме нормальной работы приемных и передающих станций (режим синхронной работы) прием маркера (М) всегда производится на определенном слове кодового кадра (слово № 0). При отсутствии маркера на своем месте приемник ждет следующего нормального маркера в течение трех-четырех предложений подряд. При отсутствии маркера в течение этого времени производится перезапуск передачи по данному направлению. В результате перезапуска приемник переходит в режим ожидания маркера, а передатчик передает три предмаркера (ПМ) и затем М. Если синхронная работа не восстановится, то приемник выдает сигнал о повреждении канала приема. После восстановления приемного канала по каналу обратного направления передается сообщение о восстановлении приемного канала.
При включении (восстановлении) питания передатчик трижды посылает ПМ и затем М. В прямом канале при этом начинается выдача информации ТИ—ТС в циклическом режиме. После выдачи полного объема ТИ—ТС передатчик переходит в адаптивный режим работы.
Дополнительные служебные сообщения. Отсутствие нормального приема по данному направлению сопровождается сообщением, передаваемым передатчику, о нарушении канала приема и соответствующим сигналом для обслуживающего персонала приемной станции. При восстановлении приема передается сообщение со снятием соответствующего сигнала повреждения.
При отсутствии информации по одному из прямых каналов приемная станция верхнего уровня может передать по обратному каналу связи команду о переходе на резервный (дополнительный) путь передачи. После выполнения команды станция нижнего уровня посылает сообщение о переходе на резервный путь передачи КвЗП (см. рис. 5.5).
В приемном устройстве кроме кодовой защиты (работа которой приводит к переспросу кодового слова) имеется защита от искажений длительности принимаемых из канала связи сигналов (так называемая фазовая защита). При работе фазовой защиты выдается сигнал, отмечающий неудовлетворительное состояние канала связи.
Приоритеты передачи сообщений. Порядок передачи сообщений определяется заданной приоритетностью сообщений и адаптивным алгоритмом отбора кодовых слов. На определенных номерах кодовых слов кадра порядок передачи изменяется. Кроме того, имеется некоторое отличие в порядке передачи сообщений для прямого и обратного каналов. В табл. 5.3 приведены номера приоритетов сообщений. При одновременном возникновении сообщений, подлежащих передаче на данном номере кодового слова, раньше передаются сообщения с меньшим порядковым номером приоритета.
В прямом канале связи все кодовые слова кадра, кроме № 0, 7 и 23, имеют одинаковые приоритеты сообщений. Слово № 0 отведено только для передачи маркерного слова М. В этом смысле маркер М обладает на слове № 0 нулевым (безусловным) приоритетом.
Слова № 7 и 23 отведены для передачи информации ТИ и ТС из квазицикла. Поэтому номера приоритетов сообщений на них иные, чем на всех остальных словах № 1—31.
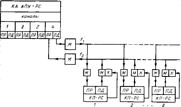
Система АИСТ—PCОсновная область применения АИСТ—PC — телемеханизация диспетчерского управления распределительными электрическими сетями 35— 220 кВ. Для этого уровня управления характерны магистральная и смешанная структуры каналов связи.
При магистральной структуре КП подключается к общему каналу связи по вызову.
Система АИСТ—PC содержит один или два (для большей надежности) аппарата АПУ—PC, выполняющих функции ЦСТ на ДП РЭС или ДП ПЭС, и N аппаратов КП—PC, располагаемых на подстанциях КП. Кроме того, на ДП устанавливаются аппараты ЩТС-128 для связи АПУ—PC с диспетчерским щитом, на КП — аппараты РТУ для сопряжения КП—PC с объектами ТУ.
Аппаратура АИСТ АПУ—PC выполняется на базе аппаратуры АИСТ АПУ с той лишь разницей, что в последней на месте двух (из восьми) канальных адаптеров устанавливаются модули ТУ. В остальном устройства АИСТ АПУ и АПУ—PC отличаются лишь программами.

Рис. 5.6. Структурная схема подключения КП—PC к канальному адаптеру АПУ—PC в системе АИСТ-РС:
КА - канальный адаптер; ПД - канал передачи; ПР - канал приема; М - модем; К - канальный ключ
Таким образом, АПУ—PC располагает шестью КА. Два из них предназначены для обслуживания КП—PC с магистральной структурой каналов связи. К каждой магистрали может быть подключено до восьми аппаратов КП—PC. Всего к двум КА может быть подключено до 64 КП—PC, объединенных восемью магистралями по восемь КП—PC на каждой магистрали. Остальные четыре КА используются для связи со станциями по радиальной структуре каналов в протоколе системы АИСТ. Все магистрали, так же как и радиальные каналы, взаимонезависимы.
Структурная схема подключения аппаратов КП—PC к одному из четырех дуплексных каналов КА АПУ—PC при магистральной структуре канала приведена на рис. 5.6. АПУ—PC осуществляет поочередный адресный опрос КП—PC, приемники которых подключены параллельно к каналу ПУ—КП (несущая частота). Передатчики КП—PC подключаются к ответному каналу (несущая частота/)) через канальные ключи по мере запроса соответствующего КП. Каждый аппарат КП—PC может выдавать информацию одновременно по двум независимым направлениям (например, на ДП РЭС и ПЭС) в протоколе АИСТ-РС.
Аппарат КП—PC выполняет роль интеллектуальной периферийной станции и содержит две кассеты: спец-контроллера и ввода—вывода СК ВВ и блока питания БП.
В состав кассеты СК ВВ входят следующие узлы (модули), такие же как в аппарате АПУ и АКП;
ЦП — узел центрального процессора — 1 шт.;
АПИ — узел параллельного интерфейса — 1 шт.;
АВК — пульт адаптера визуального контроля — 1 шт.
Кроме того, имеются специальные модули КП—PC:
ПАСИ — узел памяти и сериесного интерфейса — 1 шт. (содержит 4 Кбайт ПЗУ и 4 Кбайт ОЗУ и два УСАПП КР580ВВ51);
ТУ - узел вывода 16 команд ТУ - 1 шт.;
ТС 32 - узел ввода 32 сигналов ТС — 1 шт.;
ВДТИ - узел ввода ТИ - 4 шт.;
АЦП — узел общей части АЦП — 1 шт.
В состав кассеты входят:
ЛУ — узел линейных узлов — 2 шт.;
КК - субблок канальных ключей - 1 шт.;
субблоки питания со стабилизаторами разного уровня напряжения и узел визуального контроля БП.
Протокол обмена информацией в системе АИСТ—PC.В основу протокола обмена положен асинхронный метод передачи со стандартным) форматом (11, 8). В качестве кодового слова используется следующая конструкция (табл. 5.4).
Инициатива обменом информацией между ПУ и КП принадлежит АПУ—PC, который посылает по каналу ПУ-КП сообщение запрос-задание, содержащее адрес КП, с которым ПУ вступает в диалог, и вид (содержание) диалога. Получив запрос—задание, соответствующий КП со своим адресом посылает ответ—сообщение. Информационный байт запрос—задание (от ПУ к КП) имеет следующий вид:
биты Z)7 D6 Ds — адрес КП (всего восемь адресов);
значения битов D4—D0 соответствуют следующим сообщениям:
| D3 | D2 | D1 | Do | ||
| 0 | 0 | 0 | 0 | 0 | запрос всей информации КП |
| 0 | 0 | 0 | 0 | 1 | признак ТУ |
| 0 | 0 | 0 | 1 | 0 | запрос ТС |
| 0 | 0 | 1 | 0 | 0 | запрос 1 гр. ТИ (ТИ1) |
| 0 | 1 | 0 | 0 | 0 | запрос 2 гр. ТИ (ТИ2) |
| 0 | 1 | 1 | 1 | 1 | запрос (ТС + ТИ) |
| 1 | 0 | 0 | 1 | 0 | запрос ТИЭ |
| 1 | 0 | 1 | 0 | 0 | запрос РТС1 |
| 1 | 1 | 0 | 0 | 0 | запрос РТС2 |
| 1 | 1 | 1 | 1 | 0 | установка часов |
Для большей надежности и соблюдения правильной последовательности подключения передатчиков КП кодовое слово запрос-задание передается 2 раза подряд (рис. 5.7). Получив первое слово, передатчик соответствующего КП подключается к каналу связи и выдает в него ’’единицу”. После получения второго слова, точно совпадающего с первым, КП посылает ответ—сообщение. Содержание байта ответ—сообщение:
биты D7, D6, D5 — адрес КП;
Таблица 5.4. Кодовое слово АИСТ-РС

значение D4— Do битов соответствуют следующим сообщениям:

В зависимости от содержания ответа— сообщения далее передаются слова соответствующих сообщений: байты ТС, ТИ, РТС или ТИЭ (параметр ТИЭ содержит два байта). Новые сообщения передаются только при наличии в них новой информации. Каждый цикл сообщений от КП заканчивается контрольным байтом, в котором передается контрольная сумма, и установкой контрольной 1 до момента отключения передатчика от канала связи. При этом все КП опрашиваются поочередно.
Команда ТУ передается посылкой с ПУ двух слов: номера КП с признаком ТУ и кодового слова ТУ. Информационный байт кодового слова ТУ следующий:
D7D6 — ”10” операция ВК, ”01 ” операция ОТ;
D5 - ”1 ” команда ТУ, ”0” команда РТУ;
D4D3 — 16 команд ТУ;
D0 — ”1” признак ТУ.

Рис. 5.7. Временная диаграмма команды ТУ АИСТ-РС:
ПУ-КП - сигналы в канале от ПУ к КП; КП-ПУ - сигналы в канале от КП к ПУ
В ответе—сообщении КП сообщает свой номер и признак ’’готов к приему ТУ”. Затем следует ответный байт ТУ, точно соответствующий принятому первому байту ТУ. В канале связи КП—ПУ устанавливается 1, а с ПУ передается повторное слово ТУ. При точном совпадении с принятой ранее командой ТУ она выводится на исполнение. В программе предусматривается выдержка времени ’’ожидание исполнения команды” Δt ТУ, после которой начинается передача сообщений ТС.
Посылка кодовых слов от ПУ к КП и обратно в режиме ТУ иллюстрируется временной диаграммой на рис. 5.7.